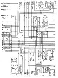
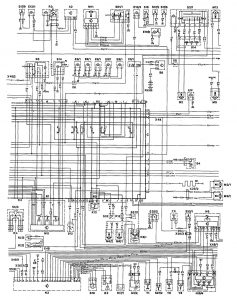
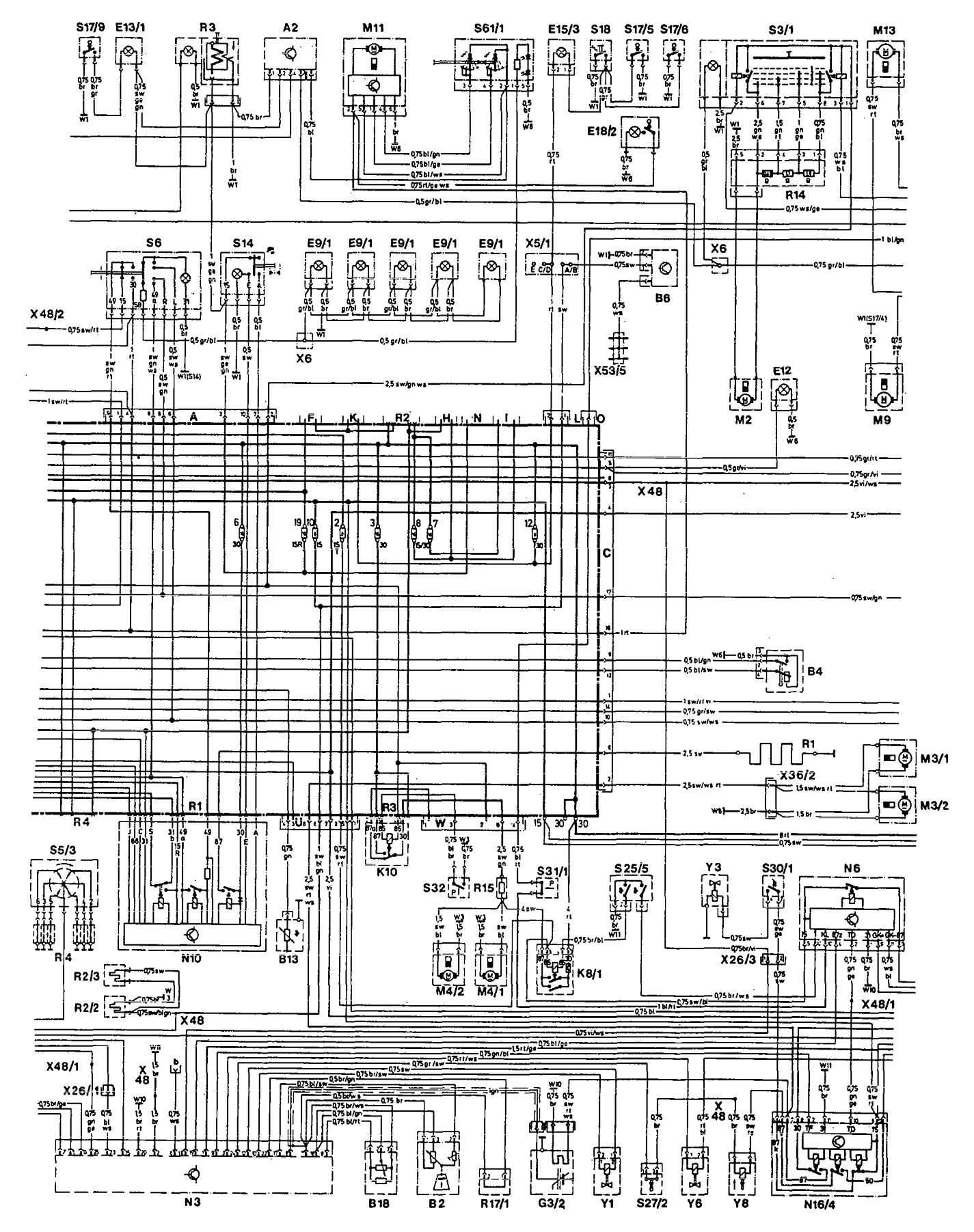
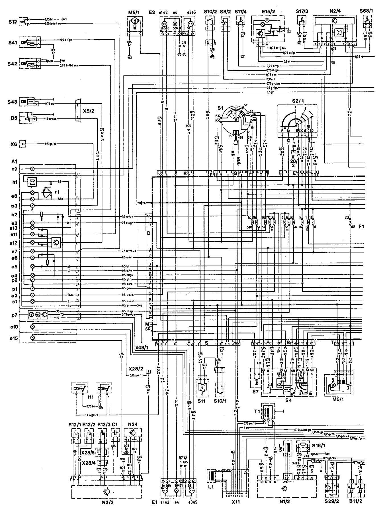
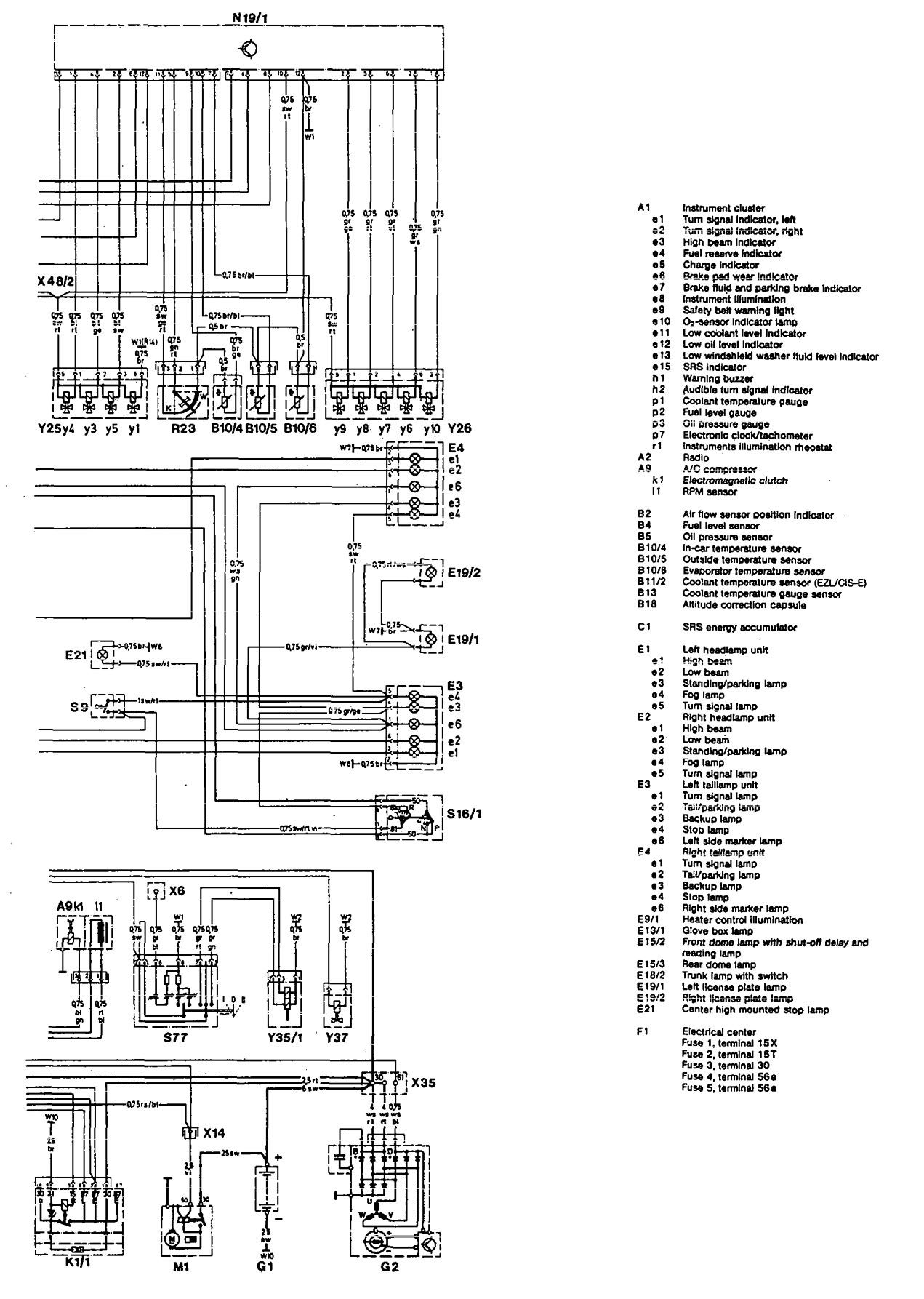
Mercedes-Benz 190E (1993) – wiring diagrams – audible warning system
Year of productions: 1993
Audible warning system




WARNING: Terminal and harness assignments for individual connectors will vary depending on vehicle equipment level, model, and market.
