Jeep Cherokee (1972 – 1983) – fuse box diagram
Year of production: 1972, 1973, 1974, 1975, 1976, 1977, 1978, 1979, 1980, 1981, 1982, 1983
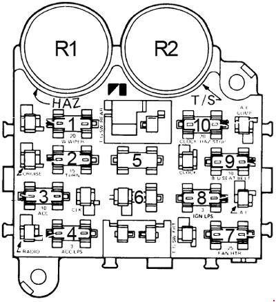
Fuse box

| № |
A |
Protected Component |
| 1 | 20 | Windshield wipers |
| 2 | 15 | Turn signals |
| 3 | 10 | Accessories |
| 4 | 3 | Instrument and accessory lights |
| 5 | 20 | Interior lights |
| 6 | 20 | Brake, tail and parking lights |
| 7 | 25 | Air conditioner, heater and electric fan |
| 8 | 3 | Instruments |
| 9 | 25 | Seat belt warning and back-up lights |
| 10 | 20 | Hazard flasher, clock and stop lights |
| Relay | ||
| R1 | Hazard flasher | |
| R2 | Turn signal | |
- 24 amp. circuit breaker is located in the headlight switch to protect headlight circuit. All models have two 30 amp. circuit breakers located in the fuse block to protect the electric tailgate window. One circuit breaker protects the instrument panel switch and the other protects the tailgate switch.
- The 6-cyl. models have a 4 amp. in-line fuse protecting the cruise control. The V8 models have a 1.5 amp. in-line fuse protecting the cruise control.
- All Jeep models are equipped with fusible links, located in the engine compartment, which protect the circuits.
WARNING: Terminal and harness assignments for individual connectors will vary depending on vehicle equipment level, model, and market.
