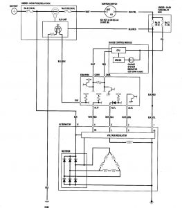
Honda Accord (2006) – wiring diagrams – charging system

Honda Accord (2006) – wiring diagrams – charging system

Year of productions:  2006

Charging system

Honda Accord - wiring diagram - charging system
Honda Accord – wiring diagram – charging system

WARNING: Terminal and harness assignments for individual connectors will vary depending on vehicle equipment level, model, and market.