Eagle Talon (1997 – 1998) – fuse box diagram

Eagle Talon (1997 – 1998) – fuse box diagram

Year of production: 1997, 1998

Fuse box diagram

Eagle Talon – fuse box diagram
Eagle Talon – fuse box diagram
Power supply circuit No. A Load circuit
Battery 1 15 Amplifier
Ignition switch IG2 2
IG1 3 10 Back-up light, combination meter <non-turbo>, EATX-ECM <non-turbo (A/T) and SRS-ECU
4 10 Turn signal and hazard flasher unit
Battery 5 10 Theft-alarm horn and theft-alarm horn relay
6 30 Defogger and defogger switch
Ignition switch IG2 7
IG1 8 10 Auto-cruise main switch, auto-cruise control vacuum pump <turbo>, auto-cruise-ECU, auto-cruise speed control assembly <non-turbo>, combination meter, ETACS-ECU, powertrain control module <non-turbo>, SRS-ECU and sunroof-ECU
ACC 9 20 ETACS-ECU, intermittent wiper relay, wiper and washer motor
Battery 10 10 Door lock actuator and door lock power relay
11 30 Blower motor
Ignition switch ACC 12
IG2 13 10 ABS-ECU <FWD>, ABS power relay <AWD>, A/C switch, automatic compressor-ECM, blower motor relay, defogger relay and DRL-ECU <CANADA>
ACC 14 15 Cigarette lighter
IG2 15 10 Auto-cruse-ECU <turbo>, combination meter <turbo> and ELC 4-speed automatic transaxle control module <turbo>
Battery 16
17 20 Sunroof-ECU

Eagle Talon – fuse box diagram
Eagle Talon – fuse box diagram
No. Circuit Housing color A
1 Generator Wine red 120
2 Dedicated fuses No. 8, 11 and multi-purpose fuses No. 1, 5 , 6, 10, 11 Yellow 60
3
4 MFI system and ELC 4-speed automatic transaxle Pink 30
5 Headlight, fog light and taillight Green 40
6 Multi-prupose fuse No. 17 and ignition switch Pink 30
7 Radiator fan Pink 30
8 ABS system Red 50
9 Power windows Pink 30
10
Eagle Talon – fuse box diagram
Eagle Talon – fuse box diagram
No. Circuit Housing color A
1 Fusible links No. 2, 9 and generator Blue 120
2 Dedicated fuses No. 8, 11 and multi-purpose fuses No. 1, 5 , 6, 10, 11 Yellow 60
3
4 MFI system Blue 20
5 Headlight, fog light and taillight Green 40
6 Multi-prupose fuse No. 17 and ignition switch Pink 30
7 Radiator fan Pink 30
8 ABS system Red 50
9 Power seat and power windows Pink 30
10
Eagle Talon – fuse box diagram
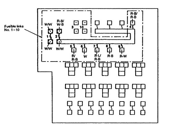
Eagle Talon – fuse box diagram
Power supply circuit No. A Housing color Circuit
Fusible link No. 8 1 10 Red ABS system <AWD>
Battery 2 20*1 Yellow ABS system, auto-cruise control system and stop light
15*2 Blue
3 15 Blue Horn
4 15 Blue Turn signal light and hazard light
Taillight relay 5 15 Blue Glove compartment light, license plate light, lighting monitor buzzer, rheostat, side marker light, taillight and illumination light
Headlight relay 6 15 Blue Fog light
7 10 Red High-beam indicator light
Fusible link No.2 8 10 Red A/C compressor
Battery 9 20 Yellow Condenser fan
10
Fusible link No. 2 11 10 Red Auto-cruise-ECU (battery back up) >turbo>, dome light, door-ajar warning light ELC 4-speed automatic transaxle control module (battery back up) <turbo>, engine control module (battery back up) <turbo>, ETACS-ECU, foot light, Ignition key hole illumination light luggage compartment light, radio, receiver, scan tool power source, theft-alarm system, universal garage door opener and vanity mirror light
Ignition switch (ACC) 12 10 Red Auto-cruise control system <turbo>, radio and receiver
*1: NON-TURBO
*2: TURBO

Eagle Talon – fuse box diagram
Eagle Talon – fuse box diagram
Power supply circuit No. A Housing color Cicuit
Ignition switch (ACC) 13 10 Red Remote controlled mirror
Defogger relay 14

Eagle Talon – fuse box diagram
Eagle Talon – fuse box diagram
Connector No. Name
B-42X Power window relay
B-43X Theft-alarm starter relay <M/T>
B-44X Theft-alarm starter relay <A/T>
B-45X Theft alarm horn relay

Relays

Eagle Talon – fuse box diagram – relays
Eagle Talon – fuse box diagram – relays
Connector No. Name
A-09X Condenser fan relay (LO)
A-10X Condenser fan relay (HI)
A-11X Radiator fan relay (LO1)
A-12X Radiator fan relay (LO2) <Turbo>
A-13X Radiator fan relay (HI)
A-14X Headlight relay
A-15X Tailight relay
A-16X Fog light relay
A-17X Horn relay
A-18X A/C compressor clutch relay

WARNING: Terminal and harness assignments for individual connectors will vary depending on vehicle equipment level, model, and market.