Chevrolet Suburban (2007) – fuse box diagram

Year of production: 2007

Instrument panel fuse block

The instrument panel fuse block access door is located on the driver’s side edge of the instrument panel.

Chevrolet Suburban -  wiring diagram - fuse box - instrument panel fuse block
Chevrolet Suburban – wiring diagram – fuse box – instrument panel fuse block
Fuses Usage
AUX PWR2 Rear Cargo Area Power Outlets
SWC BKLT Steering Wheel Controls Backlight
DDM Driver Door Module
CTSY Dome Lamps, Driver’s Side Turn Signal
LT STOP TRN Driver’s Side Turn Signal, Stoplamp
DIM Instrument Panel Back Lighting
RT STOP TRN Passenger’s Side Turn Signal, Stoplamp
BCM Body Control Module
UNLCK2 Power Door Lock 2 (Unlock Feature)
LCK2 Power Door Lock 2 (Lock Feature)
STOP LAMPS Stoplamps, Center-High Mounted Stoplamp
REAR HVAC Rear Climate Controls
PDM Passenger Door Module, Universal Home Remote System
AUX PWR Accessory Power Outlets
IS LPS Interior Lamps
UNLCK1 Power Door Lock 1 (Unlock Feature)
OBS DET Ultrasonic Rear Parking Assist, Power Liftgate
LCK1 Power Door Lock 1 (Lock Feature)
REAR WPR Rear Wiper
COOLED SEATS Not Used
DSM Driver Seat Module, Remote Keyless Entry System
Harness Connector Usage
LT DR Driver’s Door Harness Connection
BODY Harness Connector
BODY Harness Connector

Center Instrument Panel Utility Block

The center instrument panel fuse block is located underneath the instrument panel, to the left of the steering column.

Chevrolet Suburban -  wiring diagram - fuse box - center instrument panel fuse block
Chevrolet Suburban – wiring diagram – fuse box – center instrument panel fuse block
Harness Connector Usage
BODY 2 Body Harness Connector 2
BODY 1 Body Harness Connector 1
BODY 3 Body Harness Connector 3
HEADLINER 3 Headliner Harness Connector 3
HEADLINER 2 Headliner Harness Connector 2
HEADLINER 1 Headliner Harness Connector 1
BRAKE CLUTCH Brake Clutch Harness Connector
SEO/UPFITTER Special Equipment Option Upfitter Harness Connector
Circuit Breaker Usage
CB1 Passenger’s Side Power Window Circuit Breaker
CB2 Passenger’s Seat Circuit Breaker
CB3 Driver’s Seat Circuit Breaker
CB4 Not Used

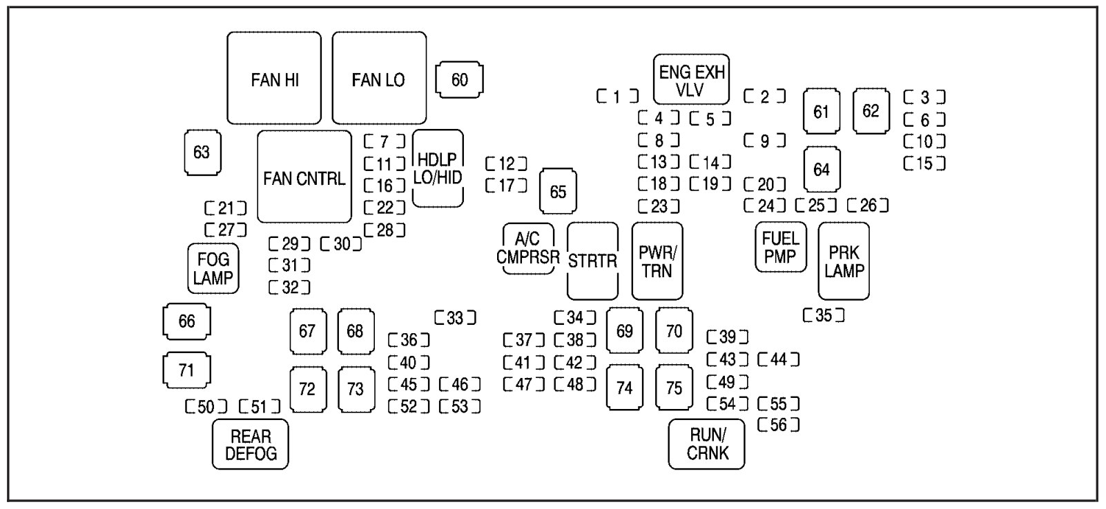
Underhood Fuse Block

The underhood fuse block is located in the engine compartment, on the driver’s side of the vehicle.

Chevrolet Suburban -  wiring diagram - fuse box - engine compartment
Chevrolet Suburban – wiring diagram – fuse box – engine compartment
Fuses Usage
1 Not Used
2 Electronic Stability Suspension Control, Automatic Level Control Exhaust
3 Left Trailer Stop/Turn Lamp
4 Engine Controls
5 Engine Control Module, Throttle Control
6 Right Trailer Stop/Turn Lamp
7 Front Washer
8 Oxygen Sensors
9 Anti-lock Brakes System 2
10 Trailer Back-up Lamps
11 Driver’s Side Low-Beam Headlamp
12 Engine Control Module (Battery)
13 Fuel Injectors, Ignition Coils (Right Side)
14 Transmission Control Module (Battery)
15 Vehicle Back-up Lamps
16 Passenger’s Side Low-Beam Headlamp
17 Air Conditioning Compressor
18 Oxygen Sensors
19 Transmission Controls (Ignition)
20 Fuel Pump
21 Not Used
22 Rear Washer
23 Fuel Injectors, Ignition Coils (Left Side)
24 Trailer Park Lamps
25 Driver’s Side Park Lamps
26 Passenger’s Side Park Lamps
27 Fog Lamps
28 Horn
29 Passenger’s Side High-Beam Headlamp
30 Daytime Running Lamps
31 Driver’s Side High-Beam Headlamp
32 Not Used
33 Sunroof, Emergency Roof Lamp
34 Key Ignition System, Theft Deterrent System
35 Windshield Wiper
36 SEO B2 Upfitter Usage (Battery)
37 Electric Adjustable Pedals
38 Climate Controls (Battery)
39 Airbag System (Ignition)
40 Amplifier
41 Audio System
42 Four-Wheel Drive
43 Miscellaneous (Ignition), Rear Vision Camera, Cruise Control
44 Liftgate Release
45 OnStar®, Rear Seat Entertainment Display
46 Instrument Panel Cluster
47 Not Used
48 Not Used
49 Auxiliary Climate Control (Ignition), Compass-Temperature Mirror
50 Rear Defogger
51 Airbag System (Battery)
52 SEO B1 Upfitter Usage (Battery)
53 Cigarette Lighter, Auxiliary Power Outlet
54 Automatic Level Control Compressor Relay, SEO Upfitter Usage
55 Climate Controls (Ignition)
56 Engine Control Module, Secondary Fuel Pump (Ignition)

J-Case Fuse Usage
60 Cooling Fan 1
61 Automatic Level Control Compressor
62 Heavy Duty Anti-lock Brake System
63 Cooling Fan 2
64 Anti-lock Brake System 1
65 Starter
66 Stud 2 (Trailer Brakes)
67 Left Bussed Electrical Center 1
68 Electric Running Boards
69 Heated Windshield Washer System
70 Four-Wheel Drive System
71 Stud 1 (Trailer Connector Battery Power
72 Mid-Bussed Electrical Center 1
73 Climate Control Blower
74 Power Liftgate Module
75 Left Bussed Electrical Center 2
Relays Usage
FAN HI Cooling Fan High Speed
FAN LO Cooling Fan Low Speed
ENG EXH VLV Not Used
FAN CNTRL Cooling Fan Control
HDLP LO/HID Low-Beam Headlamp
FOG LAMP Air Conditioning Compressor
STRTR Starter
PWR/TRN Powertrain
FUEL PMP Fuel Pump
PRK LAMP Parking Lamps
REAR DEFOG Rear Defogger
RUN/CRANK Switched Power

WARNING: Terminal and harness assignments for individual connectors will vary depending on vehicle equipment level, model, and market.