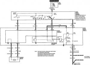
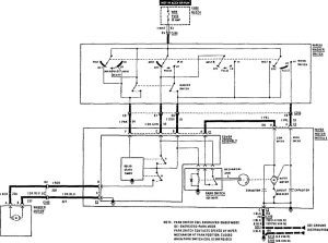
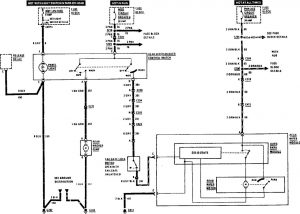
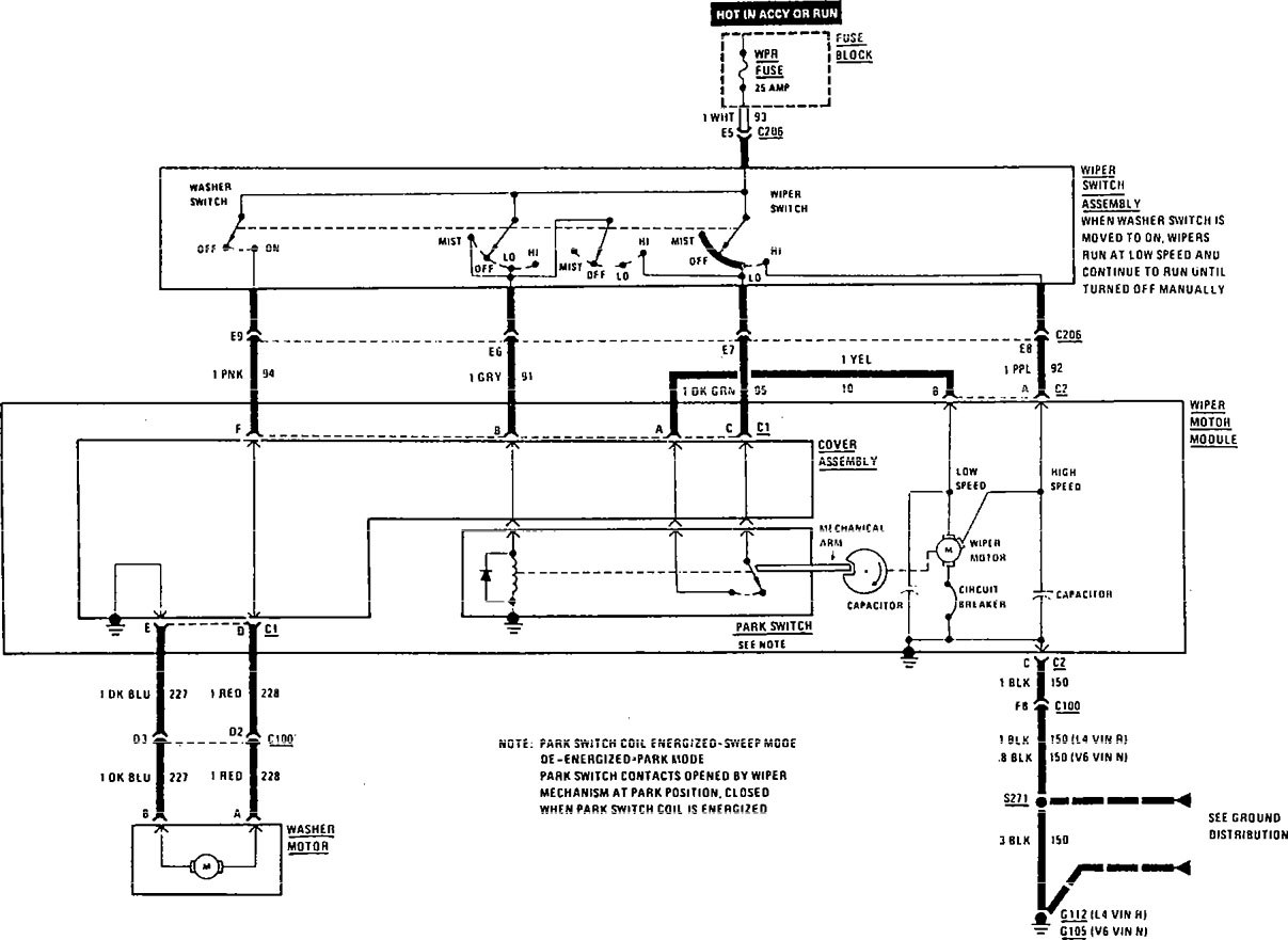
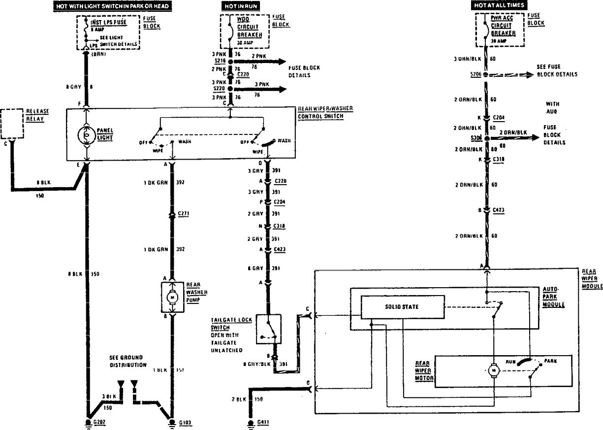
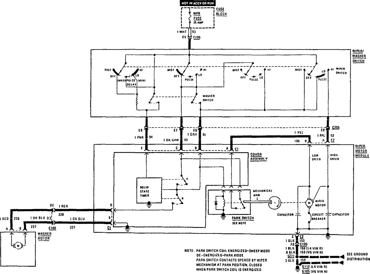
Buick Century (1991) – wiring diagrams – wiper/washer
Year of productions: 1991
Wiper/washer
Version 1

Version 2

Version 3

WARNING: Terminal and harness assignments for individual connectors will vary depending on vehicle equipment level, model, and market.
