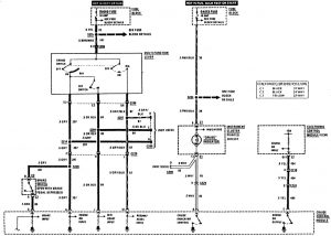
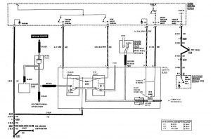
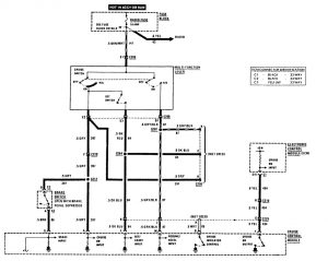
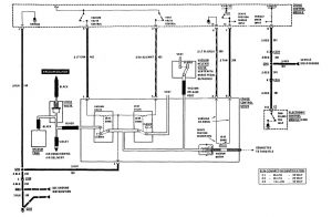
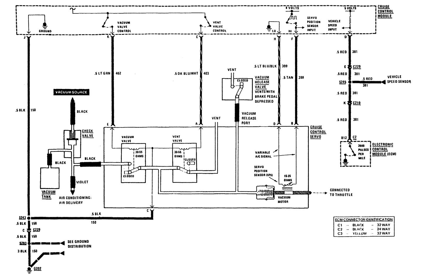
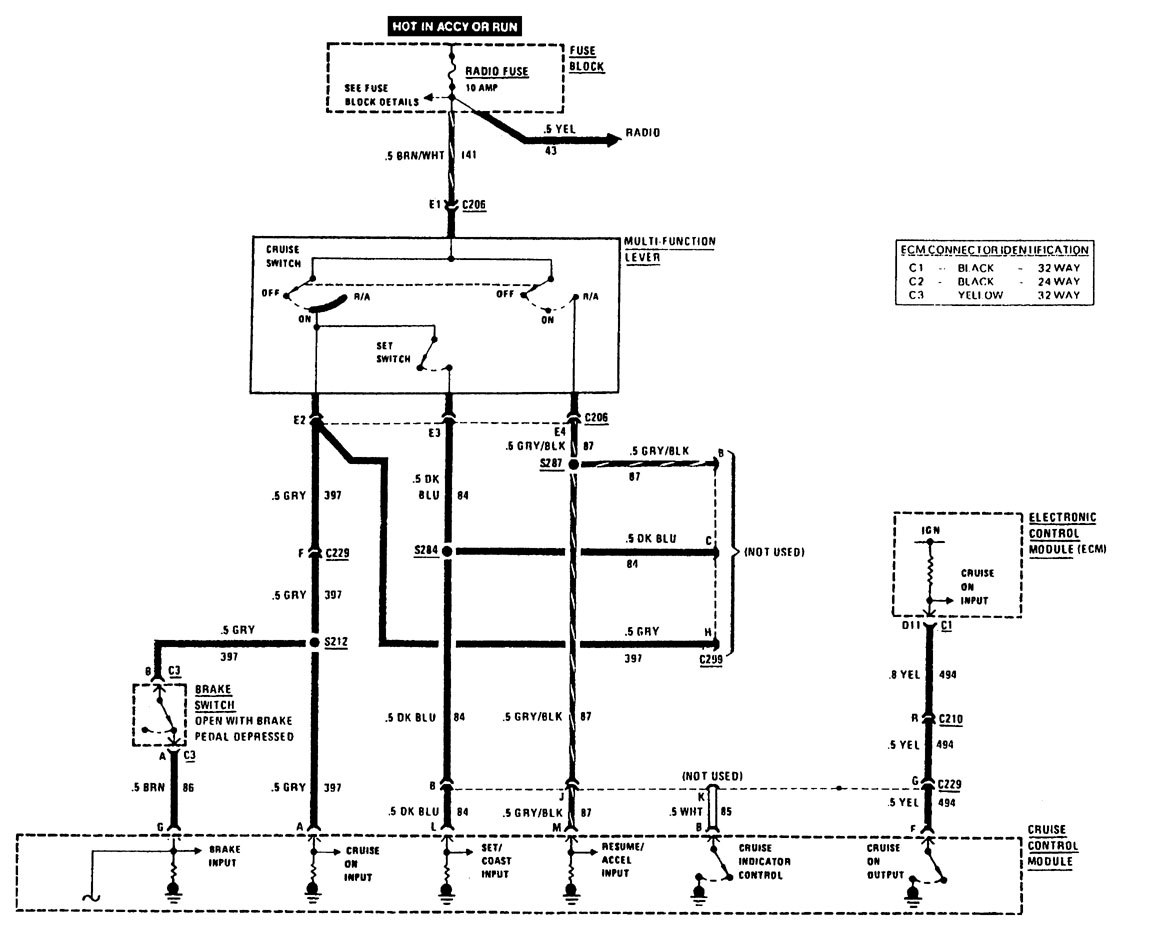
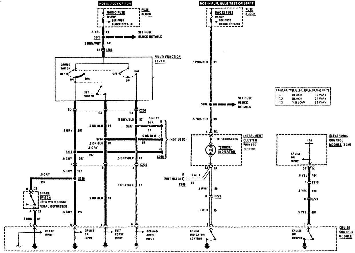
Buick Century (1991) – wiring diagrams – speed controls
Year of productions: 1991
Speed controls
Version 1


Version 2


WARNING: Terminal and harness assignments for individual connectors will vary depending on vehicle equipment level, model, and market.
