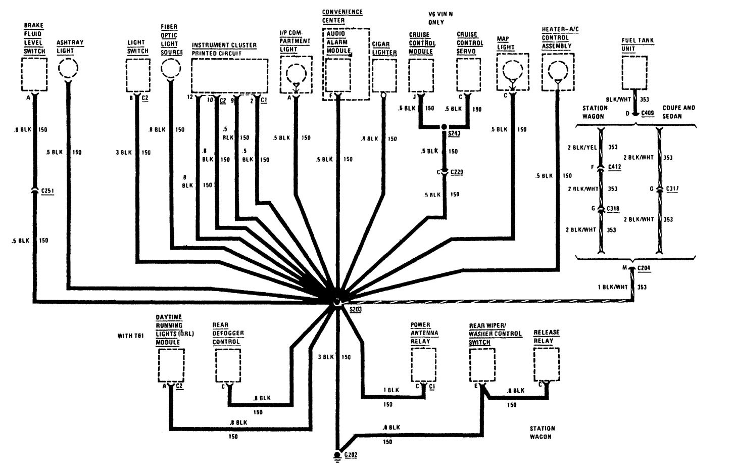
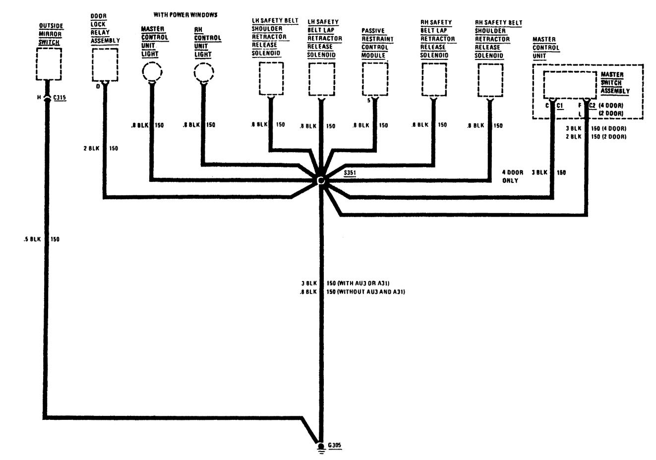
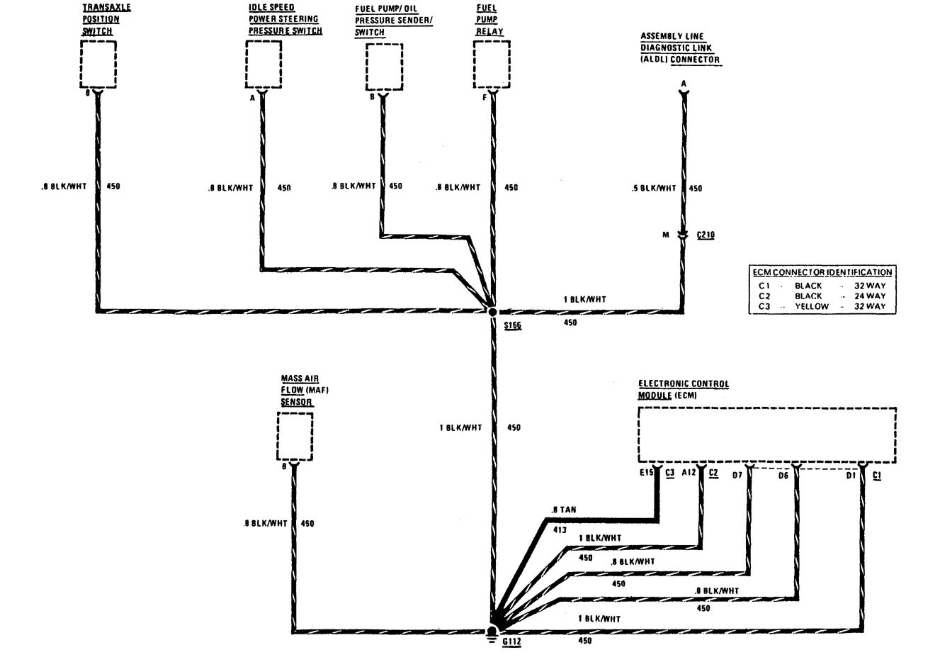
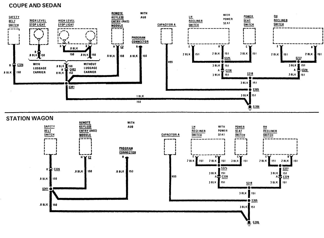
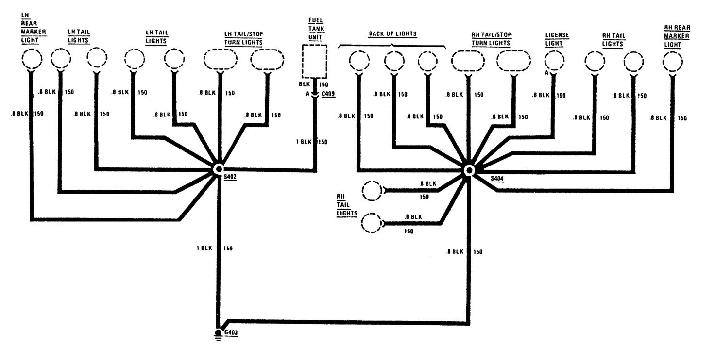
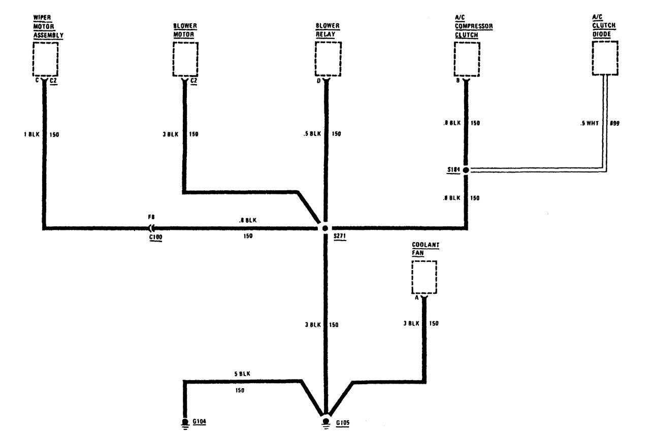
Buick Century (1991) – wiring diagrams – ground distribution
Year of productions: 1991
Ground distribution
Version 1




Version 2


Version 3

Version 4

WARNING: Terminal and harness assignments for individual connectors will vary depending on vehicle equipment level, model, and market.
