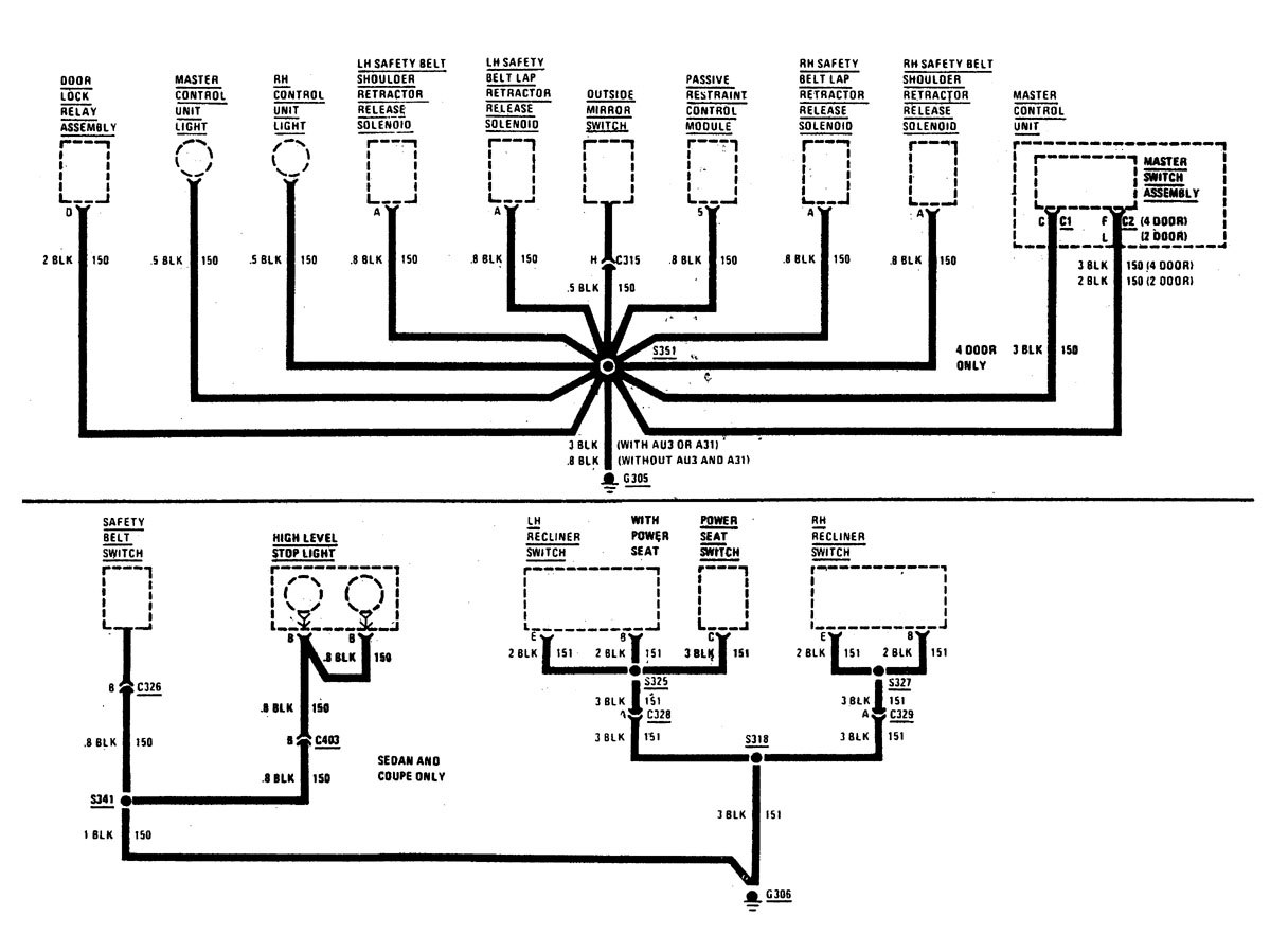
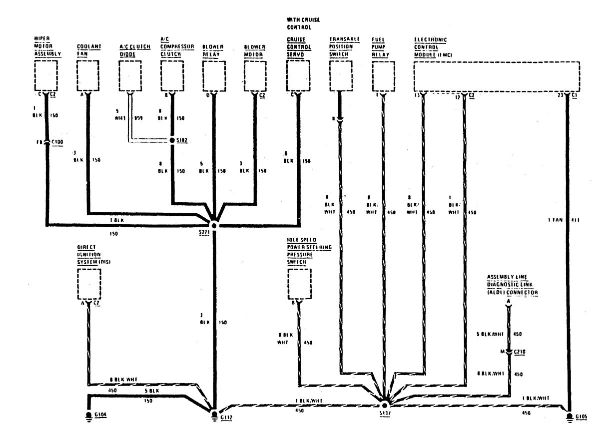
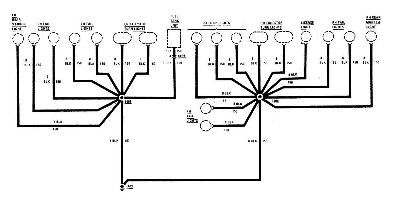
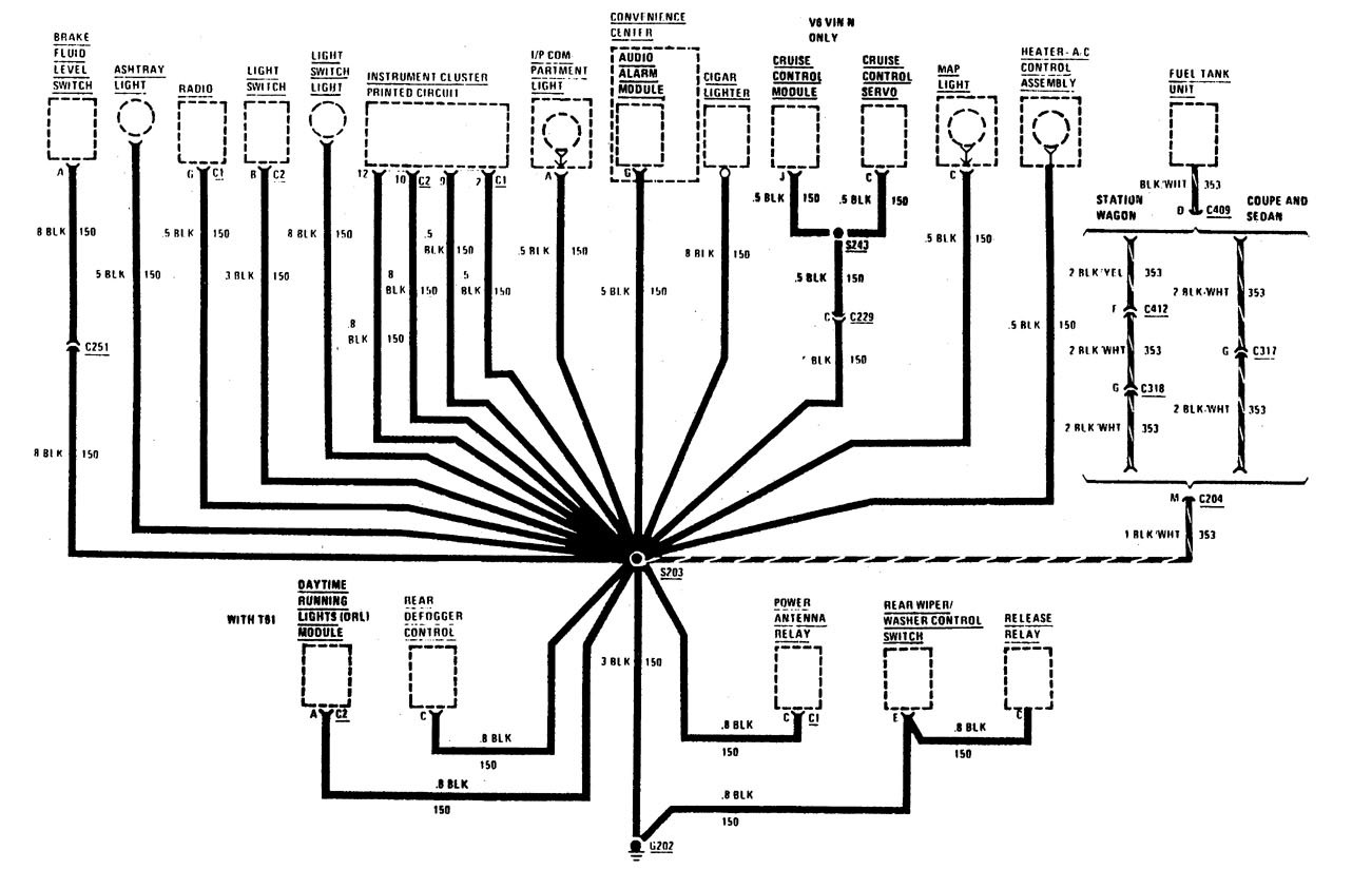
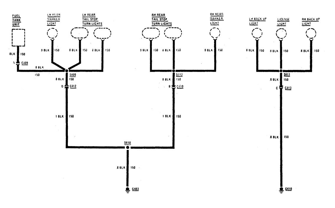
Buick Century (1990) – wiring diagrams – ground distribution
Year of productions: 1990
Ground distribution
Version 1



Version 2

Version 3

Version 4

WARNING: Terminal and harness assignments for individual connectors will vary depending on vehicle equipment level, model, and market.
