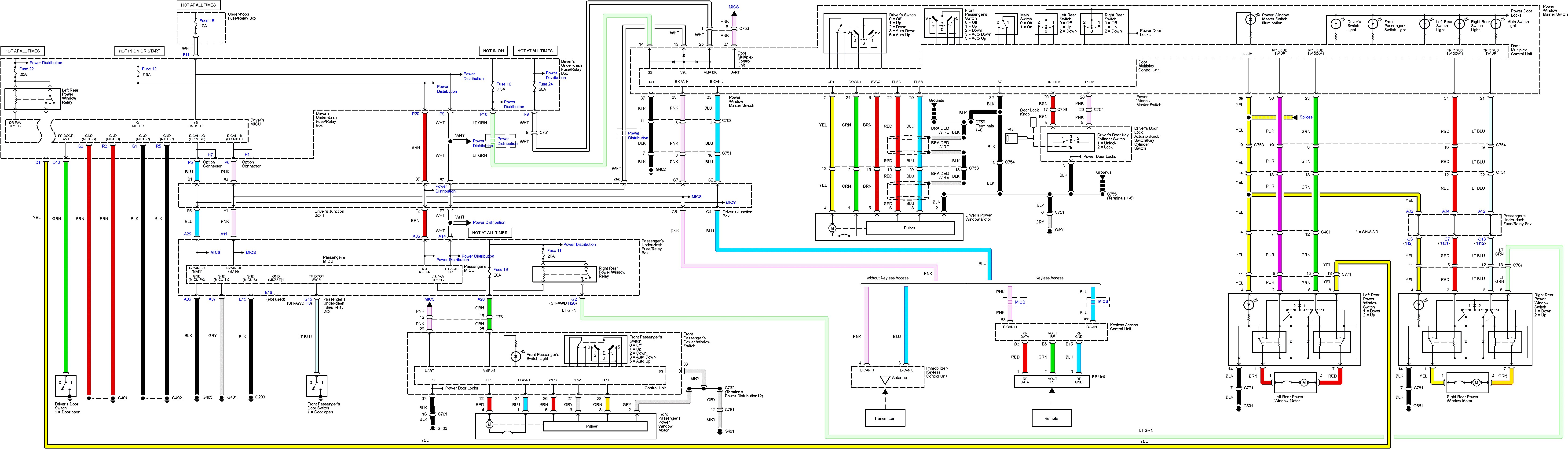
Acura TL (2013 – 2014) – wiring diagrams – power windows
Year of productions: 2013, 2014
Power windows

power windows
WARNING: Terminal and harness assignments for individual connectors will vary depending on vehicle equipment level, model, and market.
