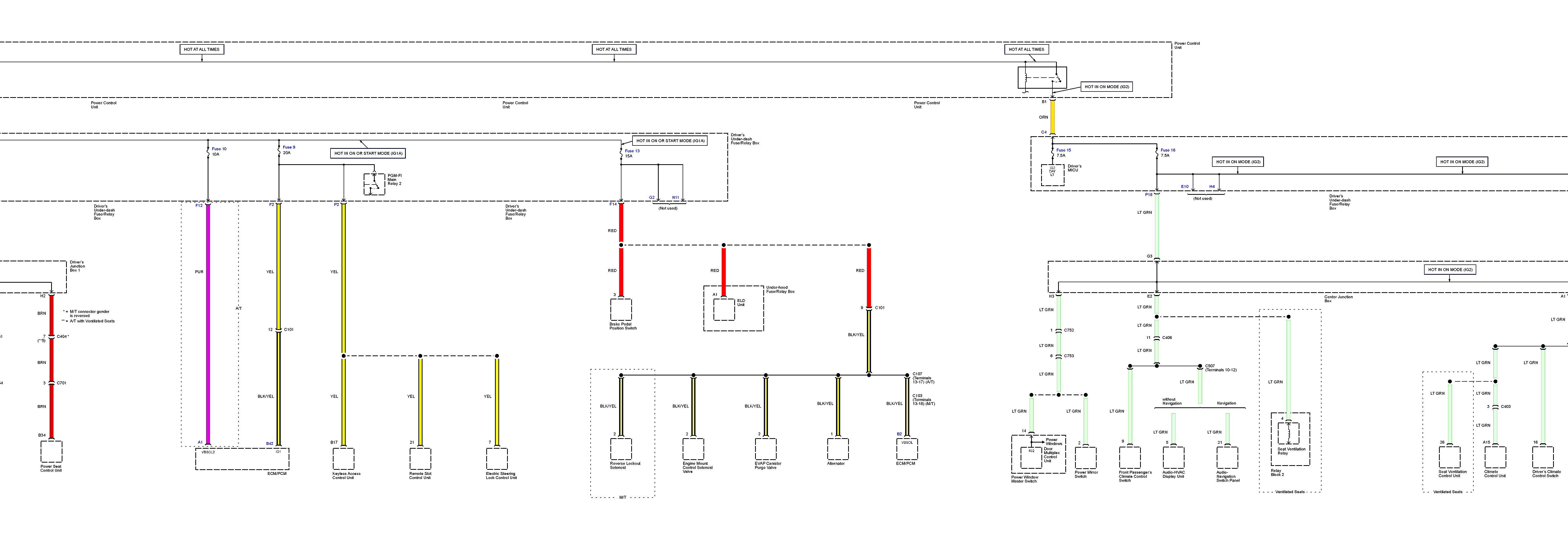
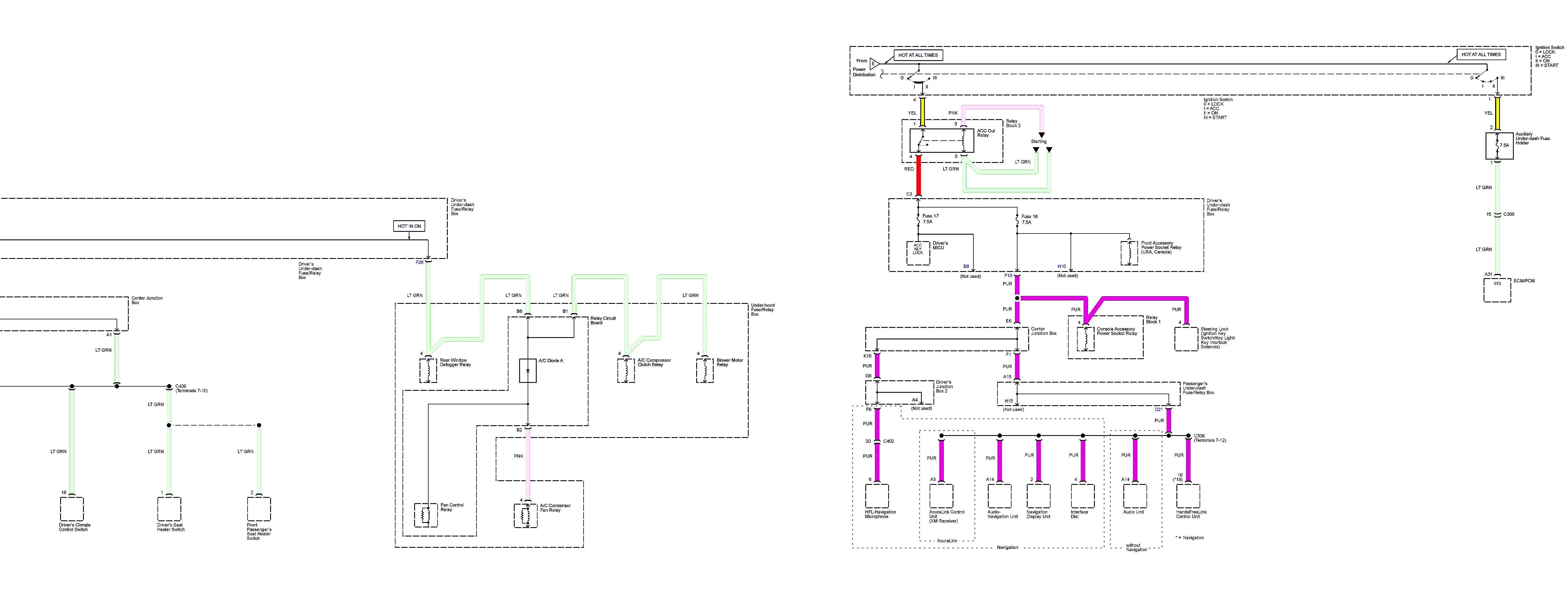
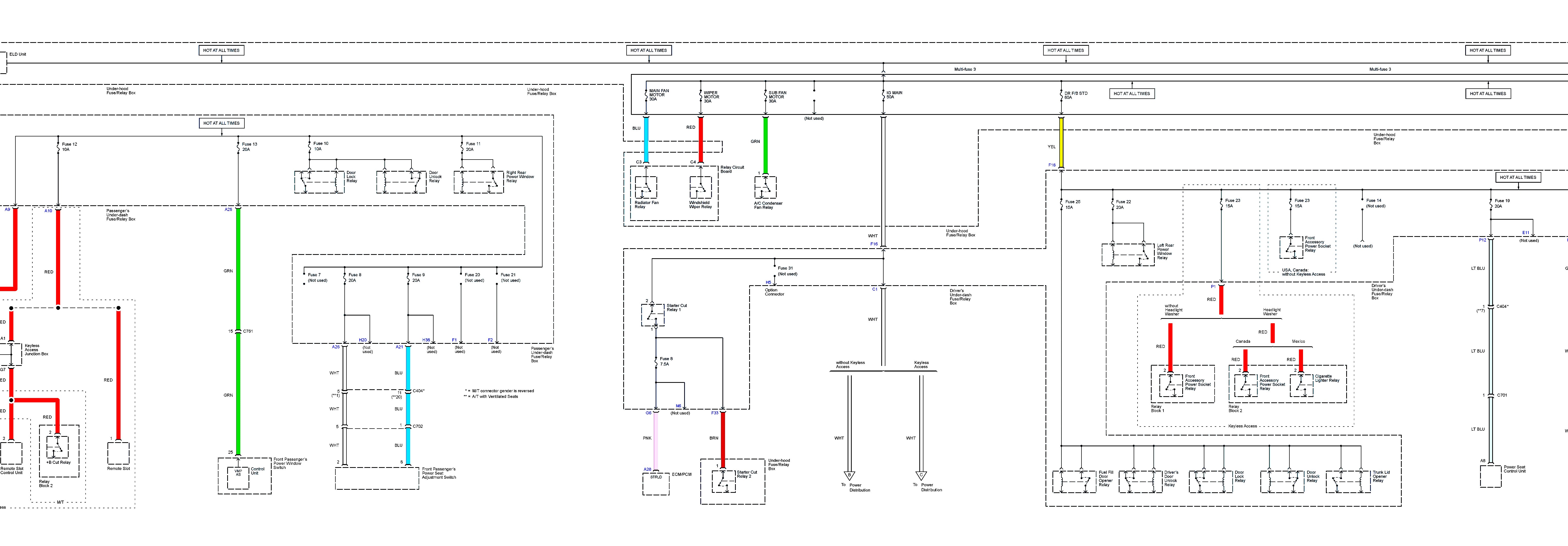
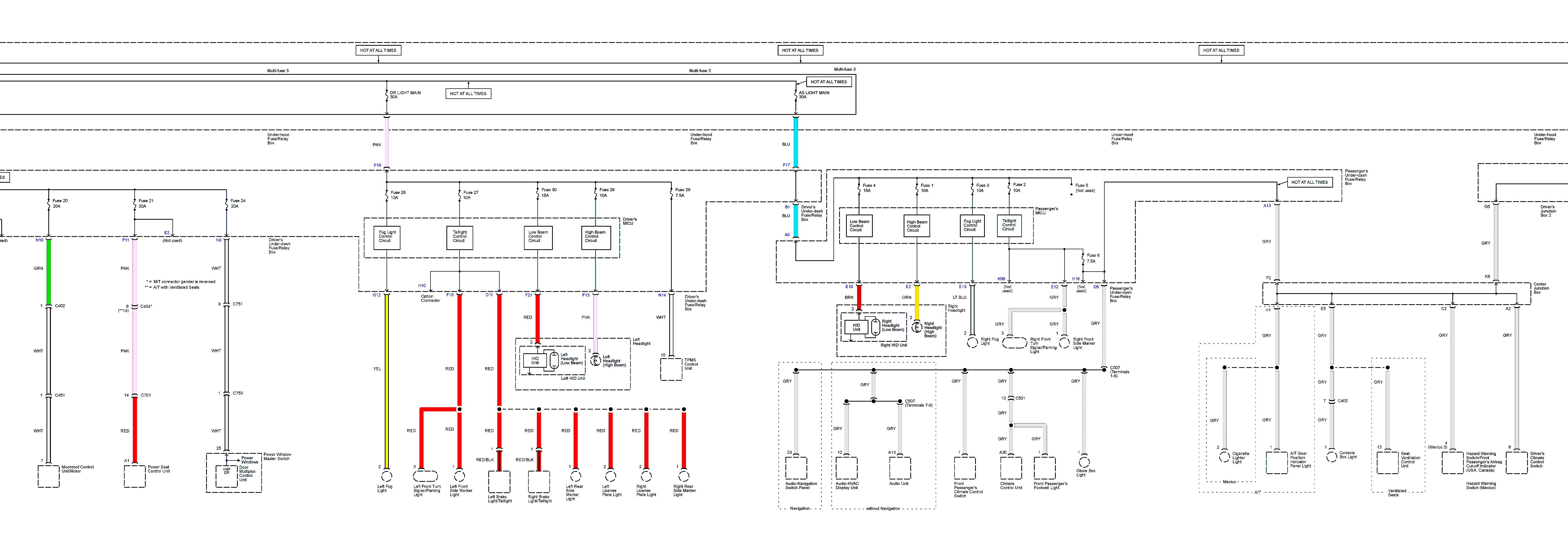
Acura TL (2013 – 2014) – wiring diagrams – power distribution
Year of productions: 2013, 2014
Power distribution
Version 1

power distribution (part 1)

power distribution (part 2)

power distribution (part 3)

power distribution (part 4)

Version 2

power distribution (part 1)

power distribution (part 2)

power distribution (part 3)
Version 3

power distribution (part 1)

power distribution (part 2)

WARNING: Terminal and harness assignments for individual connectors will vary depending on vehicle equipment level, model, and market.
