Acura TL (2013 – 2014) – wiring diagrams – key lamp
Year of productions: 2013, 2014
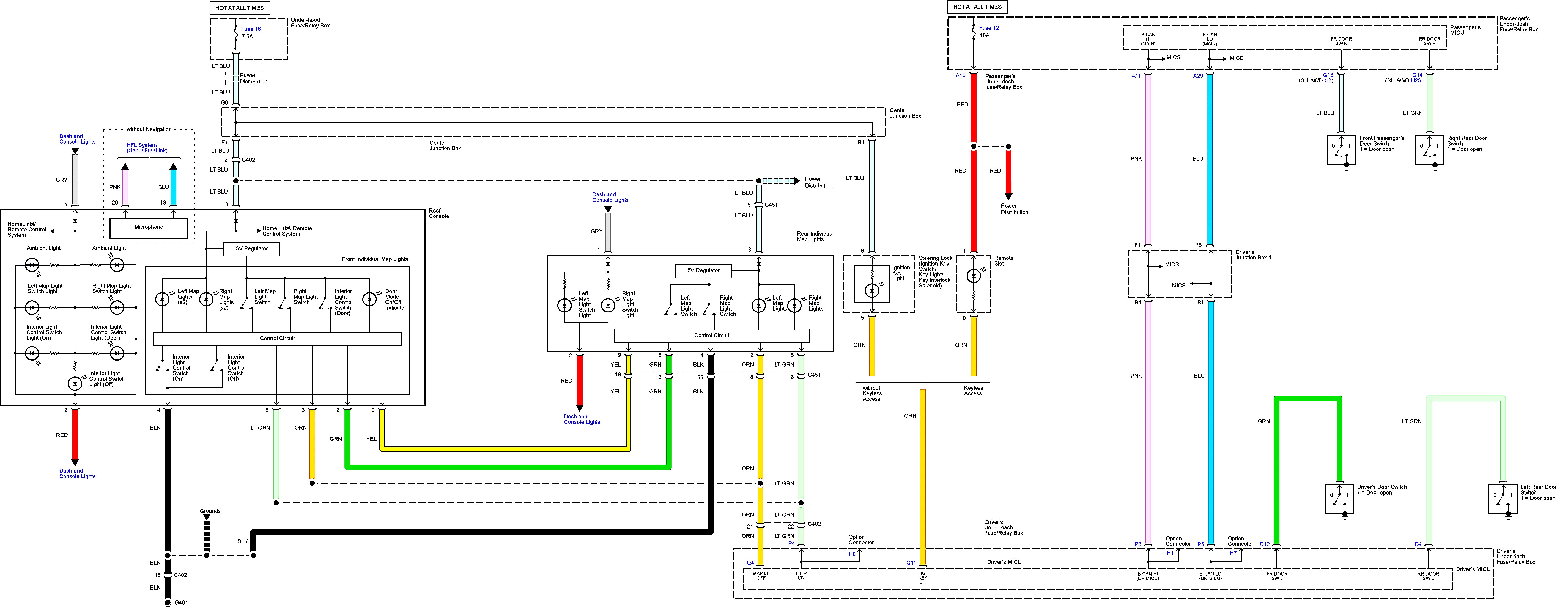
Key lamp

key lamp
WARNING: Terminal and harness assignments for individual connectors will vary depending on vehicle equipment level, model, and market.
Copyright © 2026 | MH Magazine WordPress Theme by MH Themes