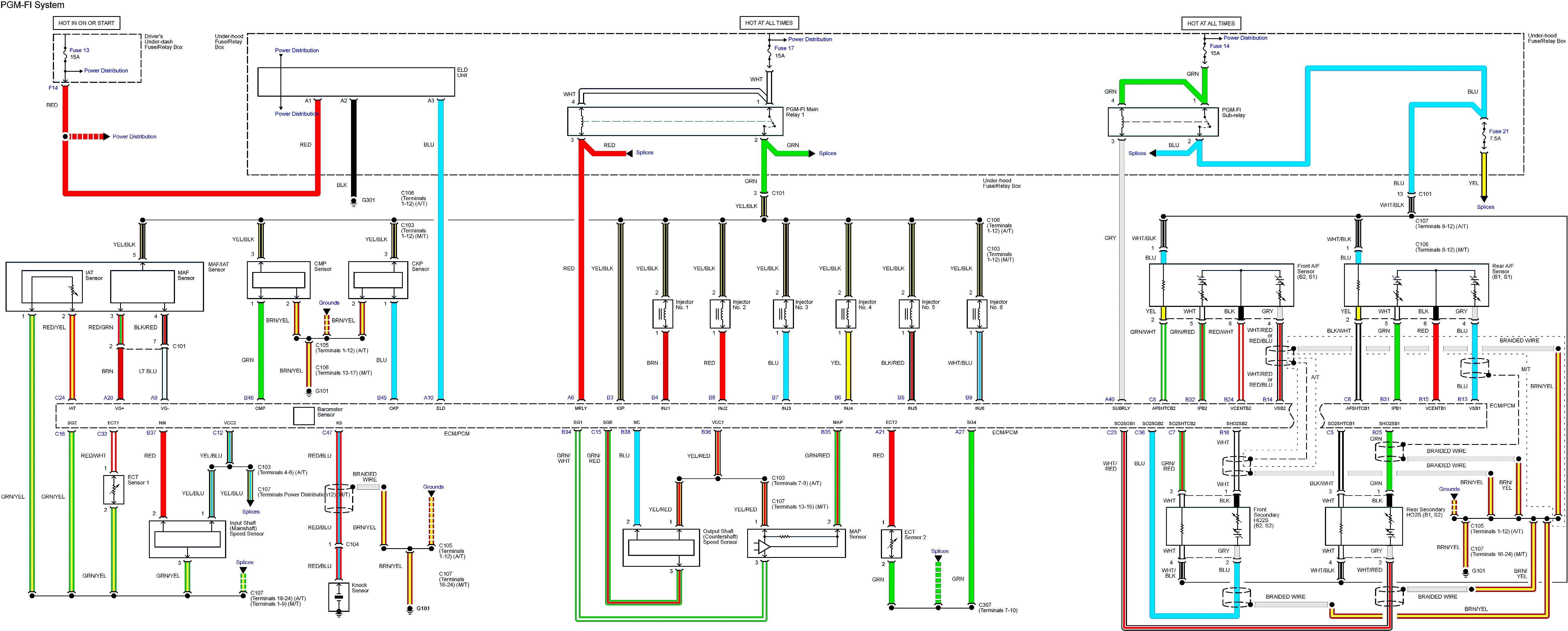
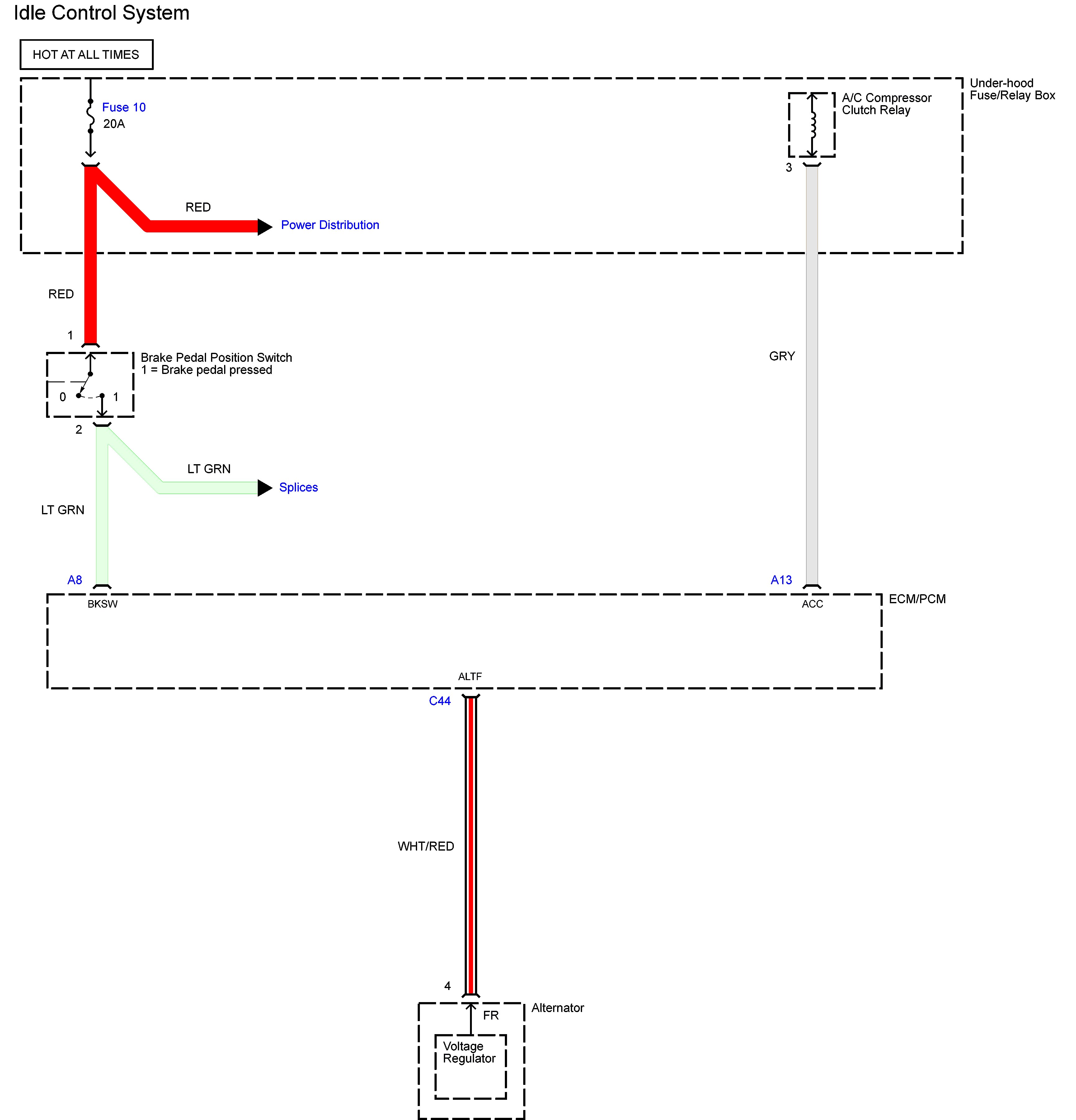
Acura TL (2013 – 2014) – wiring diagrams – fuel control
Year of productions: 2013, 2014
Fuel control
Version 1

Version 2

Version 3










WARNING: Terminal and harness assignments for individual connectors will vary depending on vehicle equipment level, model, and market.
