Acura TL (2013 – 2014) – wiring diagrams – battery
Year of productions: 2013, 2014
Battery

battery (part 1)

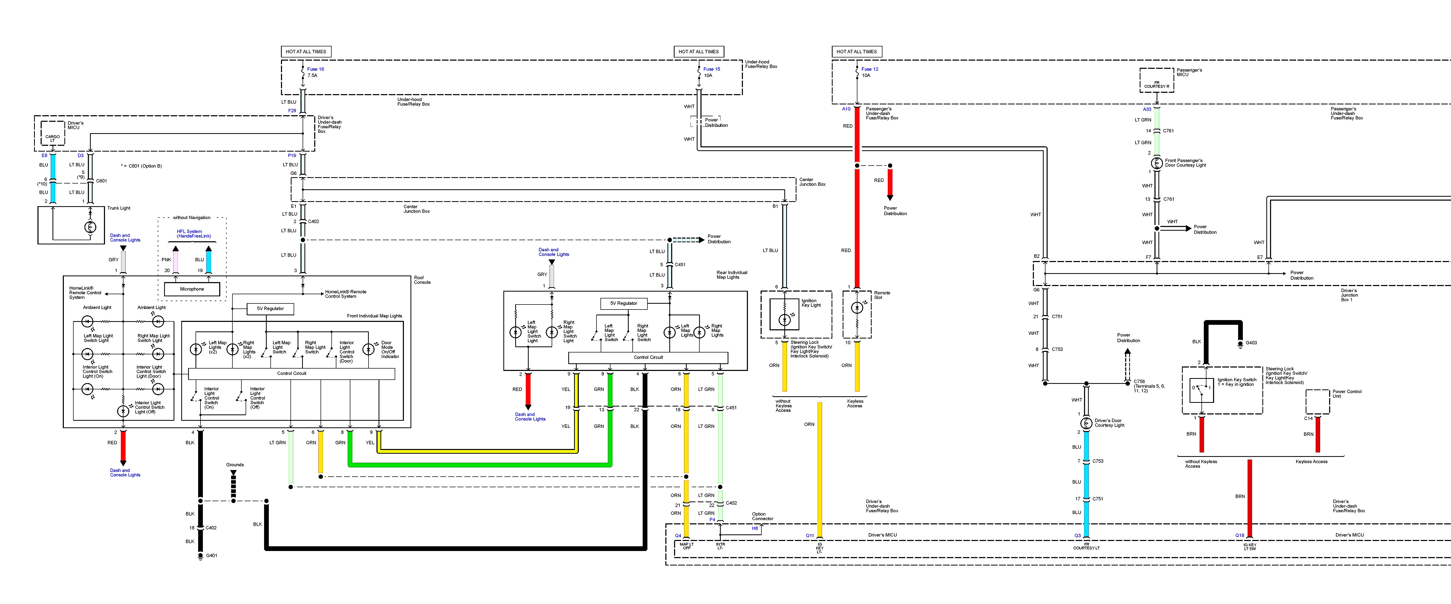
battery (part 2)
WARNING: Terminal and harness assignments for individual connectors will vary depending on vehicle equipment level, model, and market.
