Acura TL (2011 – 2013) – wiring diagrams – power locks
Year of productions: 2011, 2012, 2013
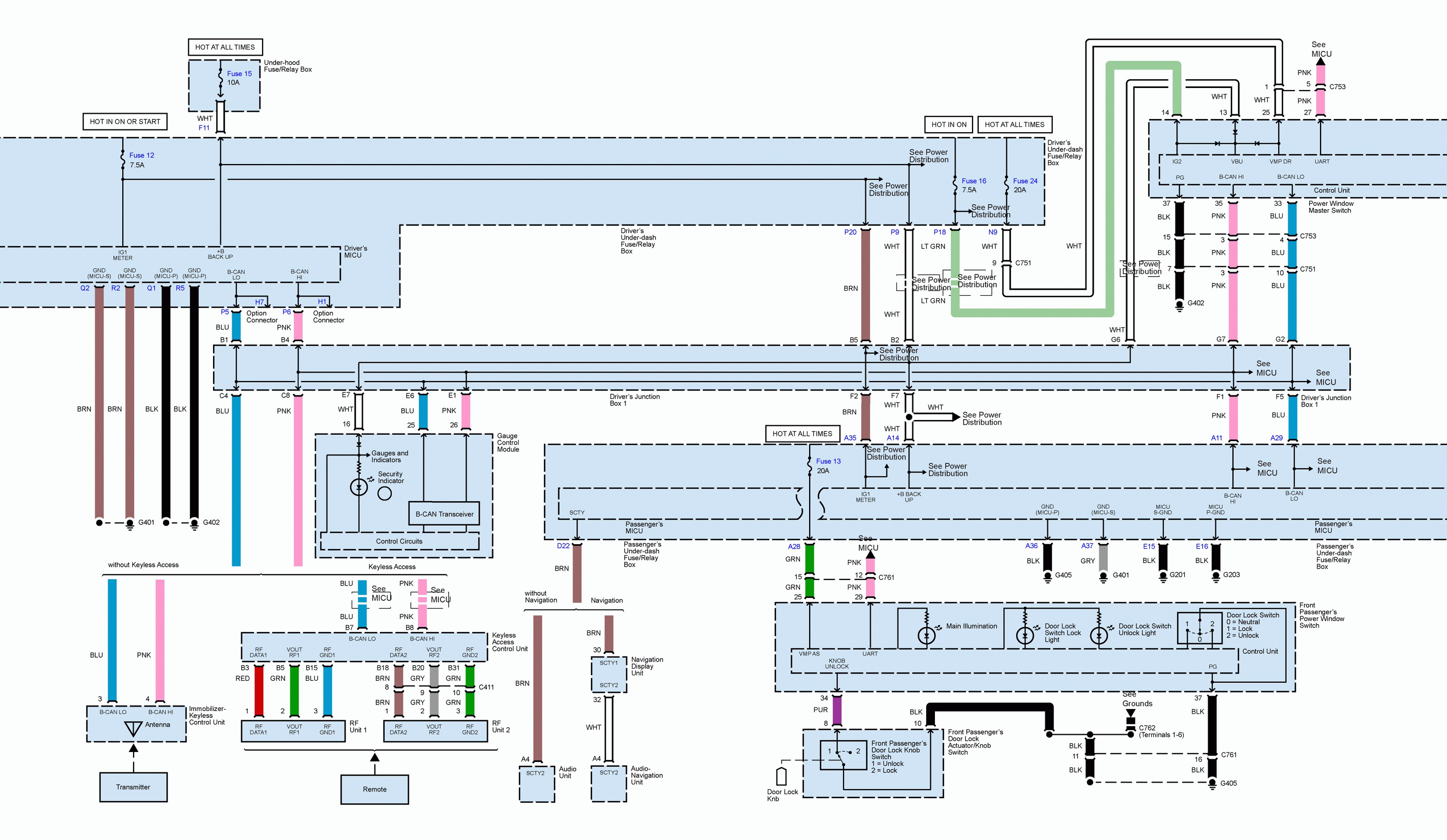
Power locks



WARNING: Terminal and harness assignments for individual connectors will vary depending on vehicle equipment level, model, and market.
Year of productions: 2011, 2012, 2013



WARNING: Terminal and harness assignments for individual connectors will vary depending on vehicle equipment level, model, and market.
Copyright © 2026 | MH Magazine WordPress Theme by MH Themes