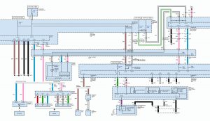
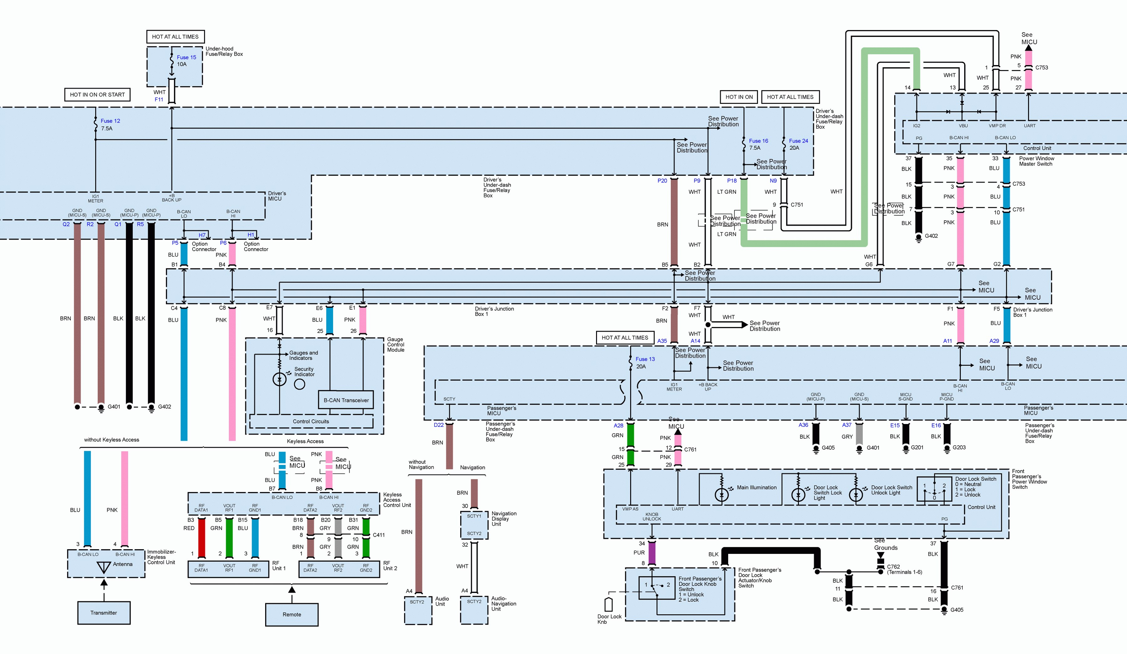
Acura TL (2011 – 2013) – wiring diagrams – keyless entry
Year of productions: 2011, 2012, 2013
Keyless entry
Version 1



Version 2






WARNING: Terminal and harness assignments for individual connectors will vary depending on vehicle equipment level, model, and market.
