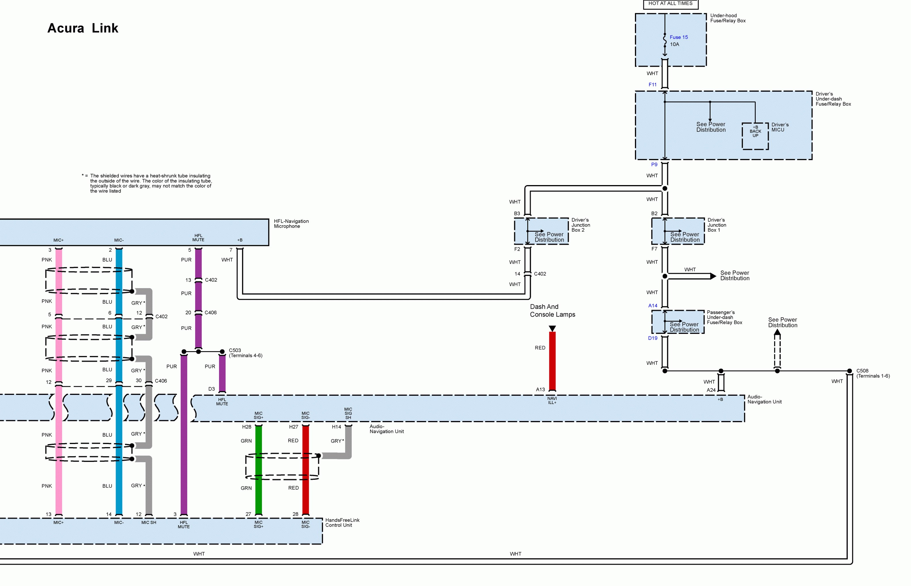
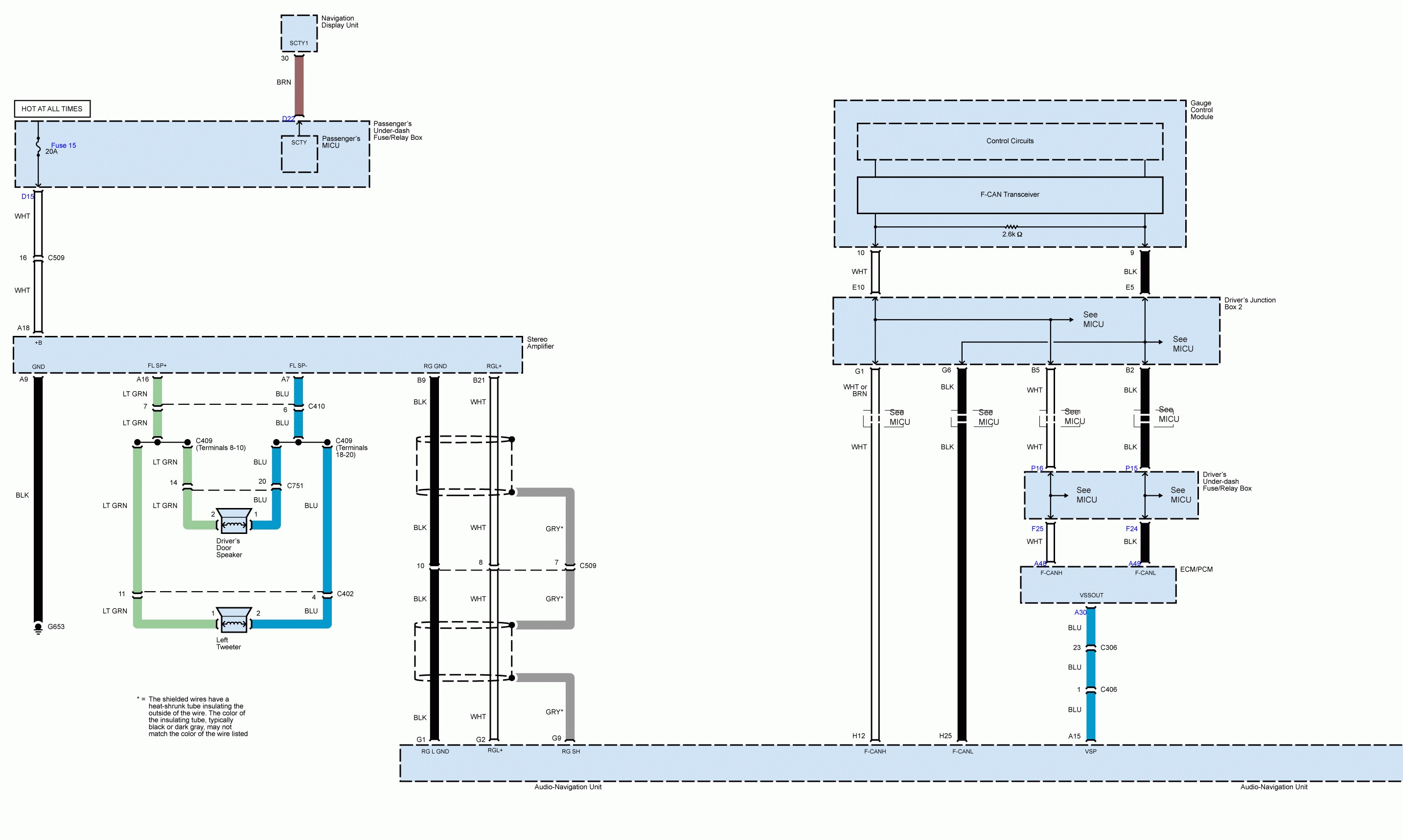
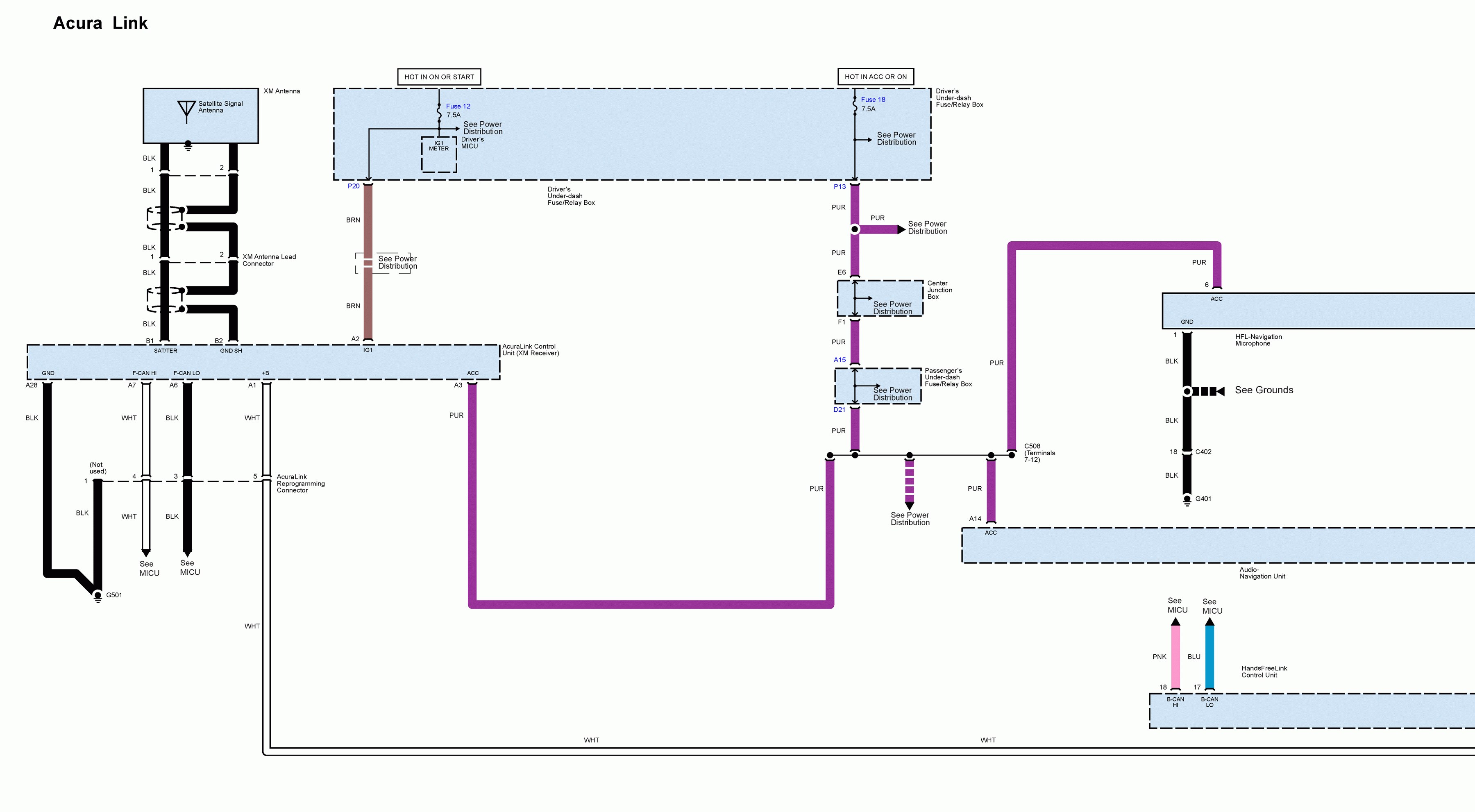
Acura TL (2011) – wiring diagram – navigation system
Year of productions: 2011
Navigation system
Version 1






Version 2






WARNING: Terminal and harness assignments for individual connectors will vary depending on vehicle equipment level, model, and market.
