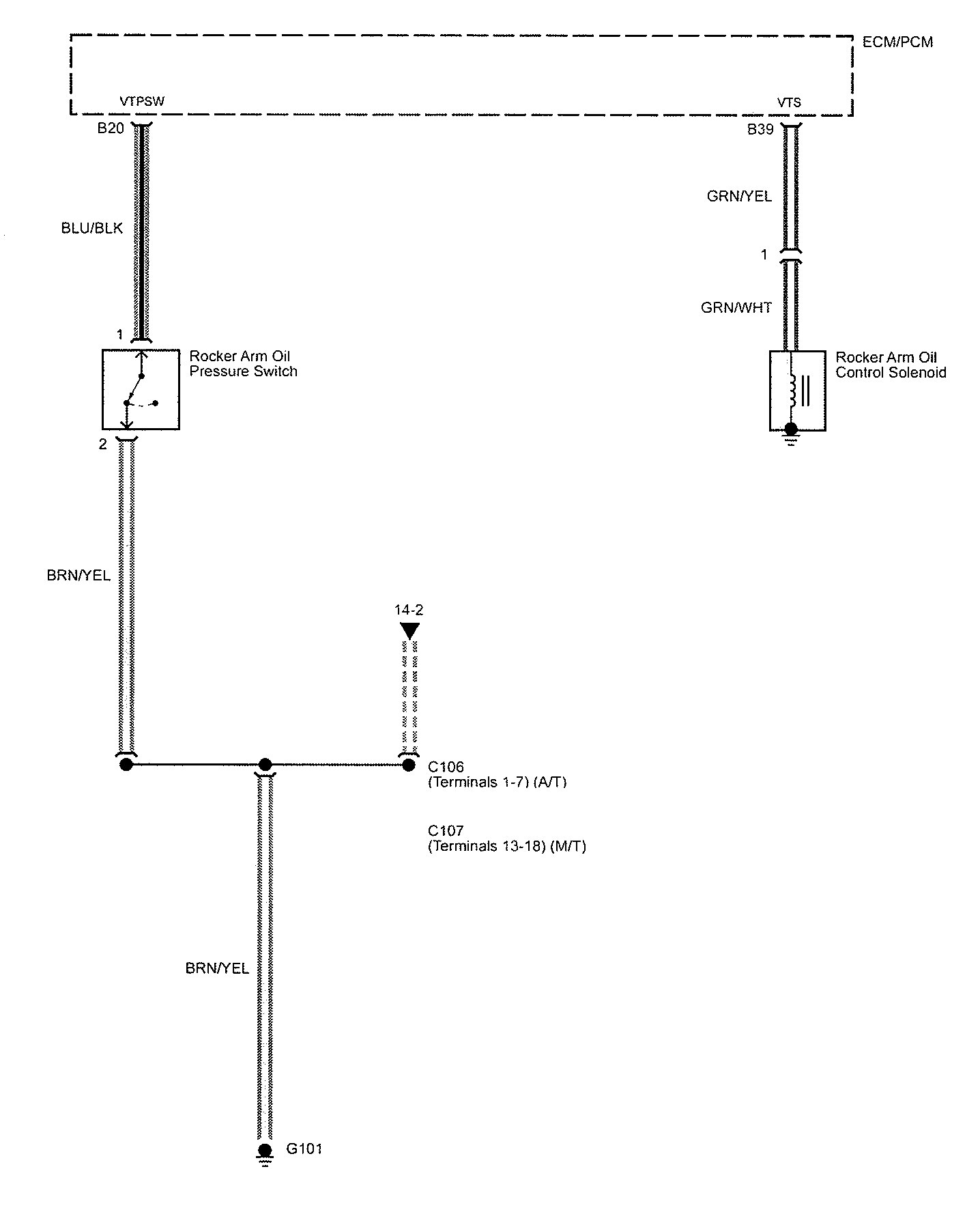
Acura TL (2009) – wiring diagrams – variable timing electronic control
Year of productions: 2009
Variable timing electronic control

WARNING: Terminal and harness assignments for individual connectors will vary depending on vehicle equipment level, model, and market.
