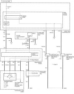
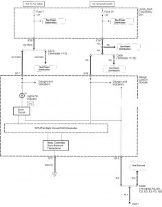
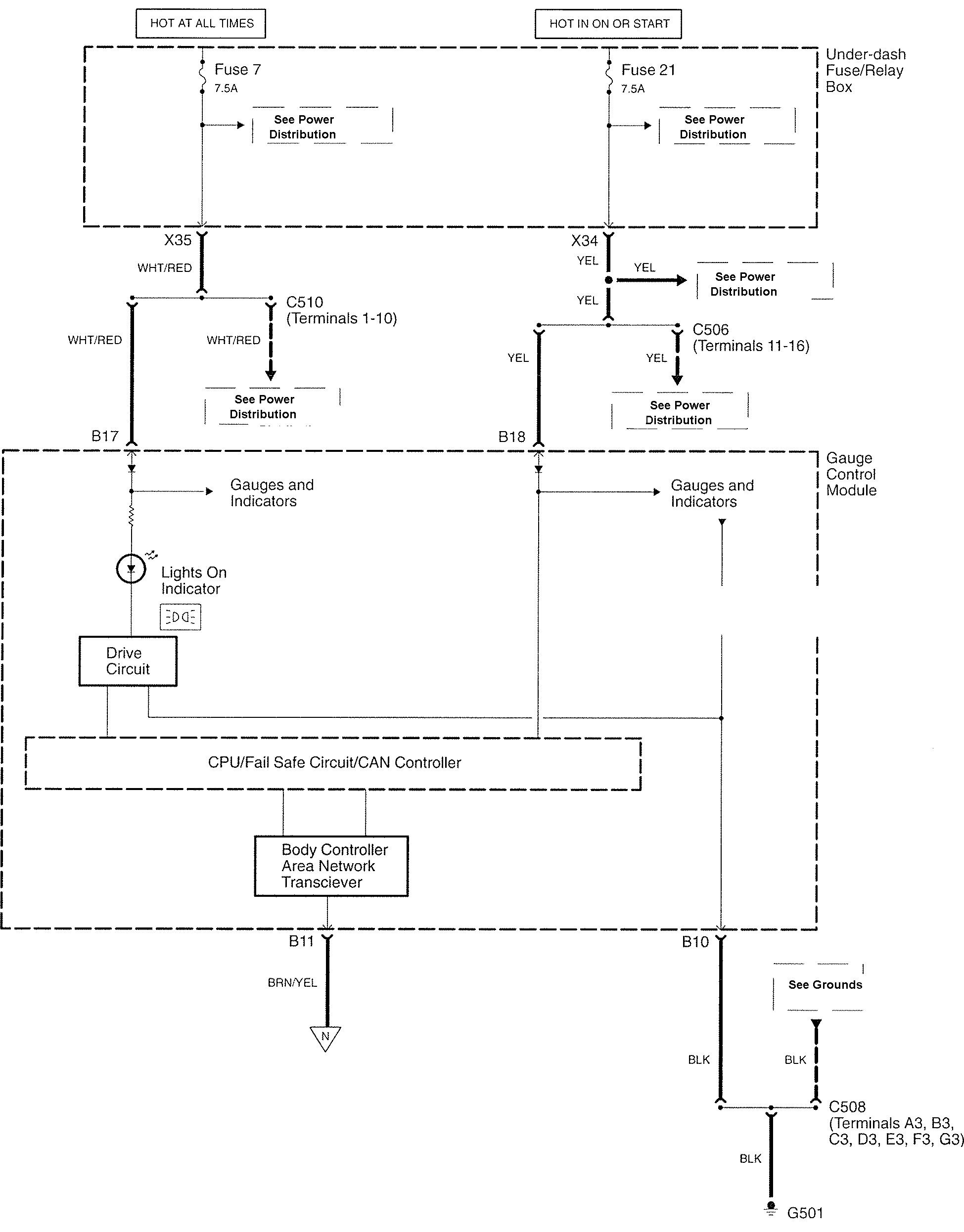
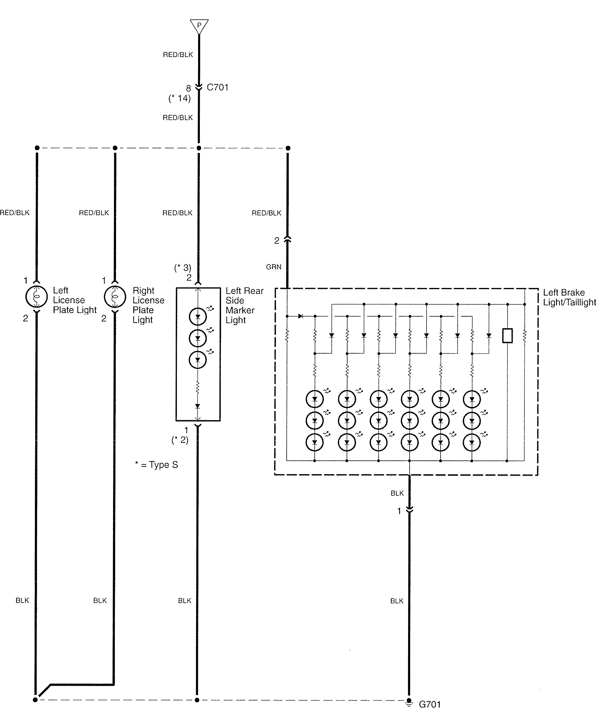
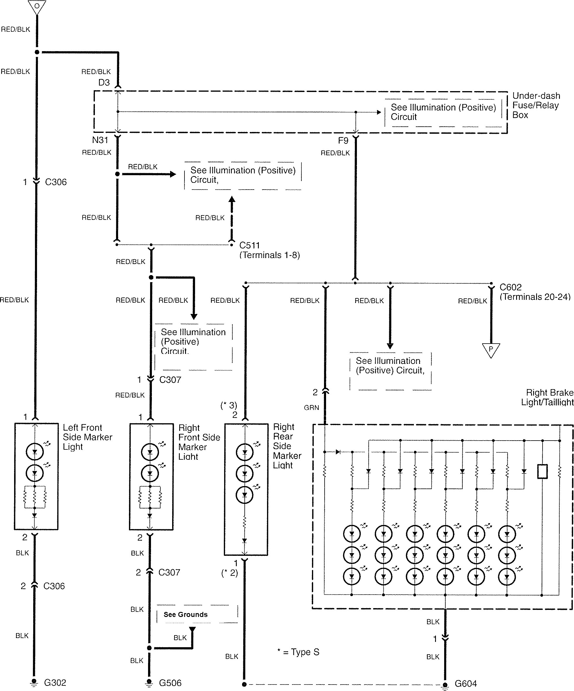
Acura TL (2007 – 2008) – wiring diagrams – side marker lamp
Year of productions: 2007, 2008
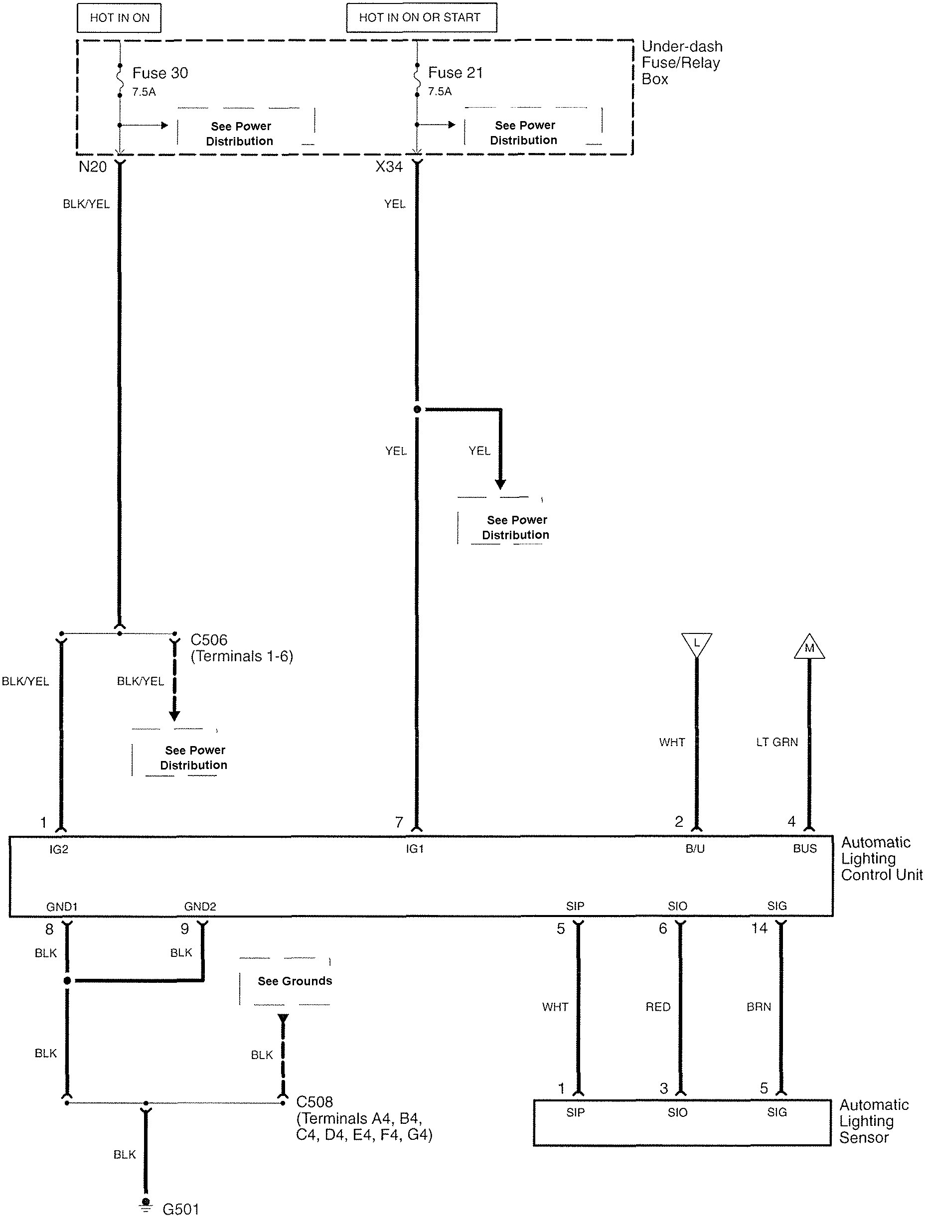
Side marker lamp





WARNING: Terminal and harness assignments for individual connectors will vary depending on vehicle equipment level, model, and market.
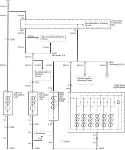
Year of productions: 2007, 2008





WARNING: Terminal and harness assignments for individual connectors will vary depending on vehicle equipment level, model, and market.
Copyright © 2026 | MH Magazine WordPress Theme by MH Themes