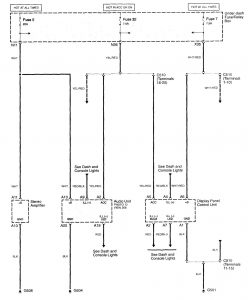
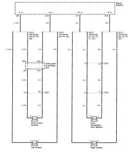
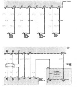
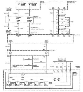
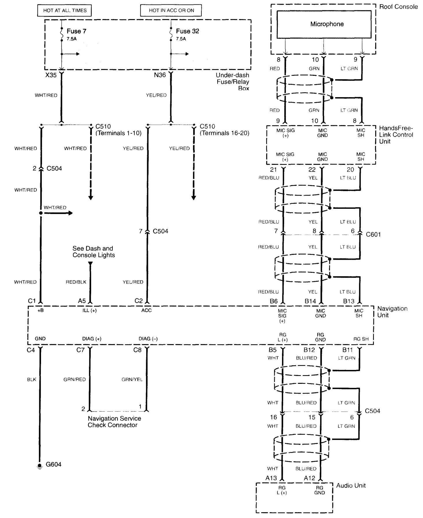
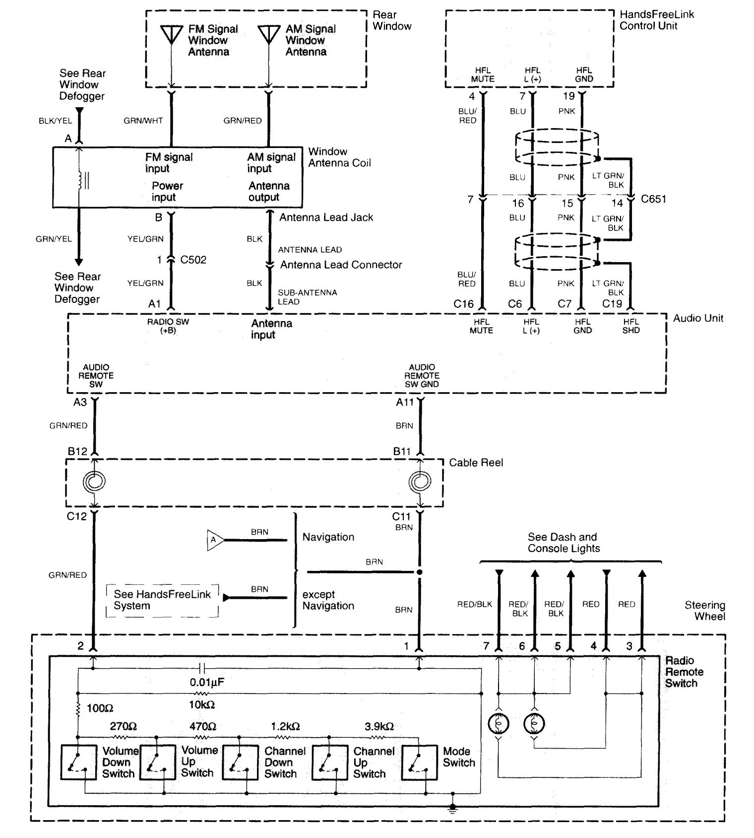
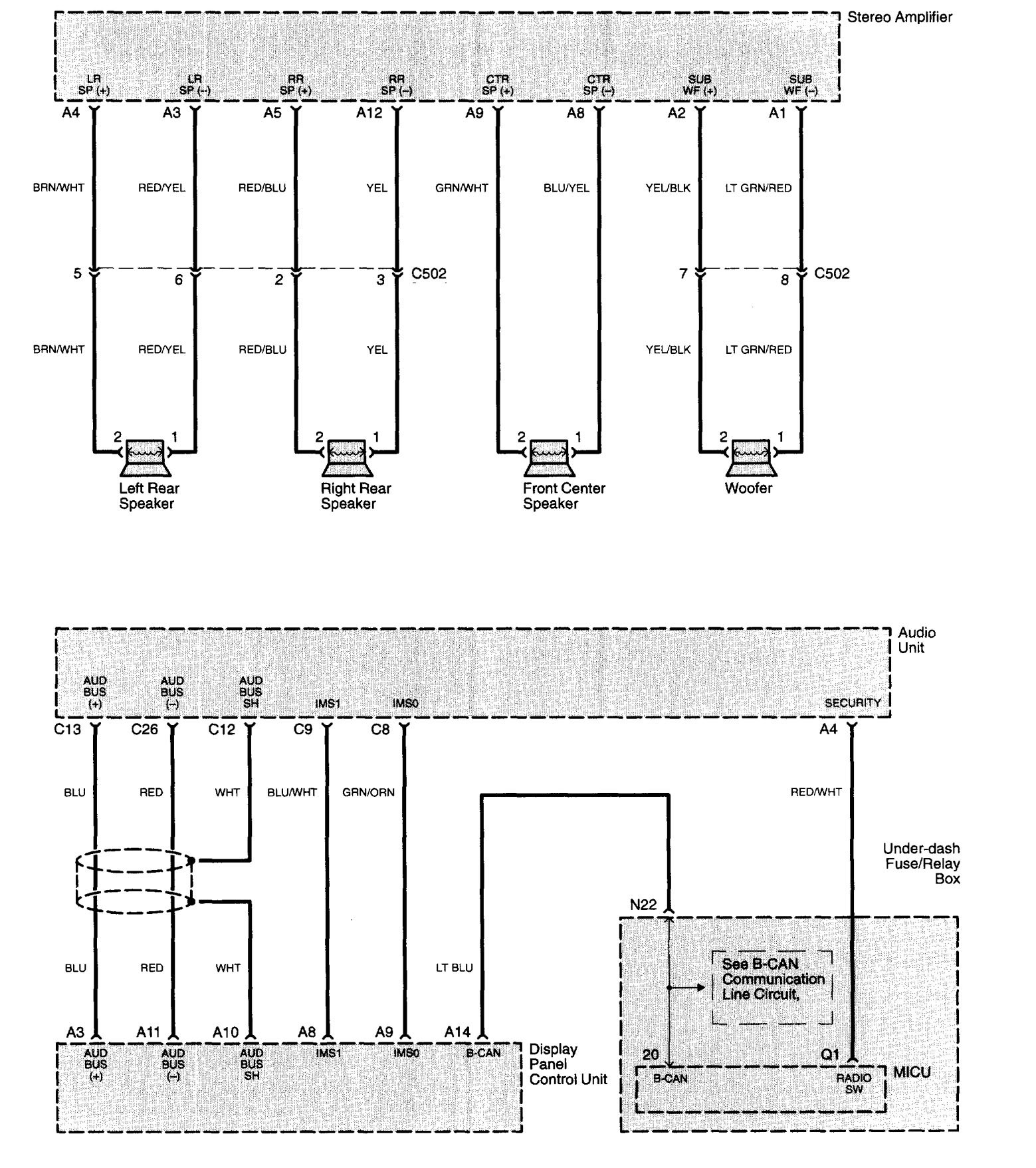
Acura TL (2003 – 2004) – wiring diagrams – audio
Year of productions: 2003, 2004
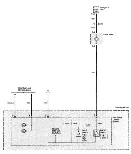
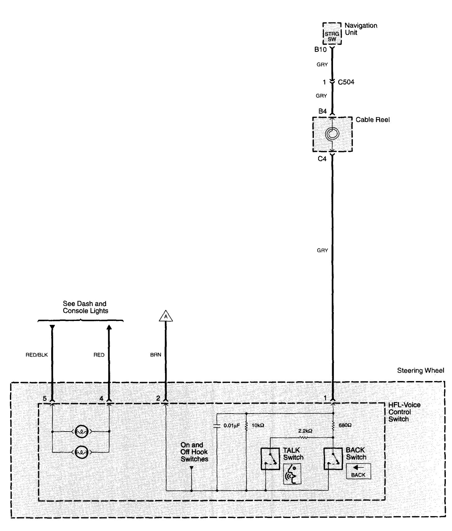
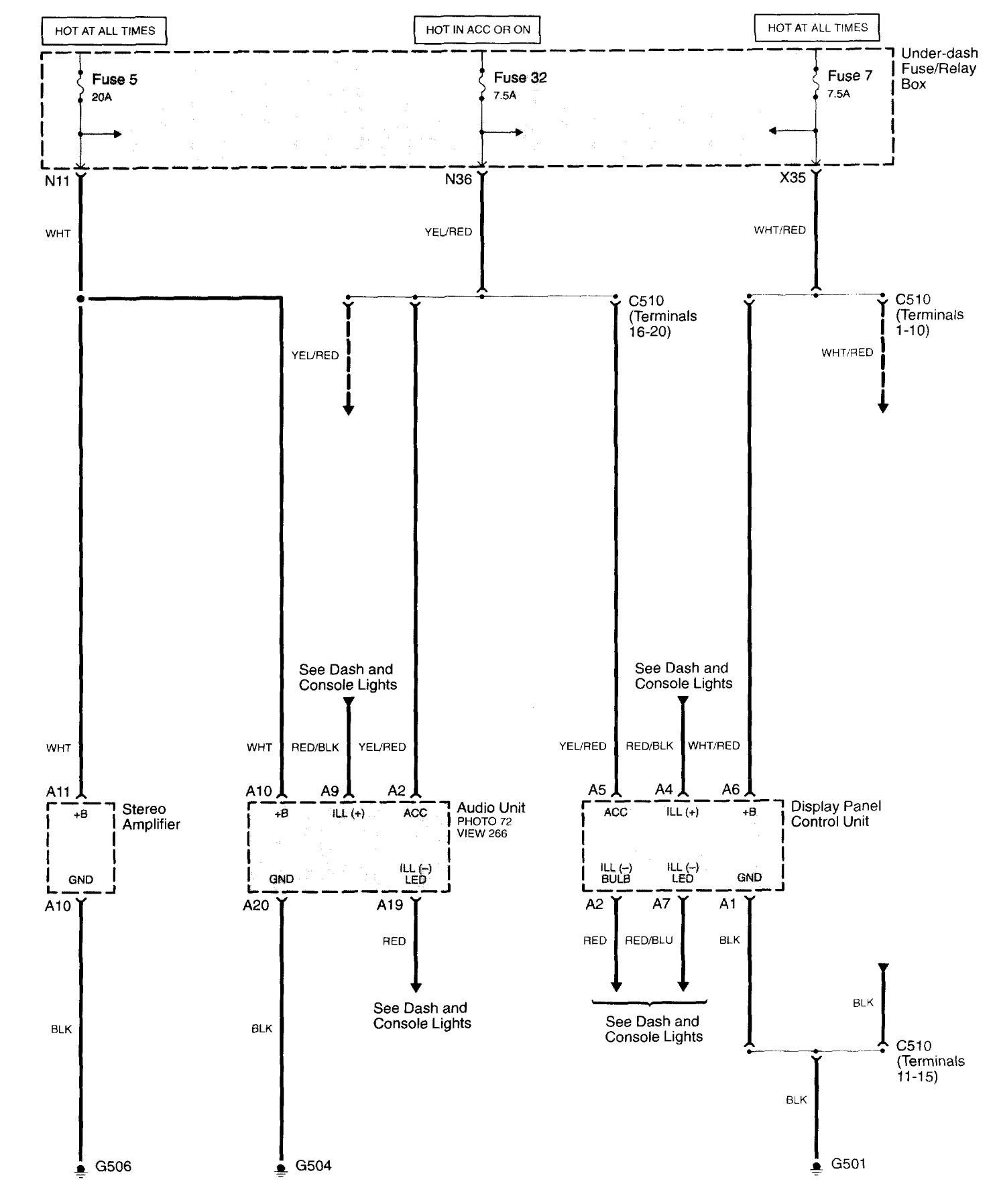
Audio
Version 1






Version 2



WARNING: Terminal and harness assignments for individual connectors will vary depending on vehicle equipment level, model, and market.
Year of productions: 2003, 2004









WARNING: Terminal and harness assignments for individual connectors will vary depending on vehicle equipment level, model, and market.
Copyright © 2026 | MH Magazine WordPress Theme by MH Themes