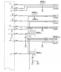
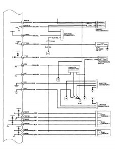
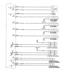
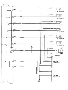
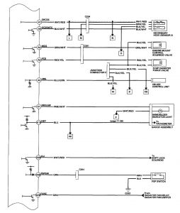
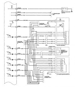
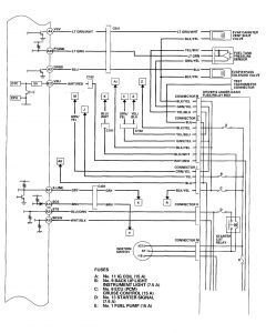
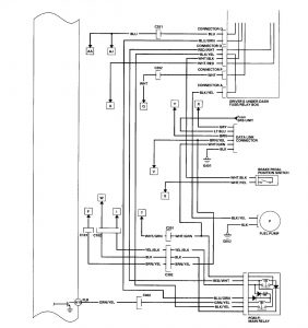
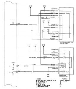
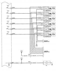
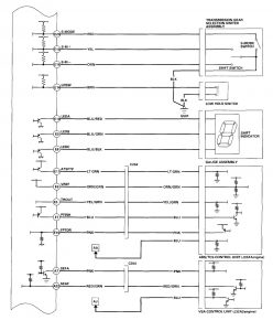
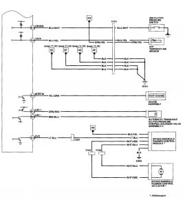
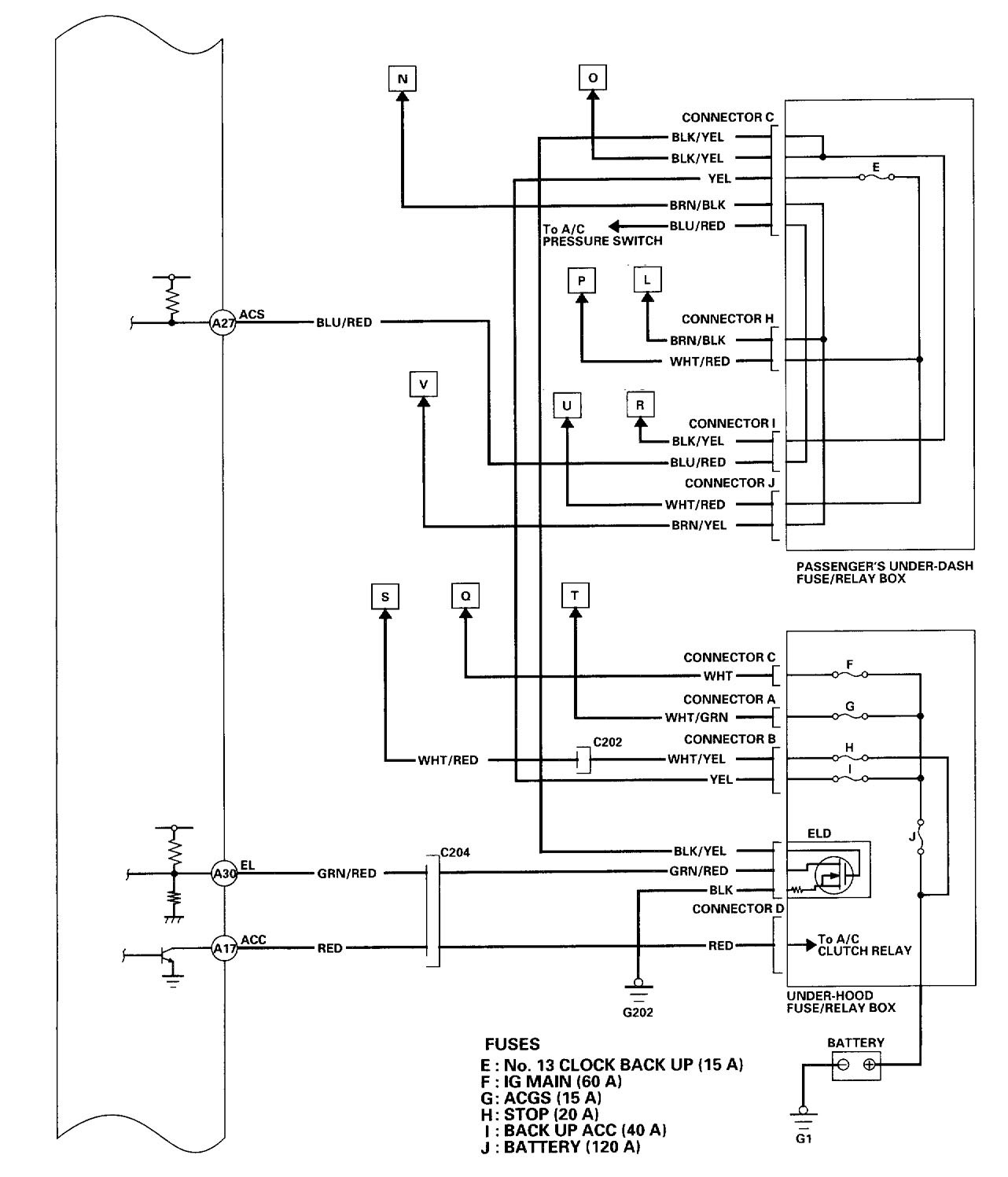
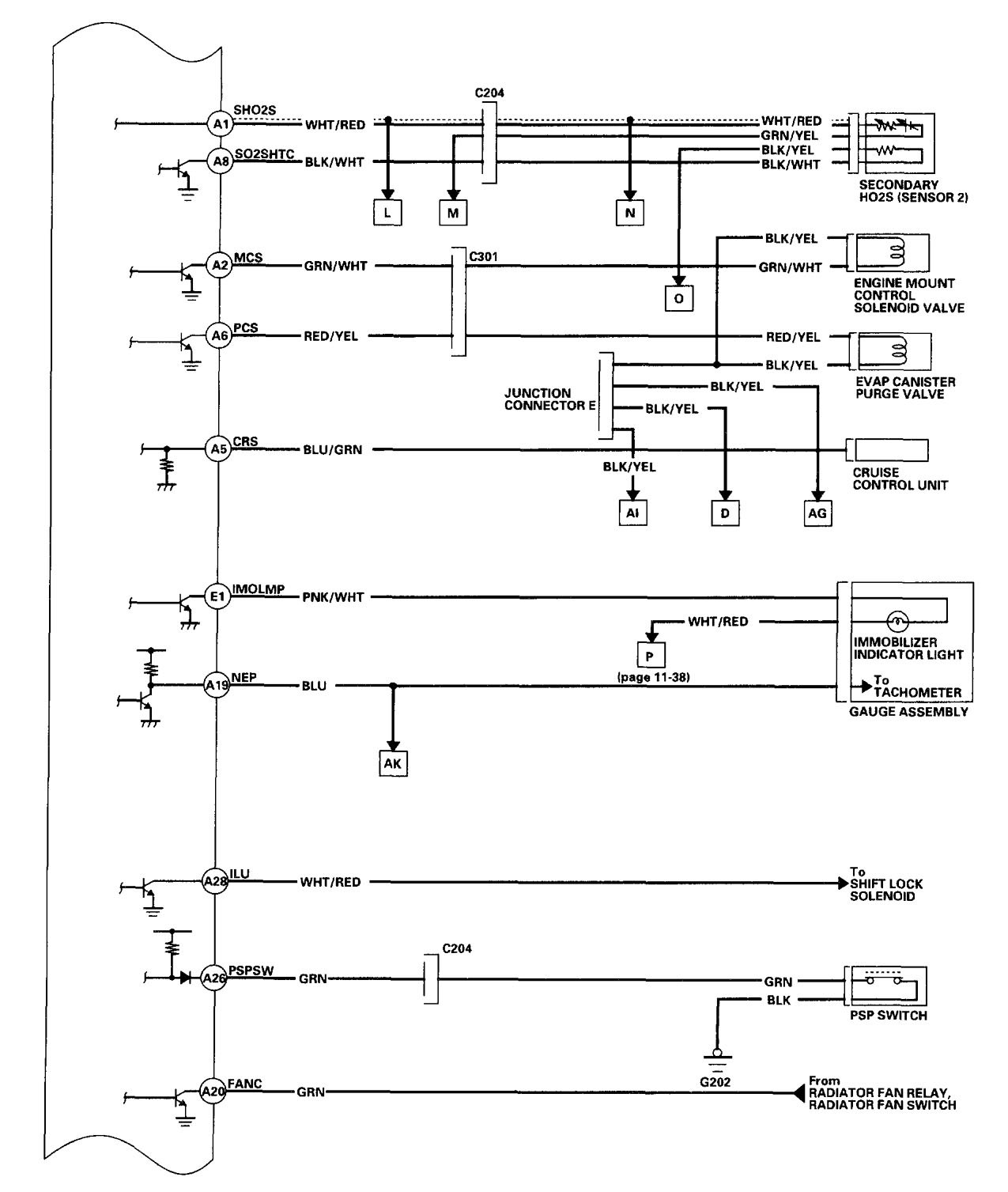
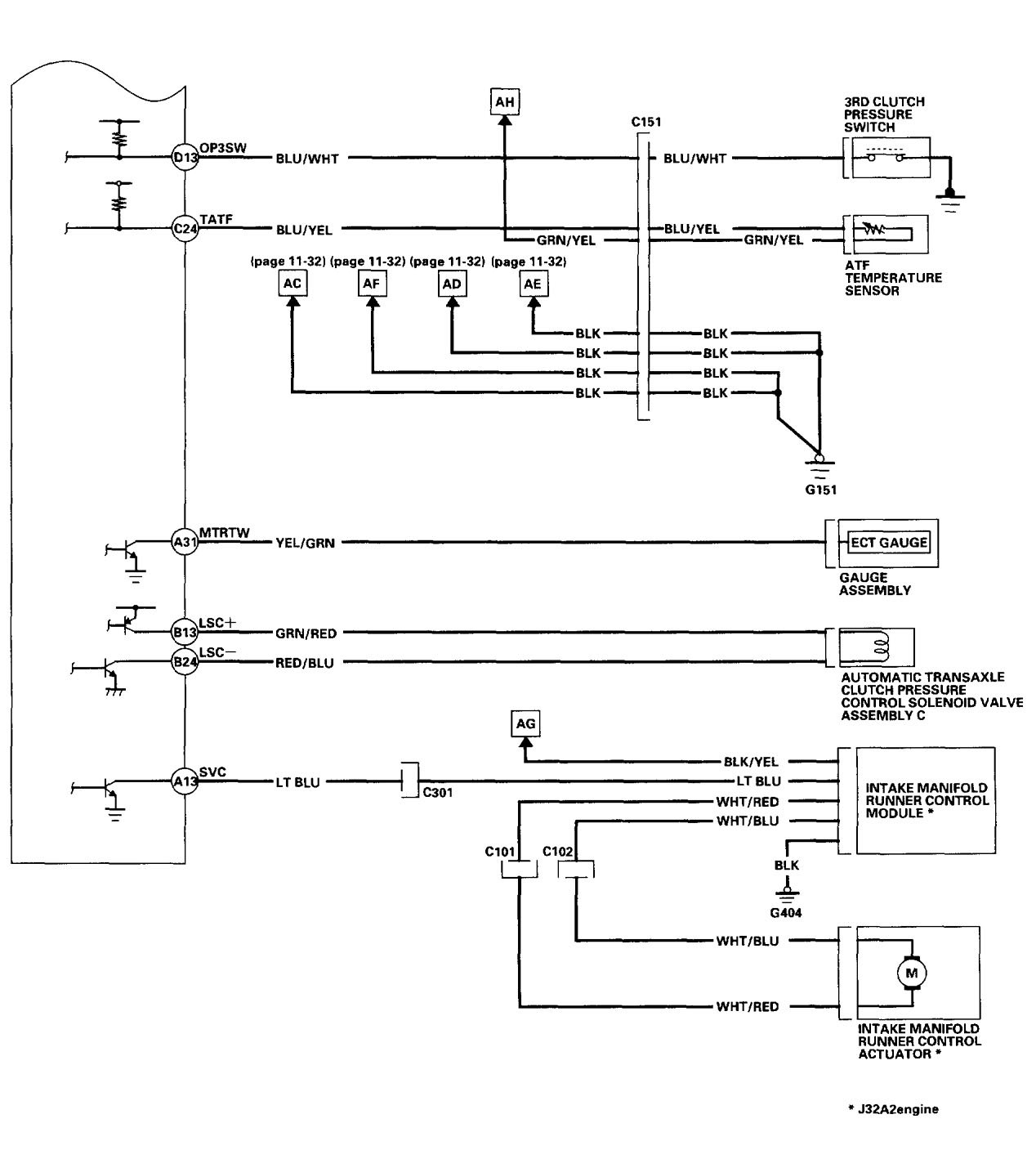
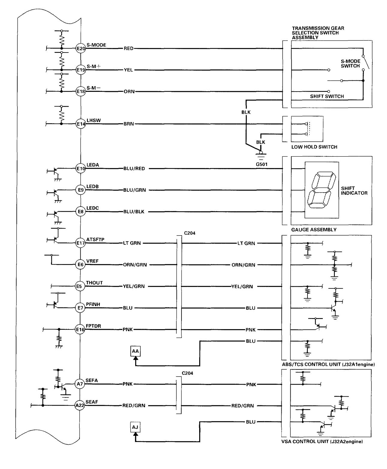
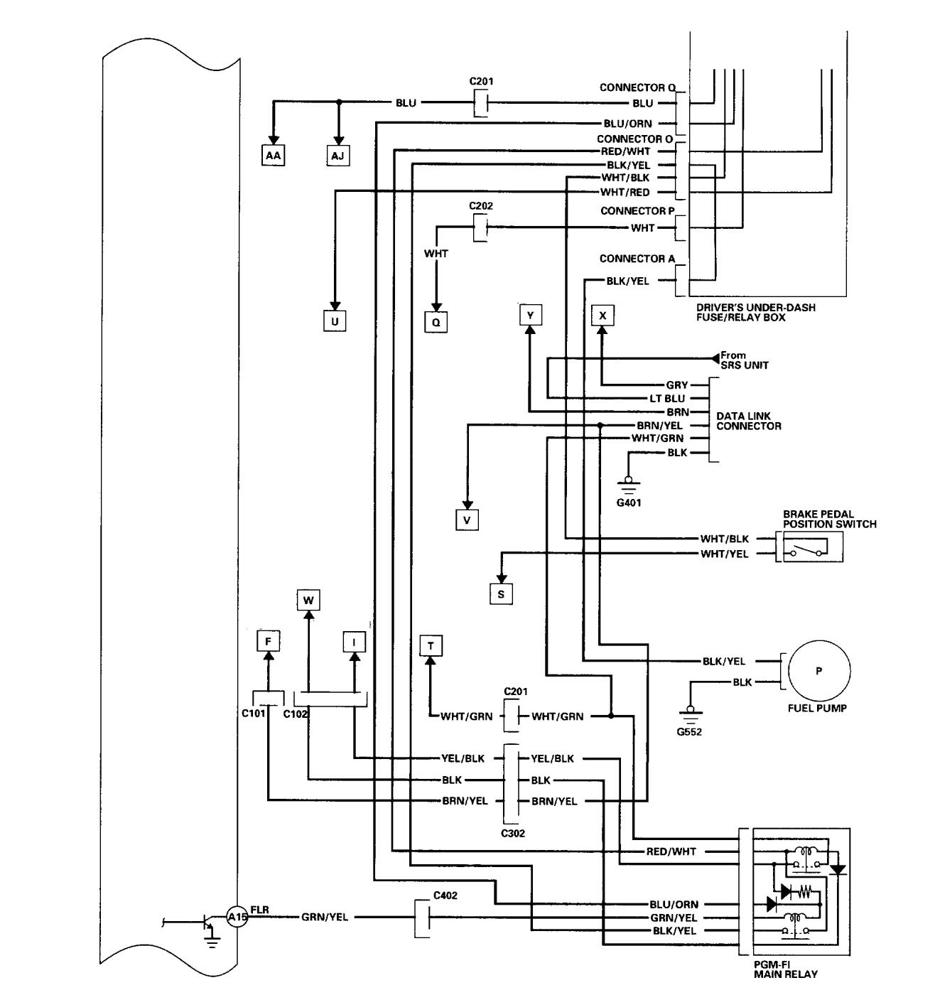
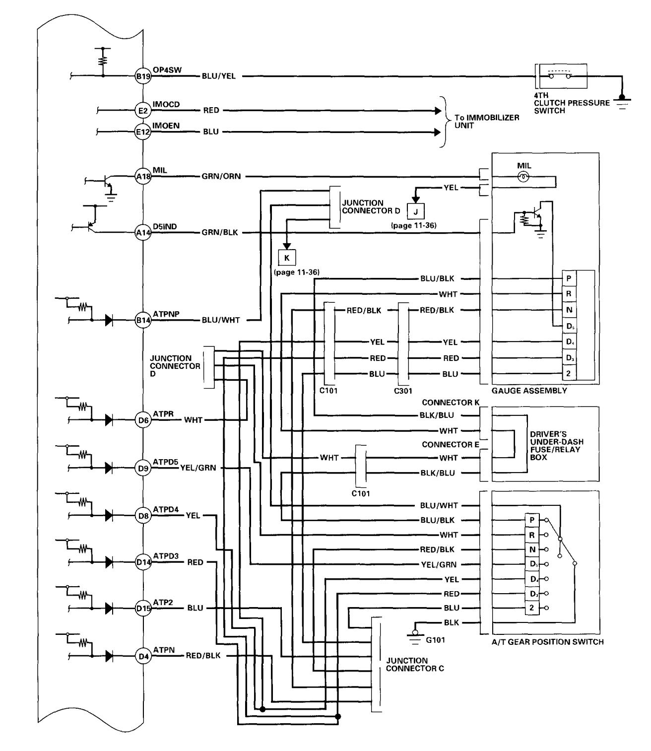
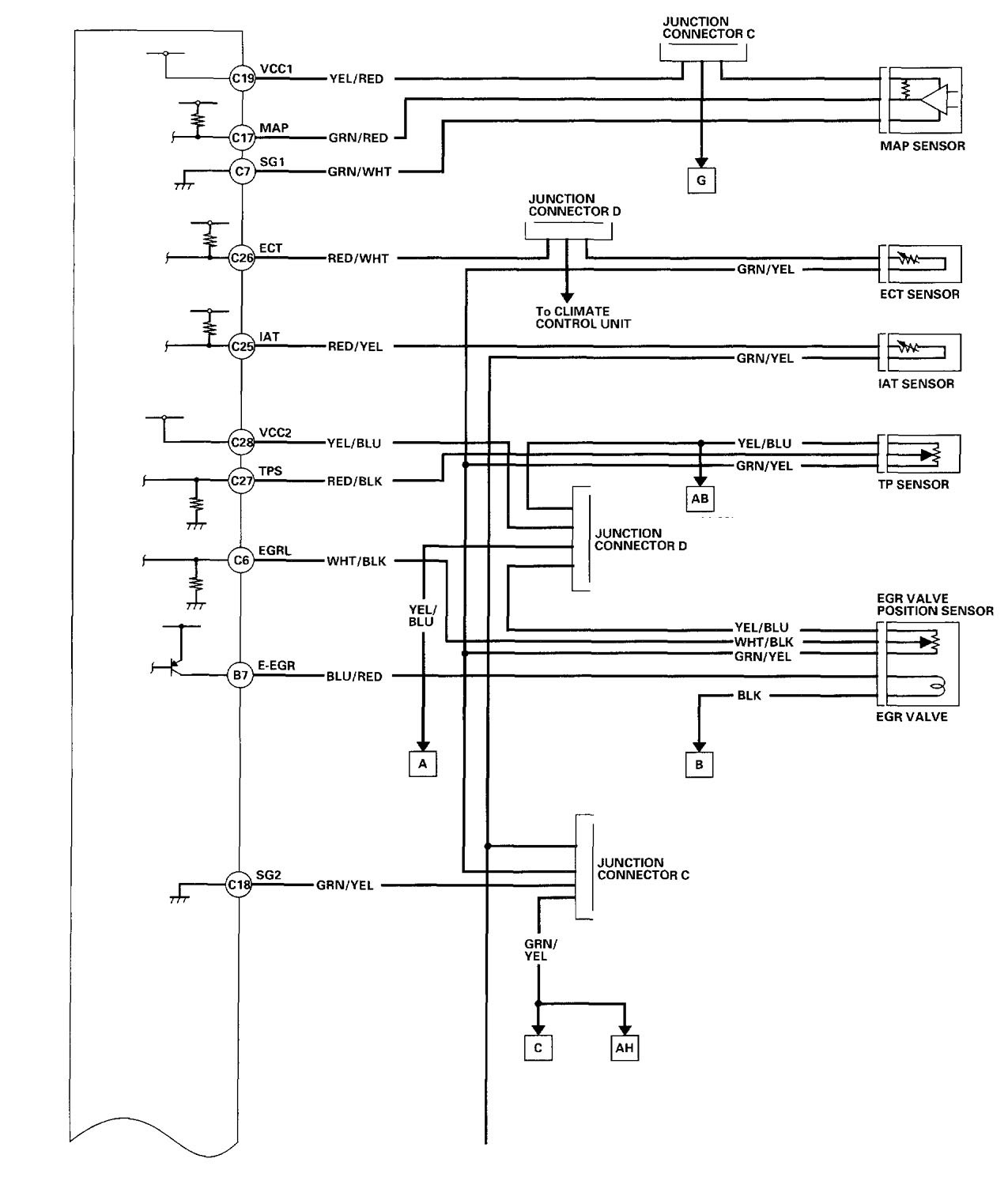
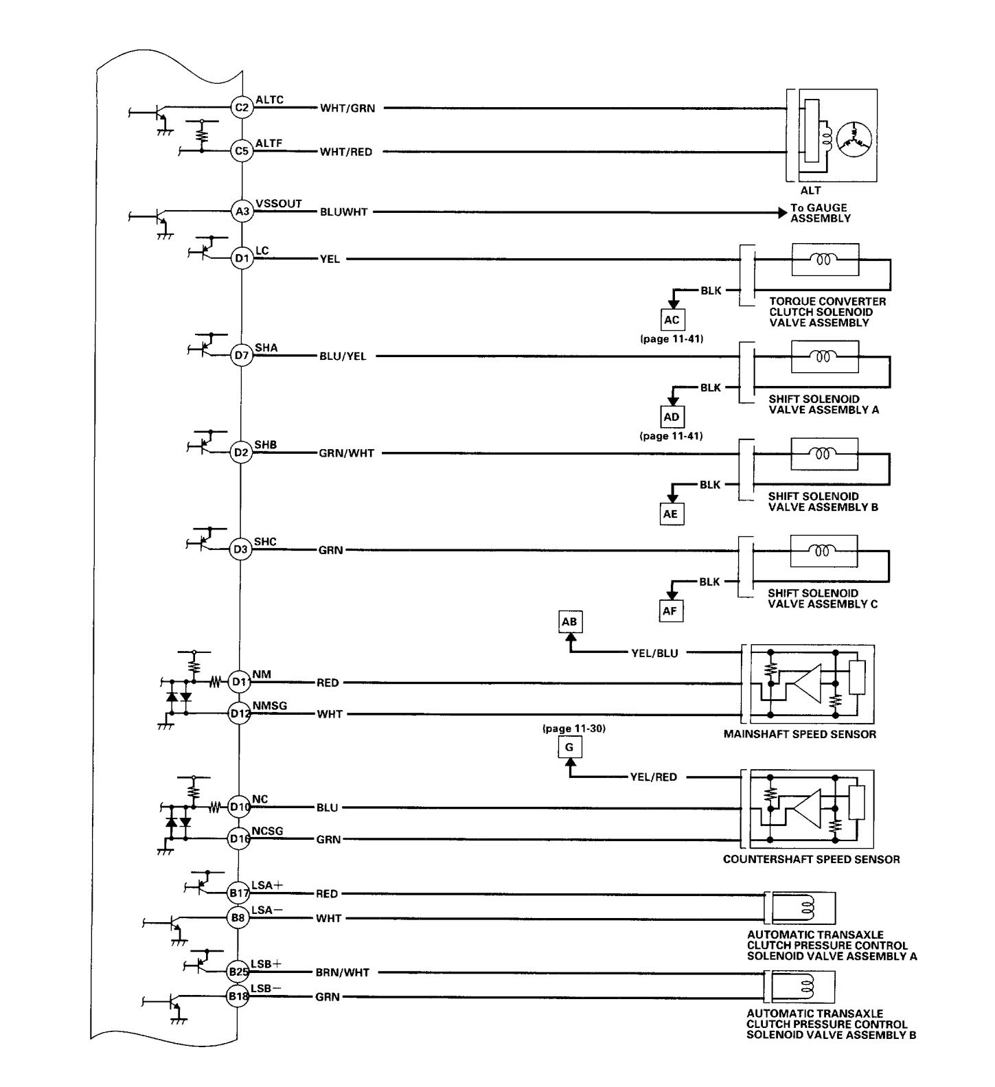
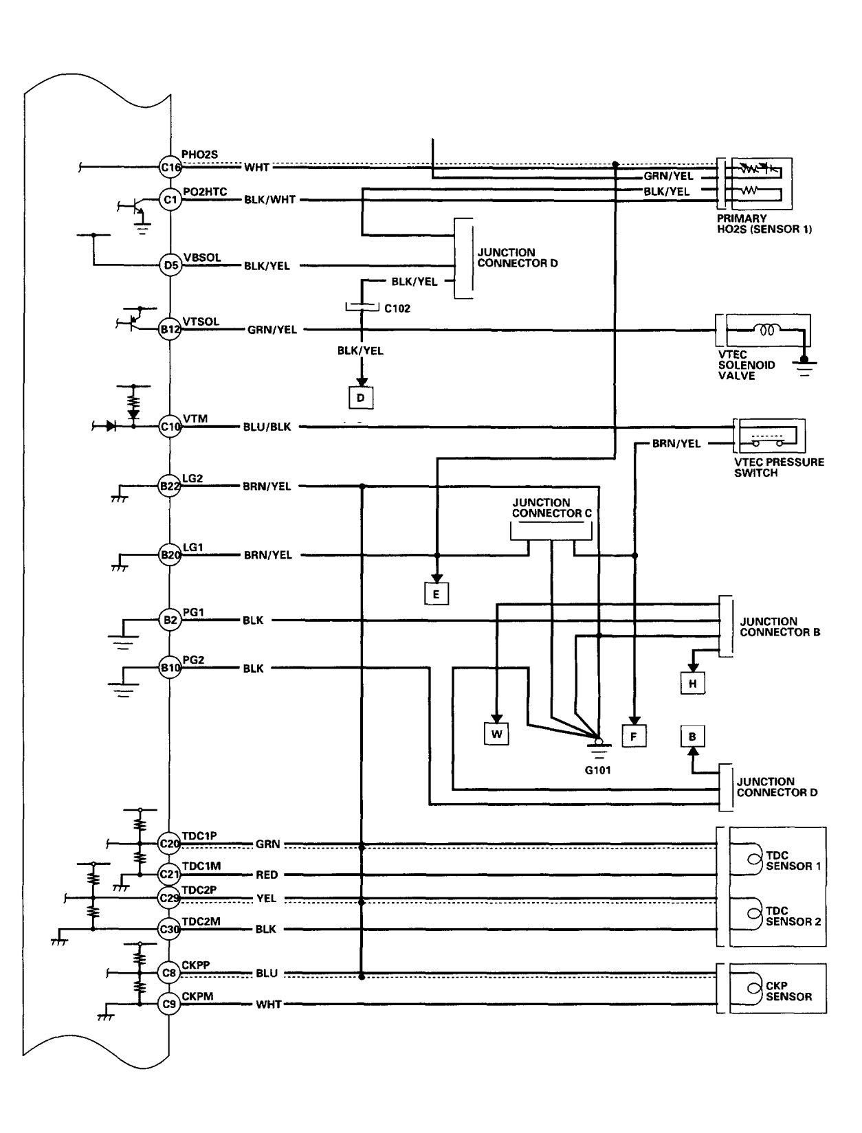
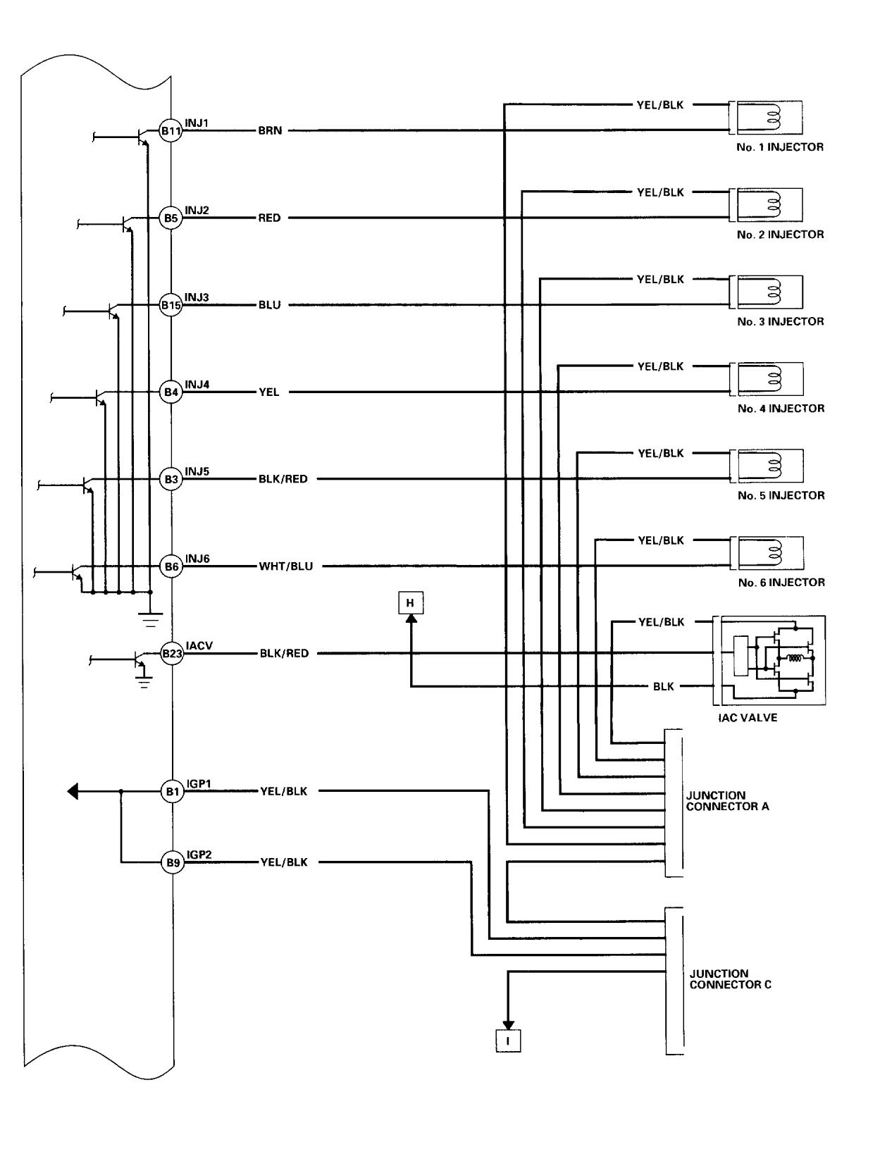
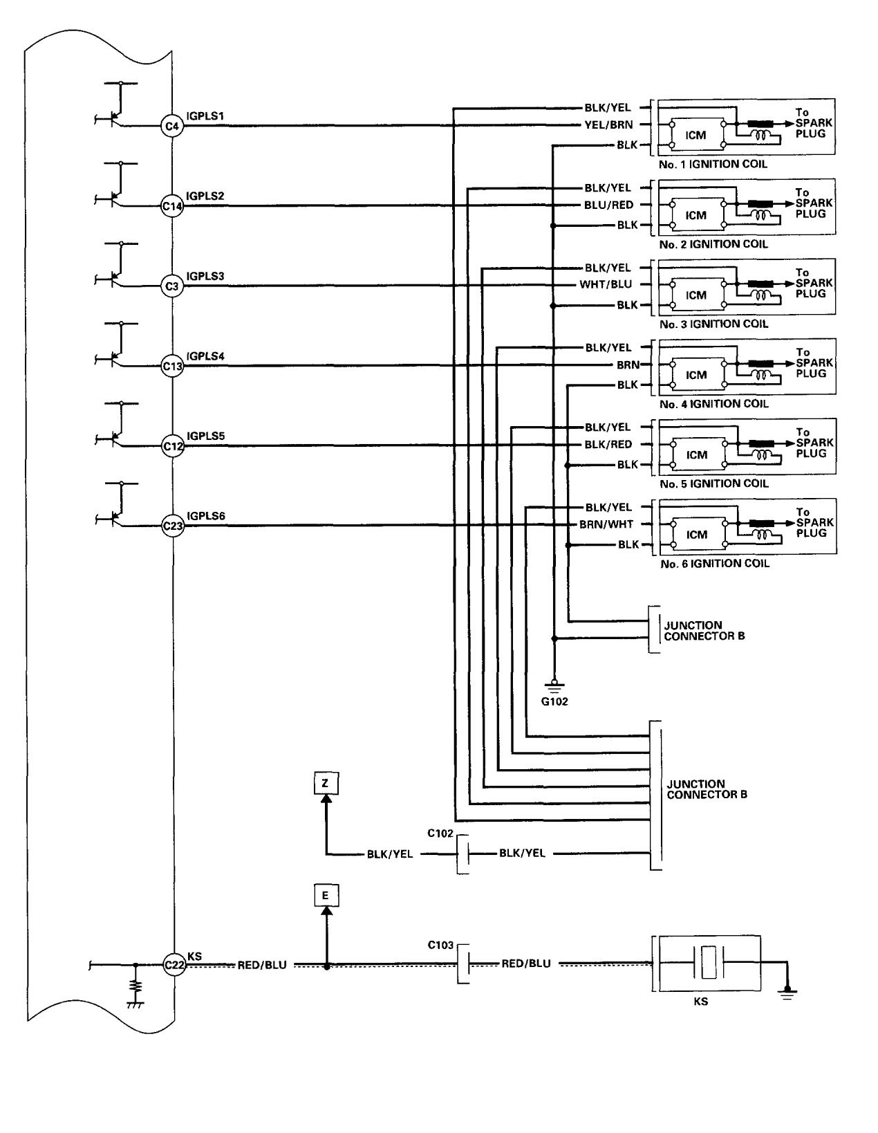
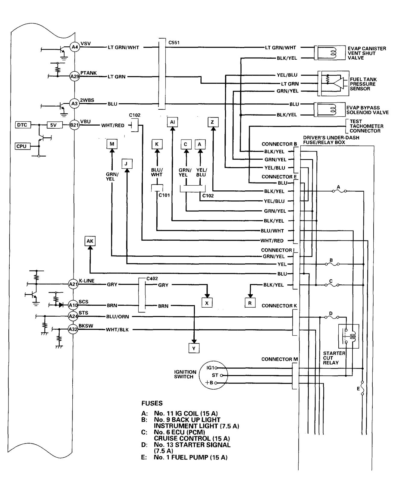
Acura TL (2002) – wiring diagrams – fuel control
Year of productions: 2002
Fuel control












WARNING: Terminal and harness assignments for individual connectors will vary depending on vehicle equipment level, model, and market.
Year of productions: 2002












WARNING: Terminal and harness assignments for individual connectors will vary depending on vehicle equipment level, model, and market.
Copyright © 2026 | MH Magazine WordPress Theme by MH Themes