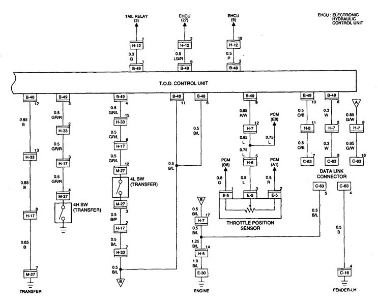
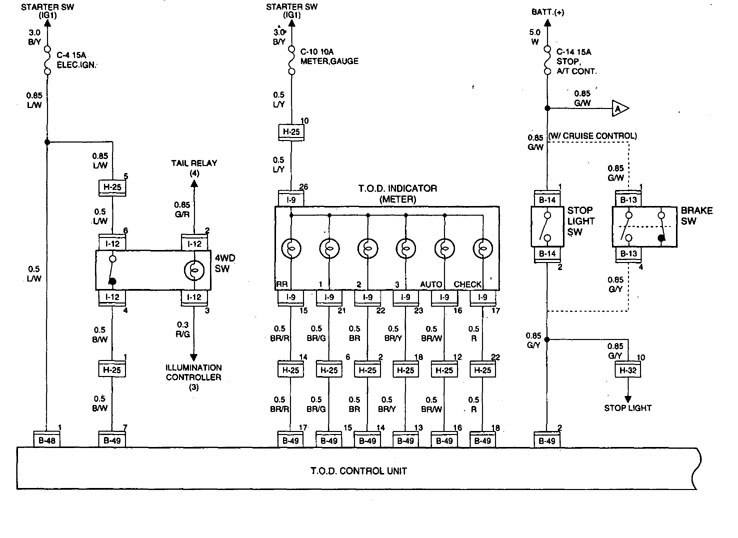
Acura SLX (1998 -1999) – wiring diagrams – transfer case controls
Year of productions: 1998, 1999
Transfer case controls



WARNING: Terminal and harness assignments for individual connectors will vary depending on vehicle equipment level, model, and market.
