Acura RL (2011) – wiring diagrams – exterior lighting
Year of productions: 2011
Exterior lighting
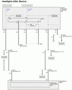
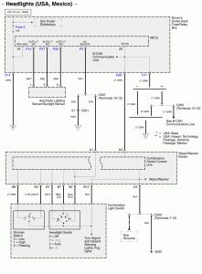
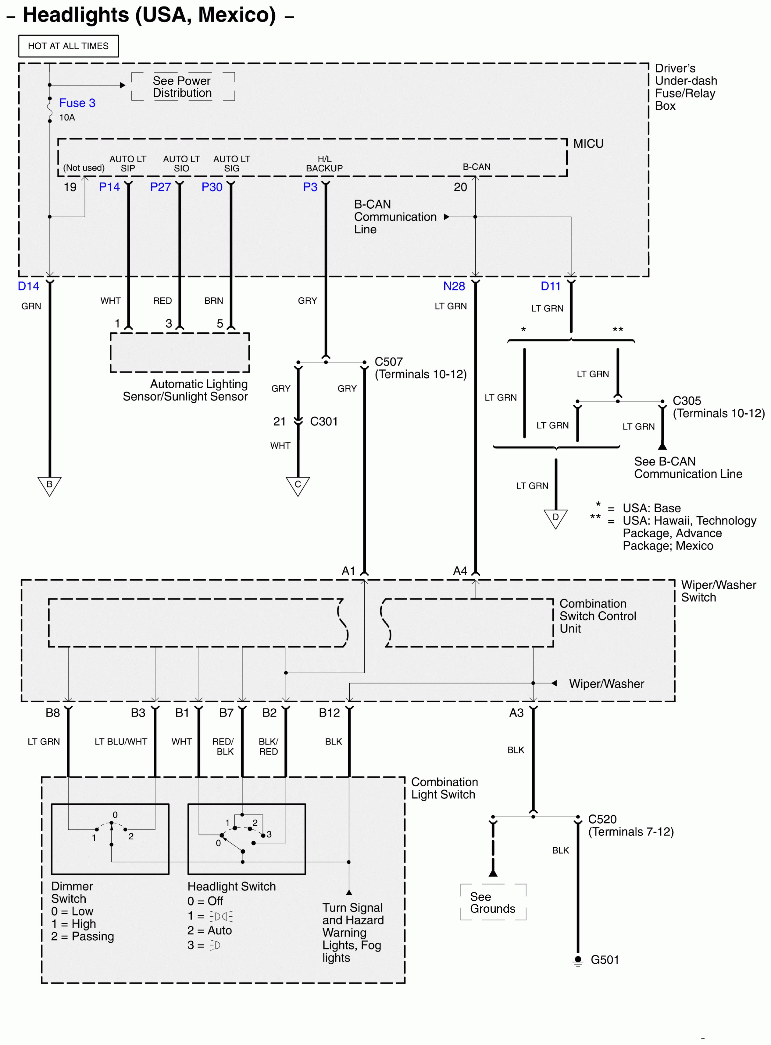
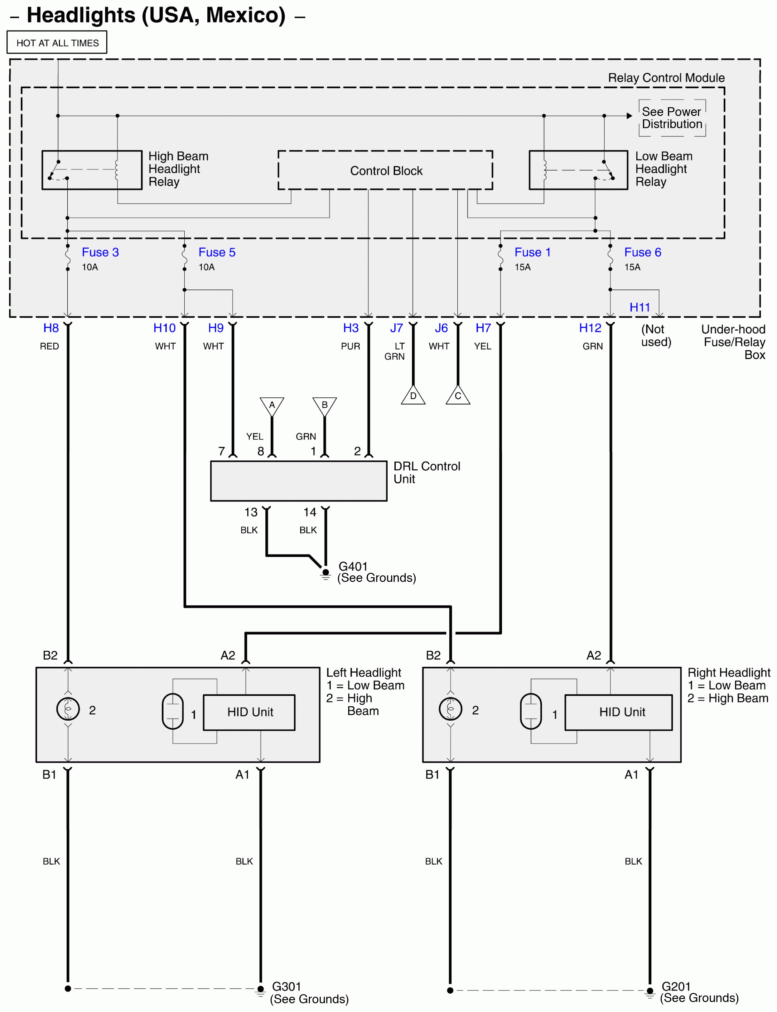
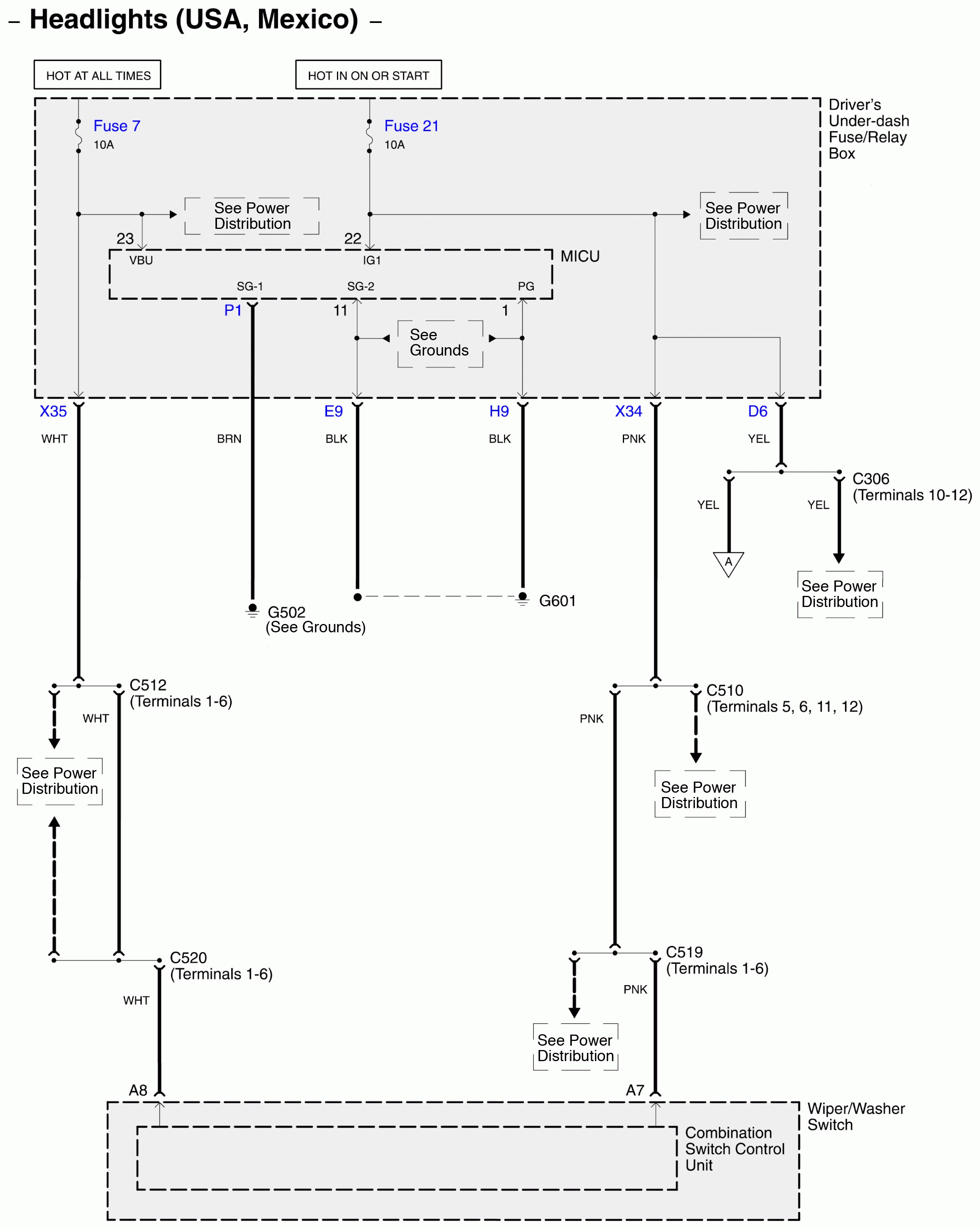
Headlights



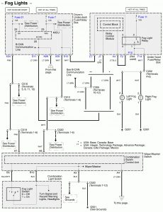
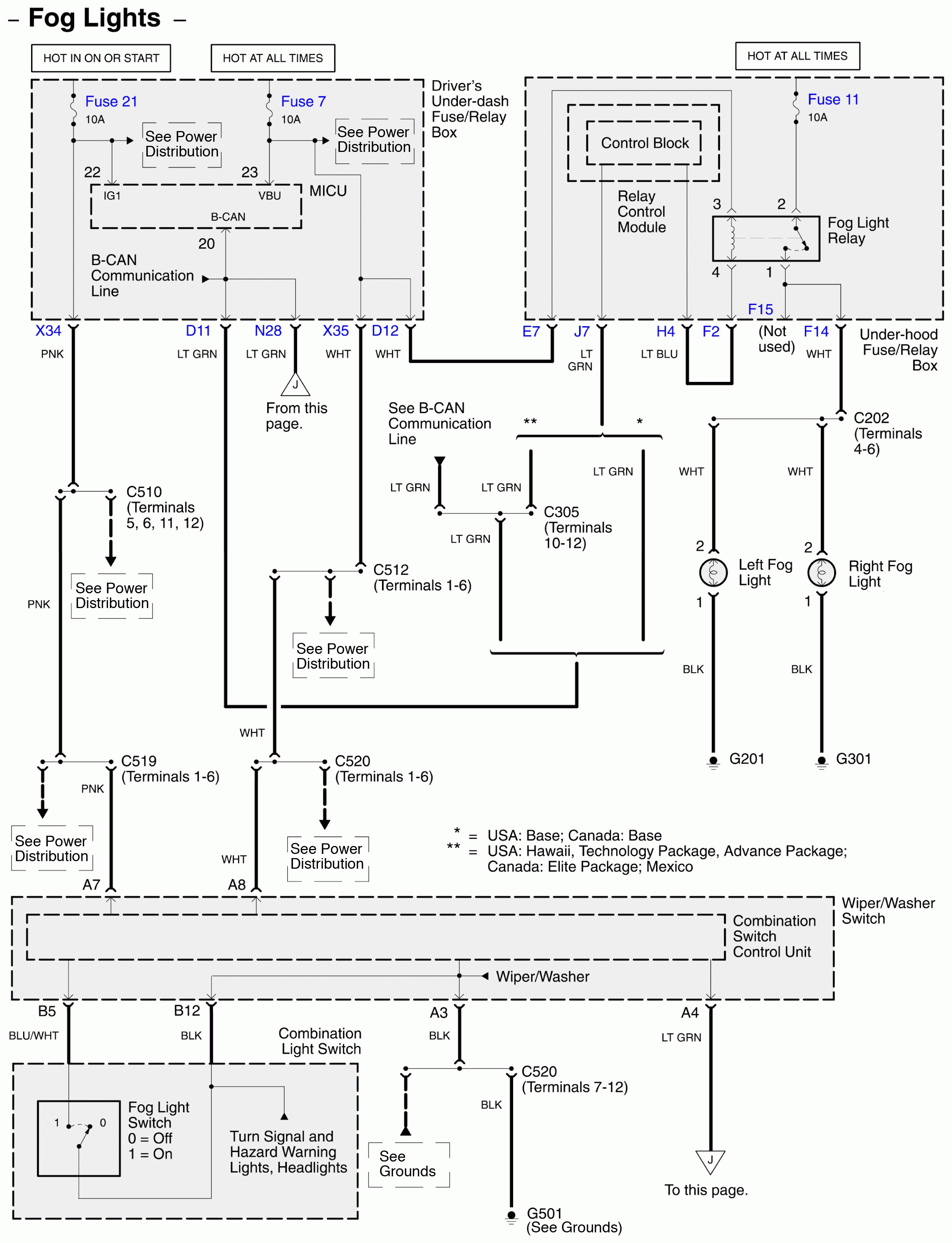
Fog lights

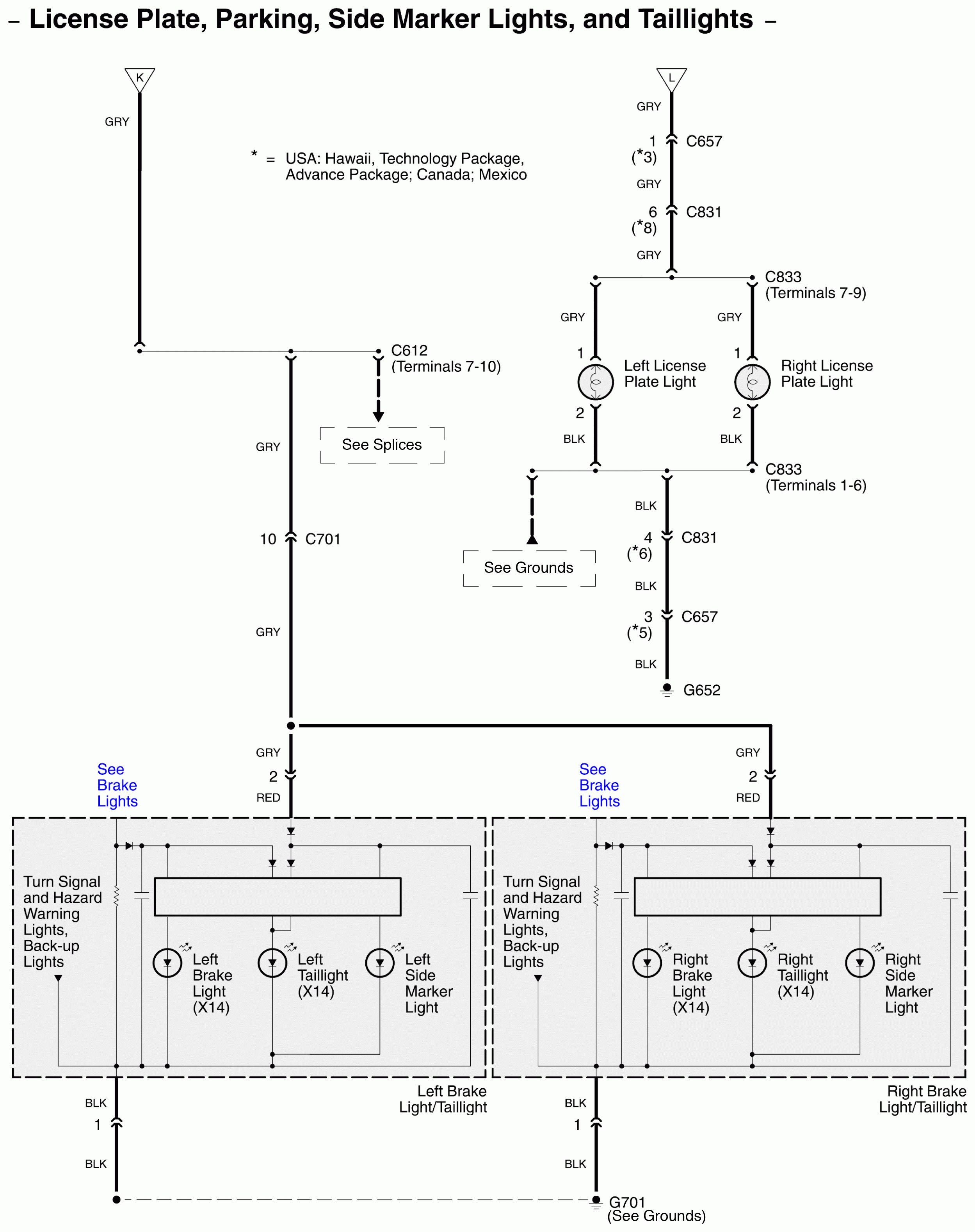
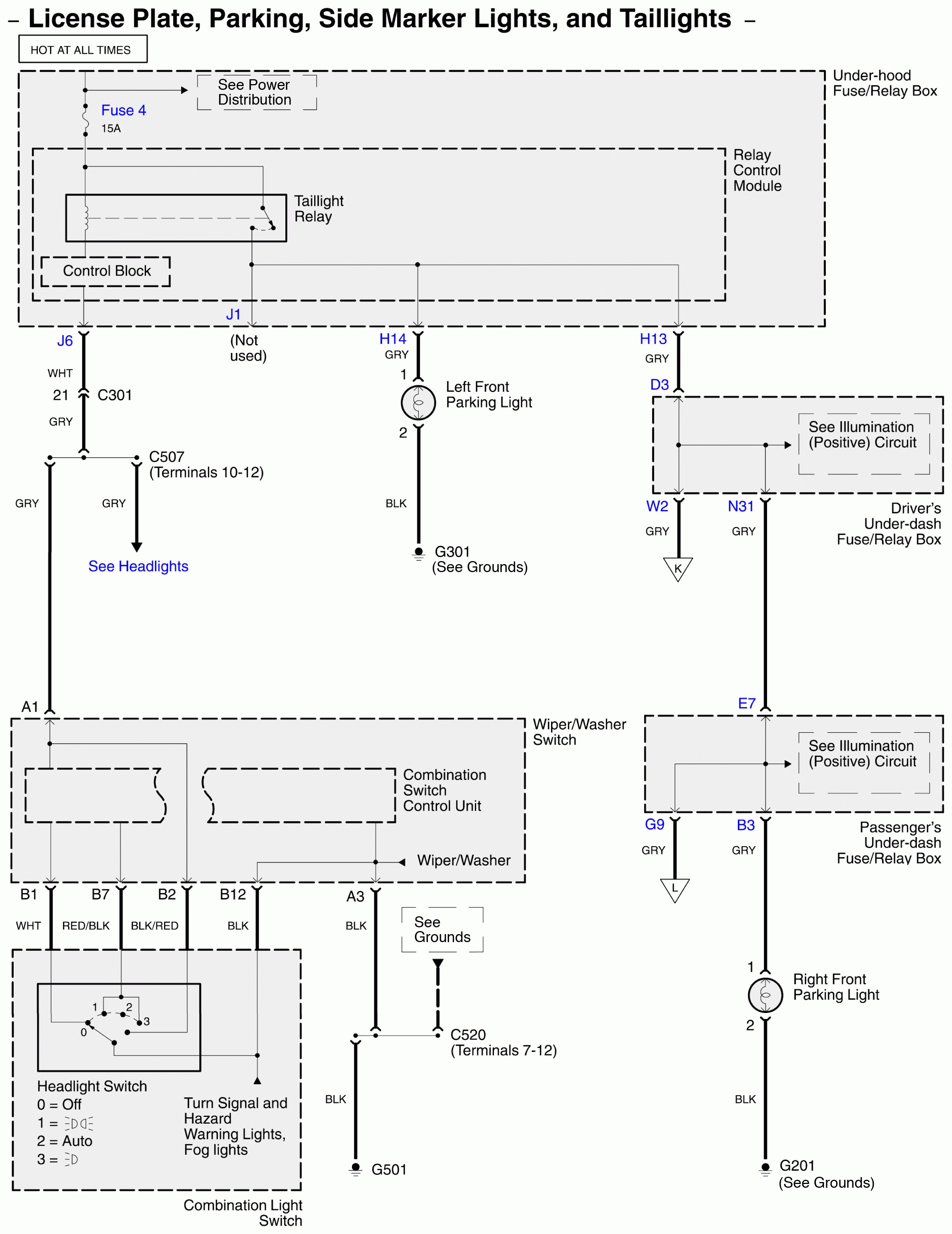
License plate, parking, side marker lights and taillights


Turn signal and hazard warning lights




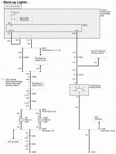
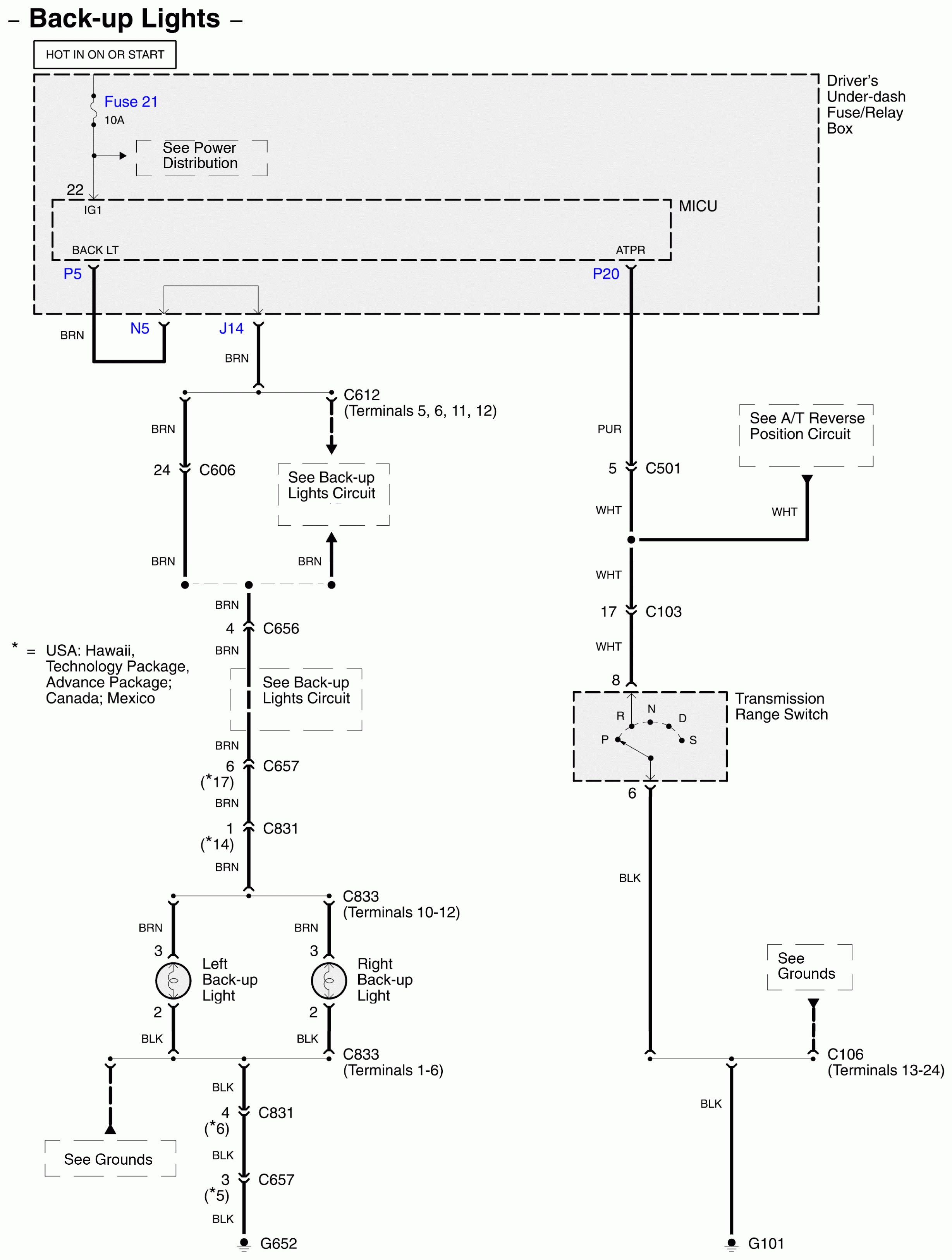
Back-up lights

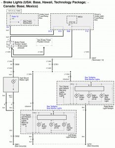
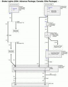
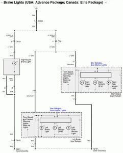
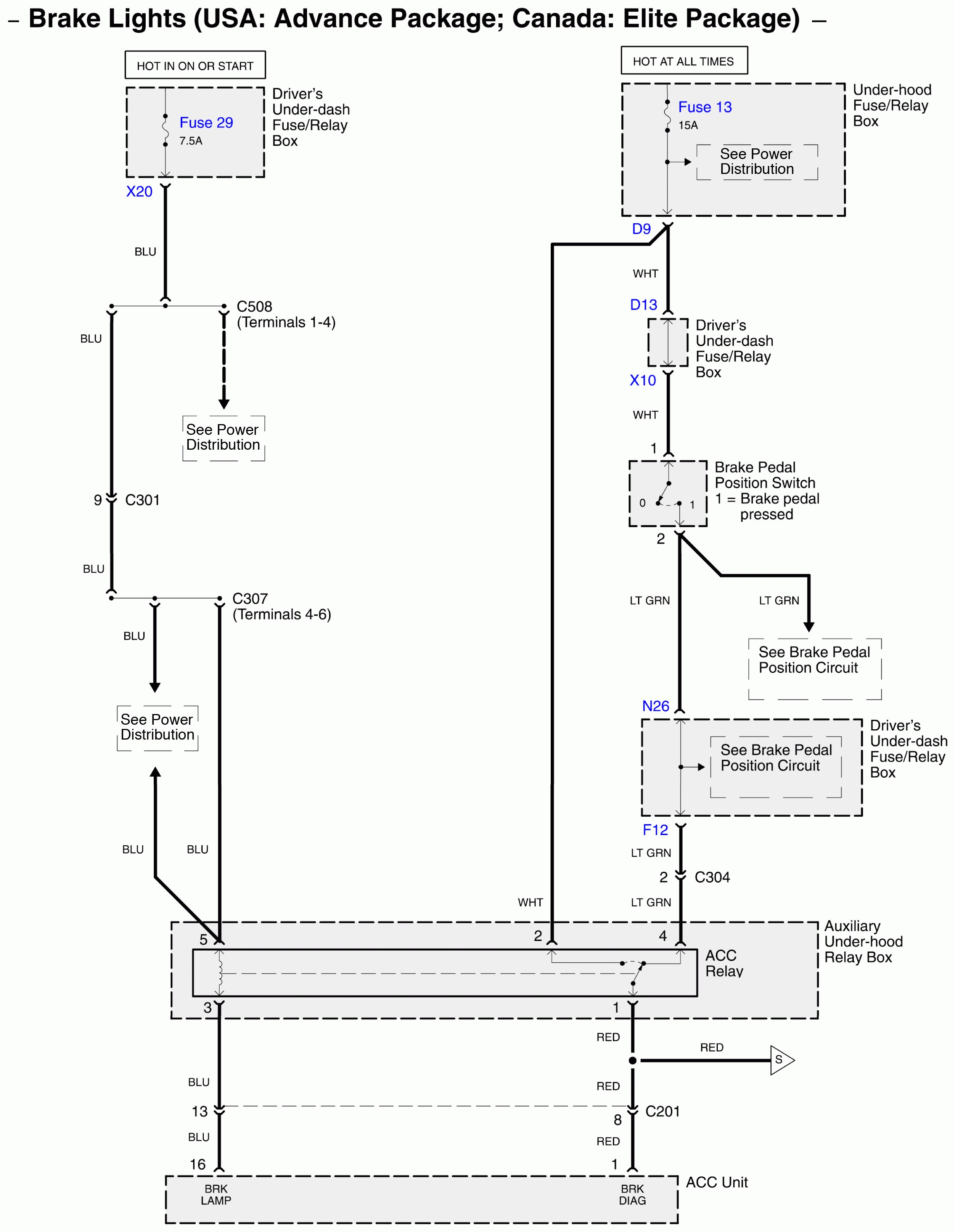
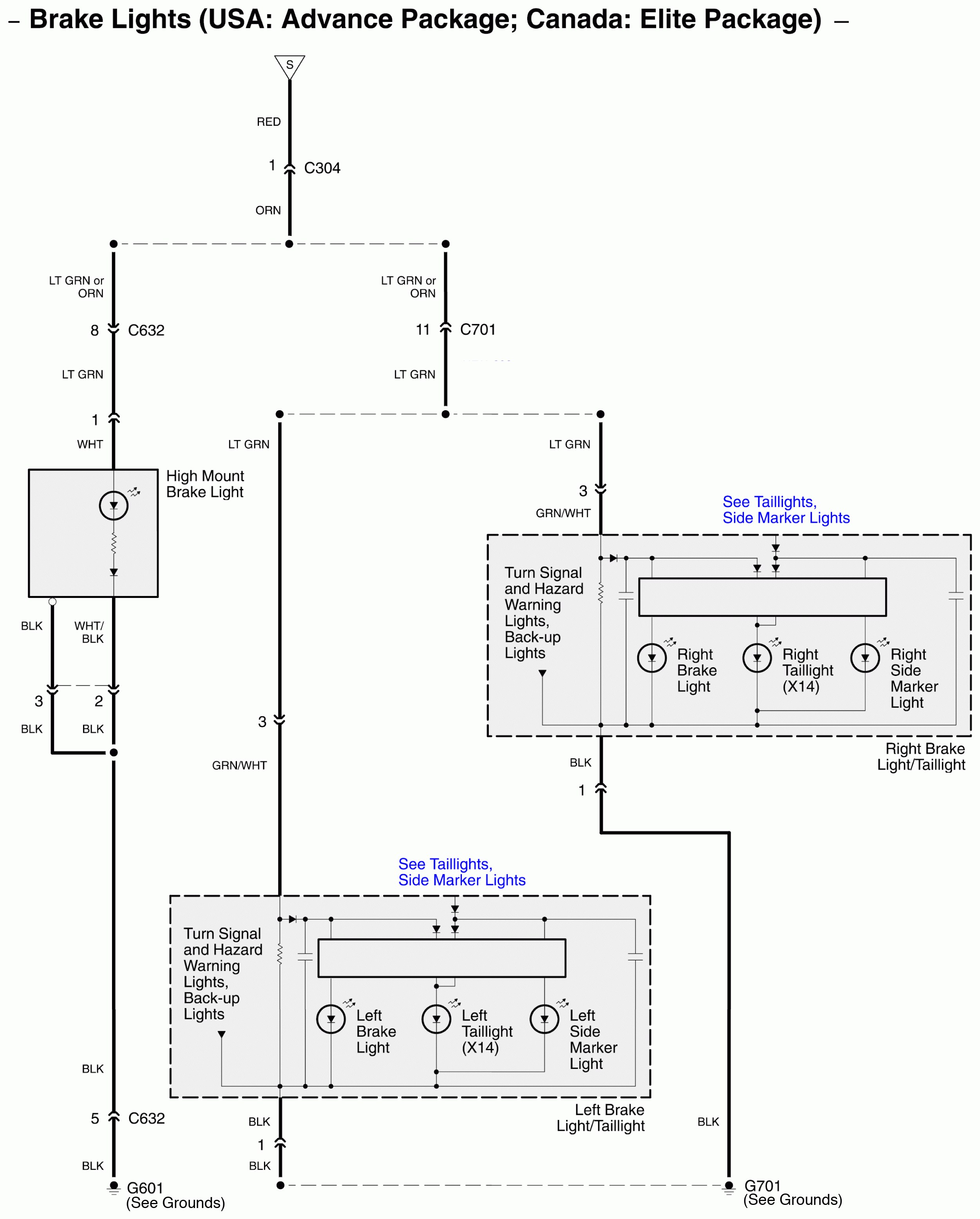
Brake Lights

Brake lights


WARNING: Terminal and harness assignments for individual connectors will vary depending on vehicle equipment level, model, and market.
