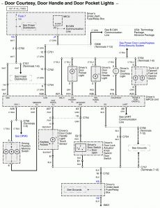
Acura RL (2011) – wiring diagrams – door lamp
Year of productions: 2011
Door lamp



WARNING: Terminal and harness assignments for individual connectors will vary depending on vehicle equipment level, model, and market.
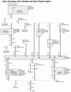
Year of productions: 2011



WARNING: Terminal and harness assignments for individual connectors will vary depending on vehicle equipment level, model, and market.
Copyright © 2026 | MH Magazine WordPress Theme by MH Themes