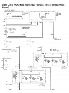
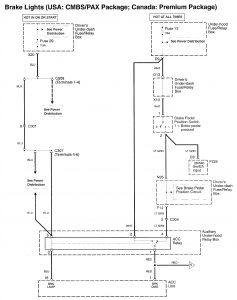
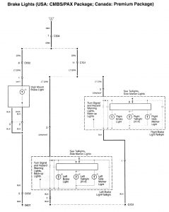
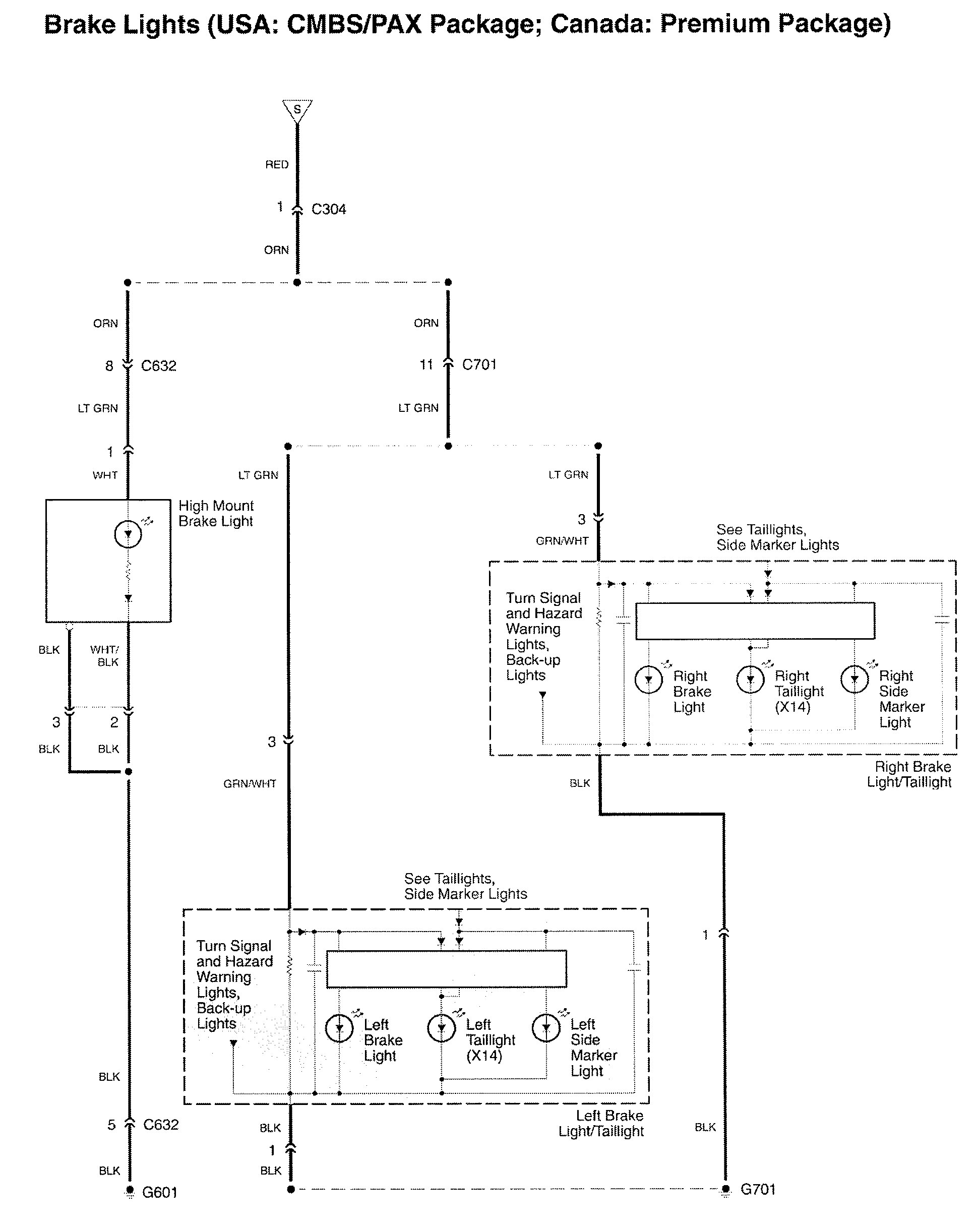
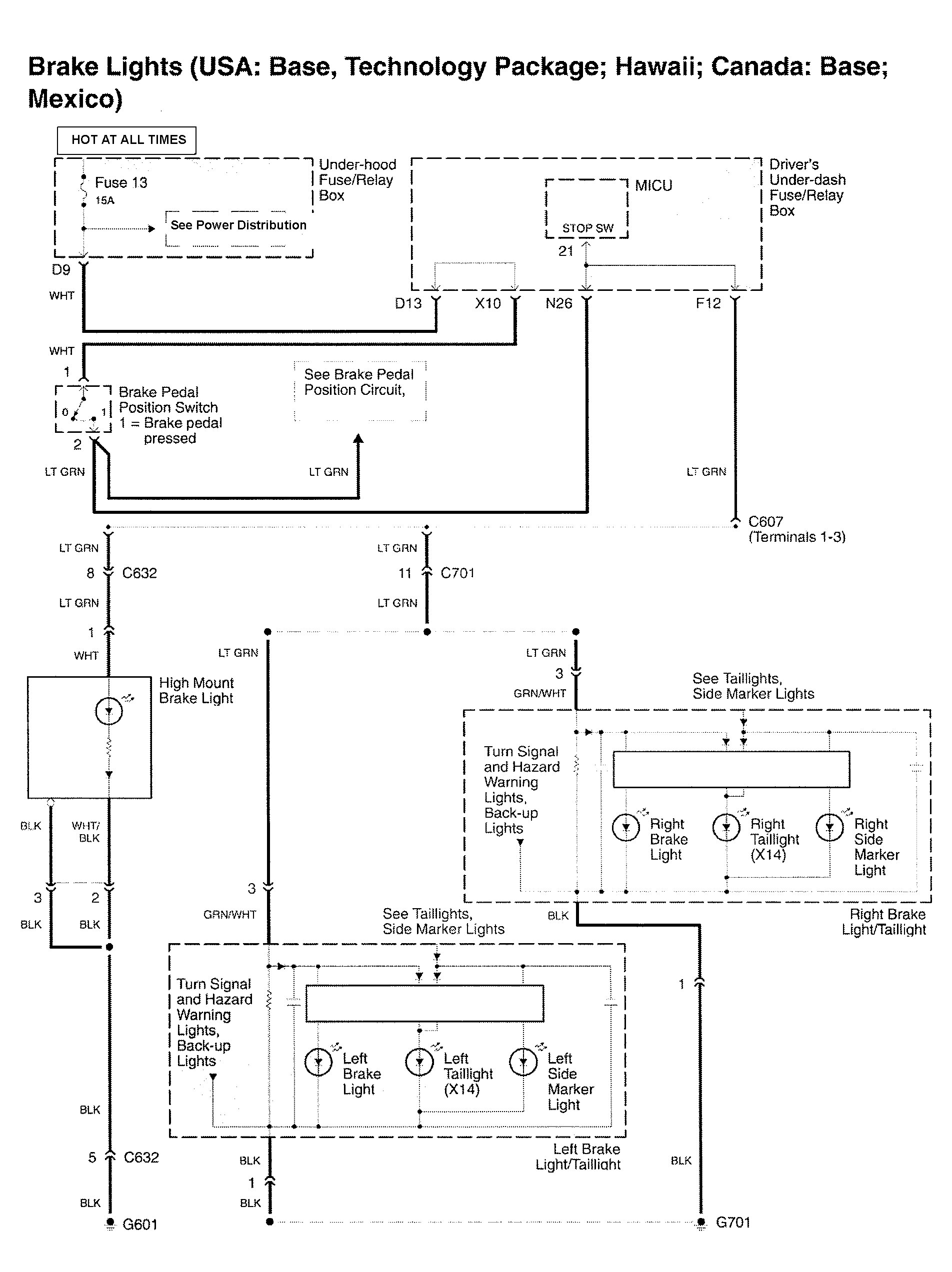
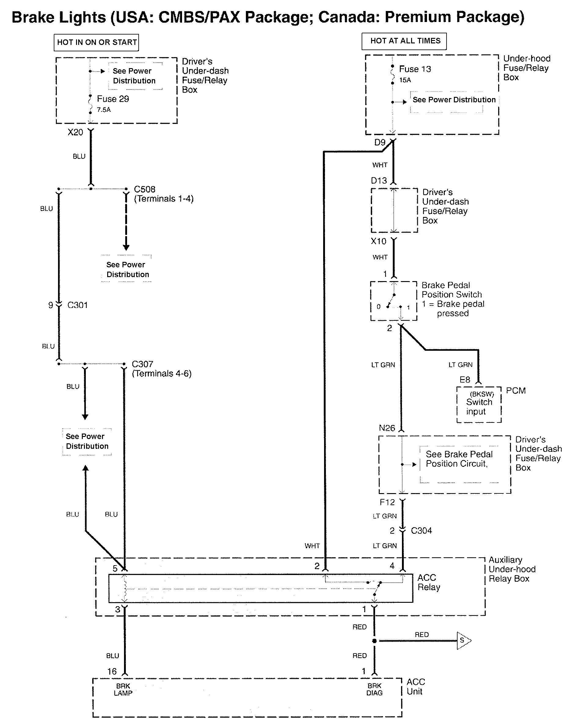
Acura RL (2010 – 2011) – wiring diagrams – stop lamp
Year of production: 2010, 2011
Stop lamp



WARNING: Terminal and harness assignments for individual connectors will vary depending on vehicle equipment level, model, and market.
Year of production: 2010, 2011



WARNING: Terminal and harness assignments for individual connectors will vary depending on vehicle equipment level, model, and market.
Copyright © 2026 | MH Magazine WordPress Theme by MH Themes