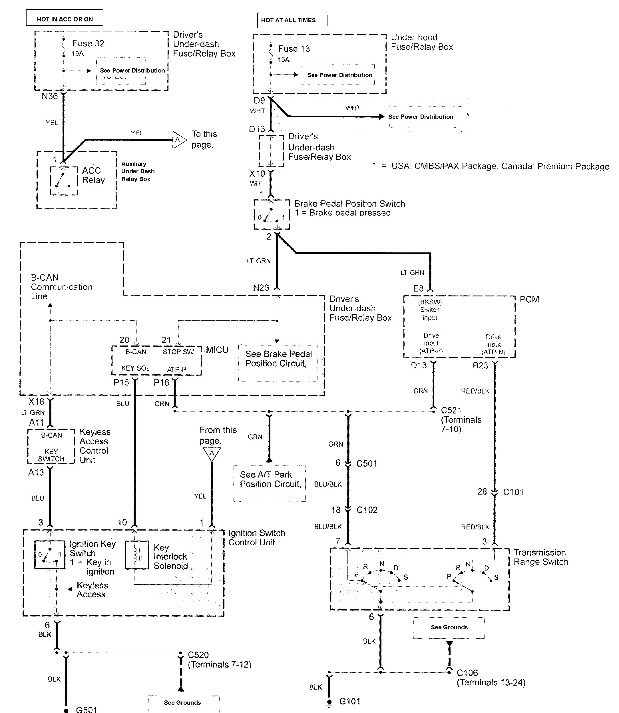
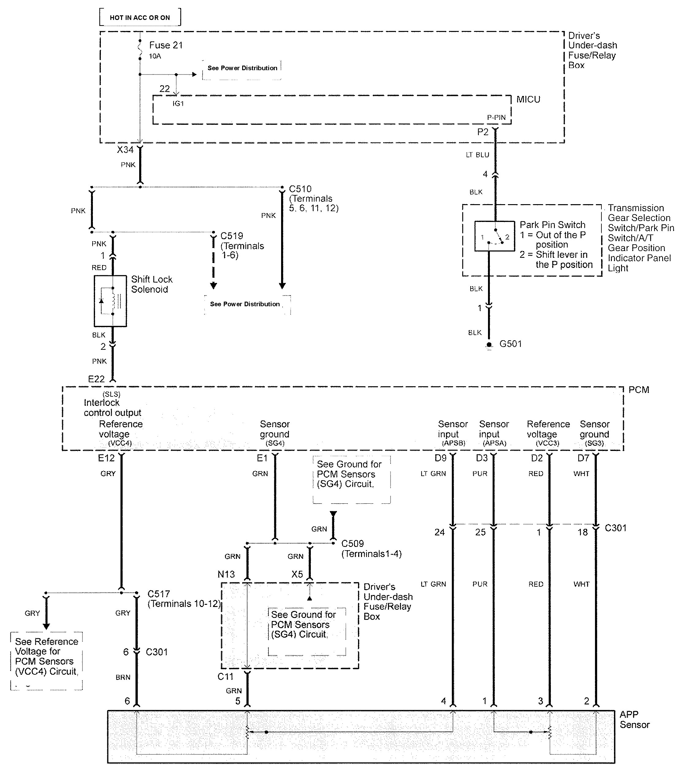
Acura RL (2009 – 2011) – wiring diagrams – shift interlock
Year of production: 2009, 2010, 2011
Shift interlock


WARNING: Terminal and harness assignments for individual connectors will vary depending on vehicle equipment level, model, and market.
Year of production: 2009, 2010, 2011


WARNING: Terminal and harness assignments for individual connectors will vary depending on vehicle equipment level, model, and market.
Copyright © 2026 | MH Magazine WordPress Theme by MH Themes