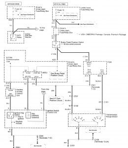
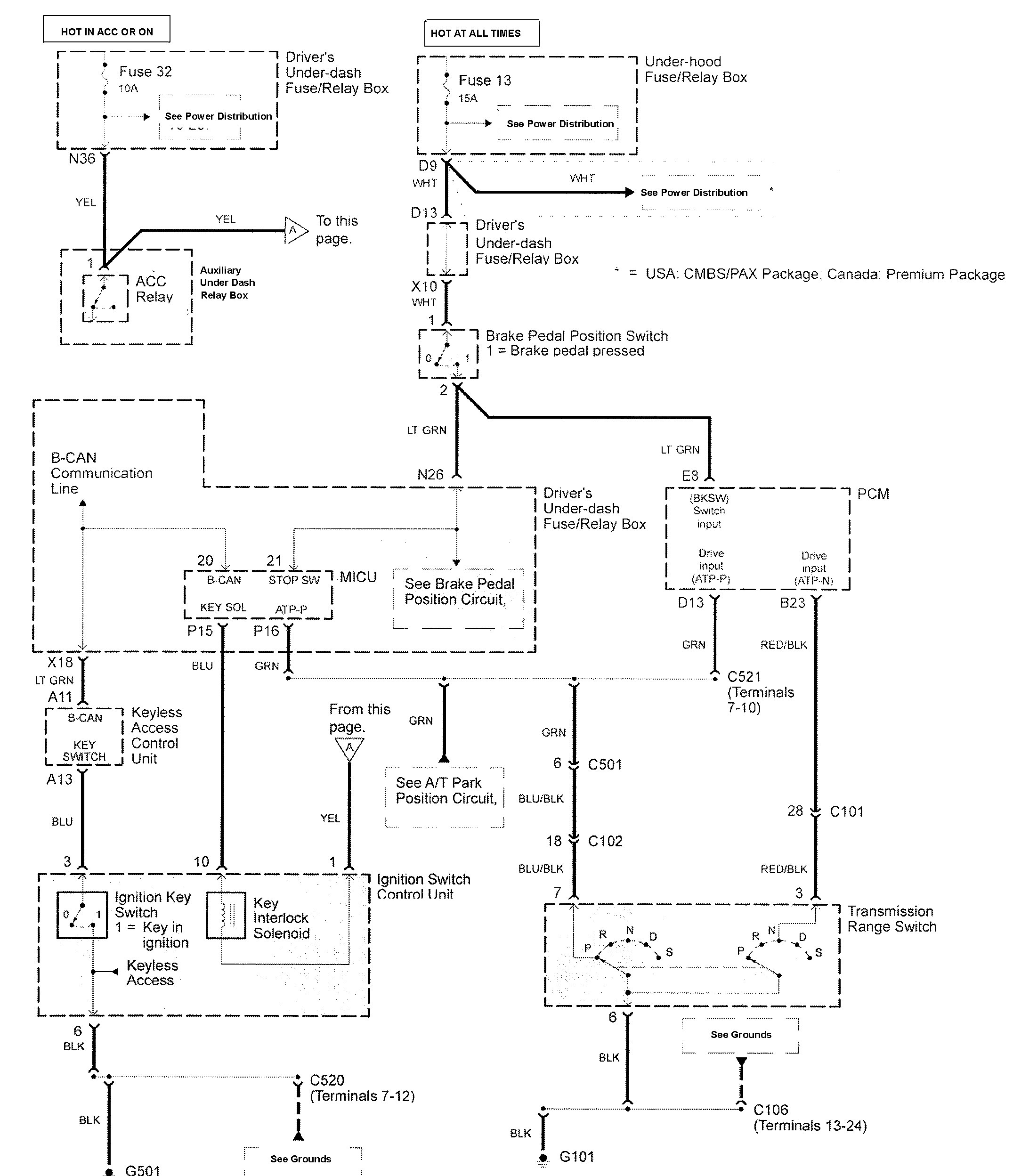
Acura RL (2009 – 2011) – wiring diagrams – key interlock
Year of productions: 2009, 2010, 2011
Key interlock


WARNING: Terminal and harness assignments for individual connectors will vary depending on vehicle equipment level, model, and market.
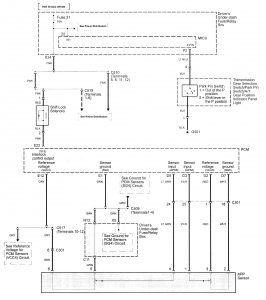
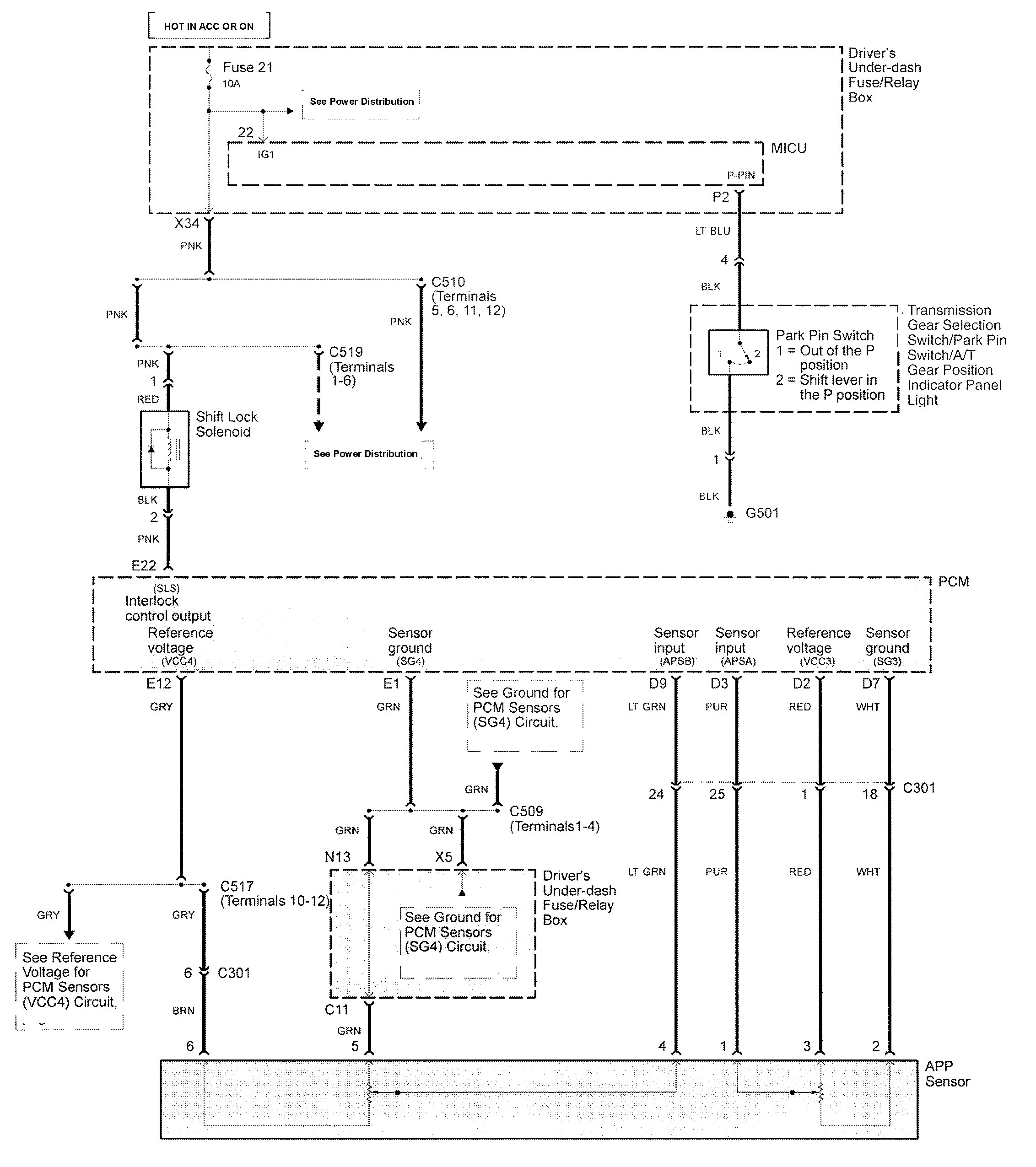
Year of productions: 2009, 2010, 2011


WARNING: Terminal and harness assignments for individual connectors will vary depending on vehicle equipment level, model, and market.
Copyright © 2026 | MH Magazine WordPress Theme by MH Themes