Acura TL (2006) – wiring diagrams – speed control
Year of productions: 2006
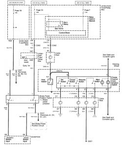
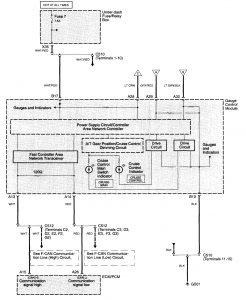
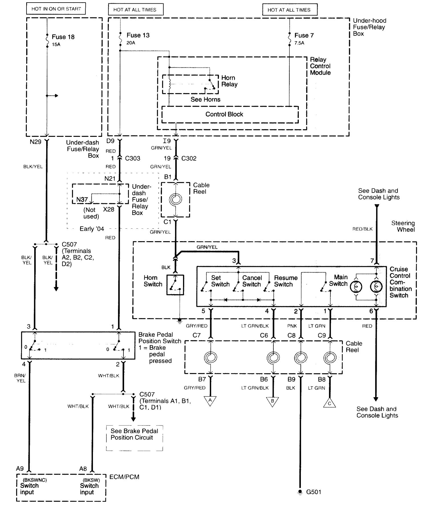
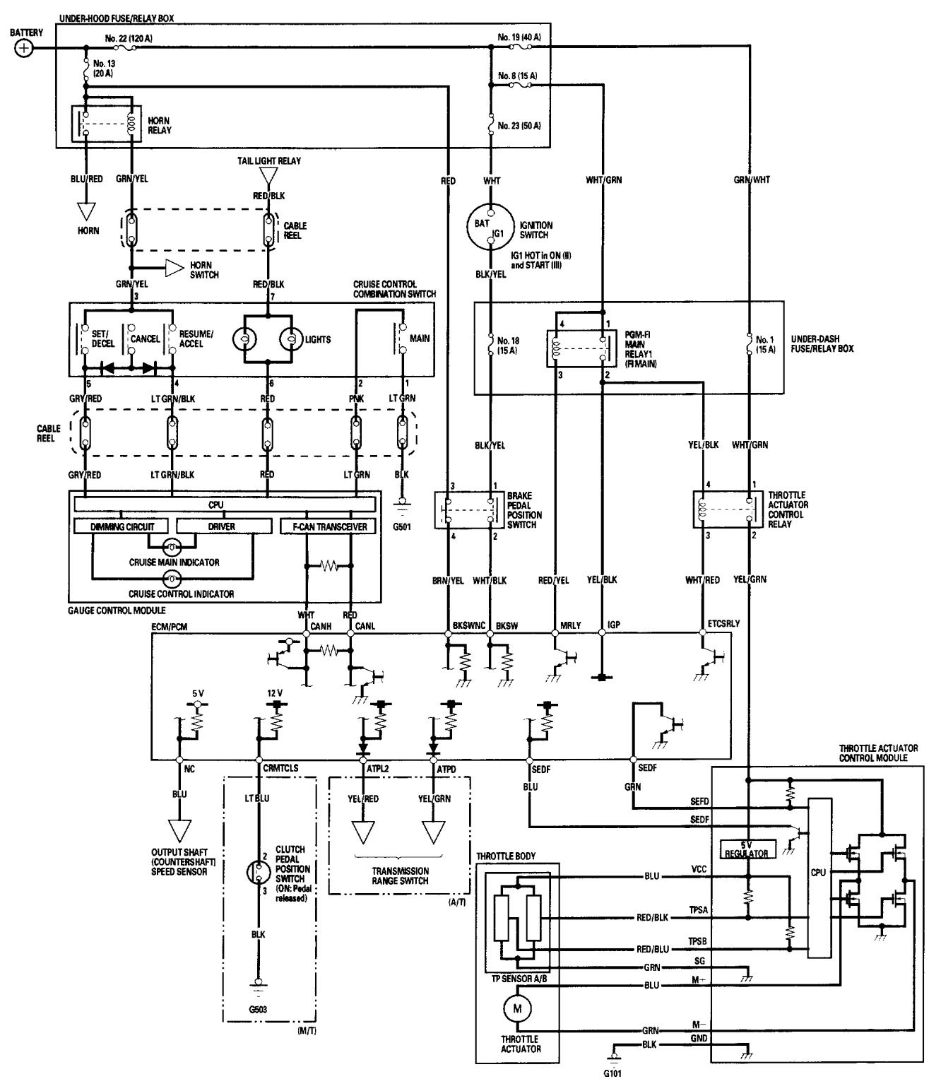
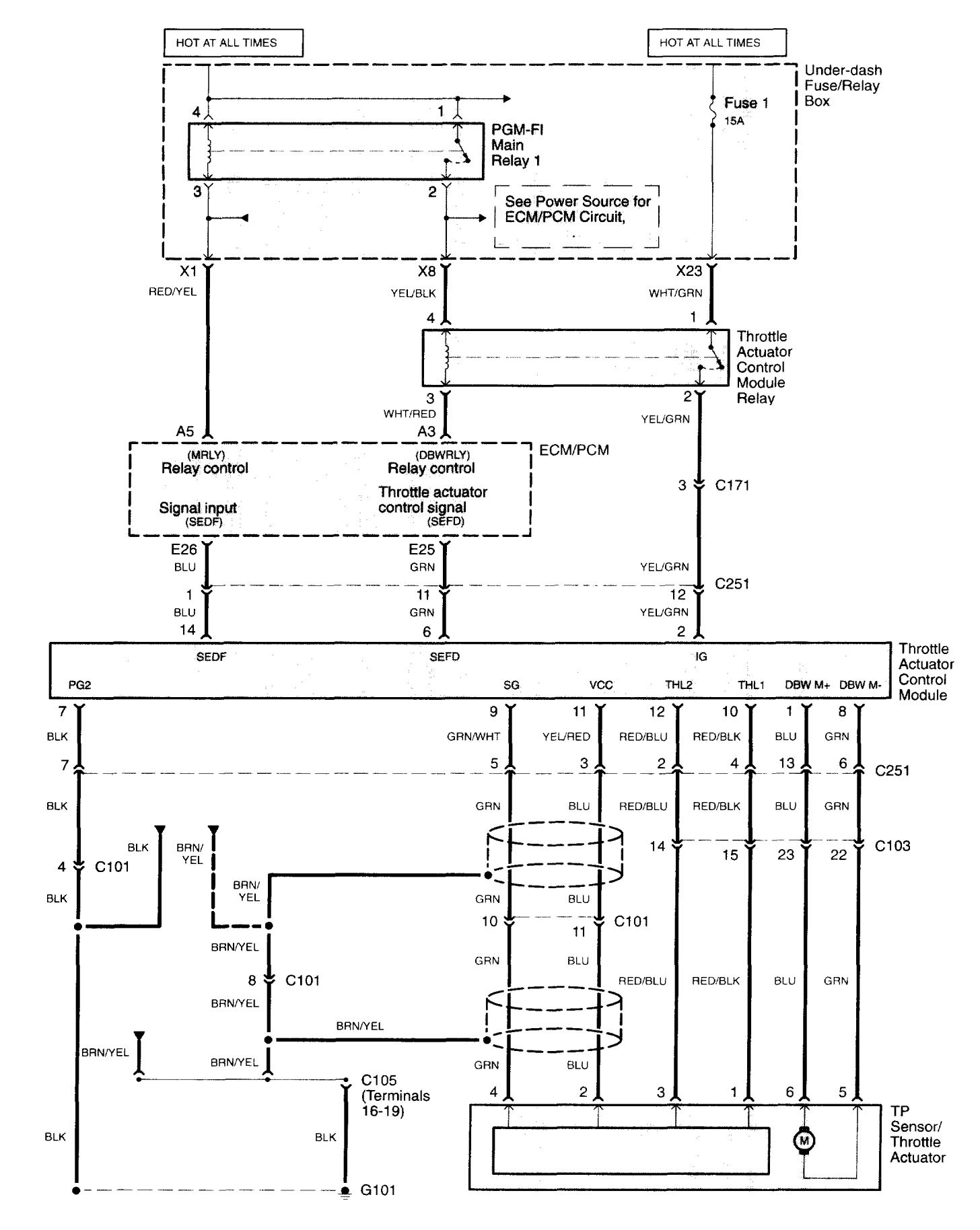
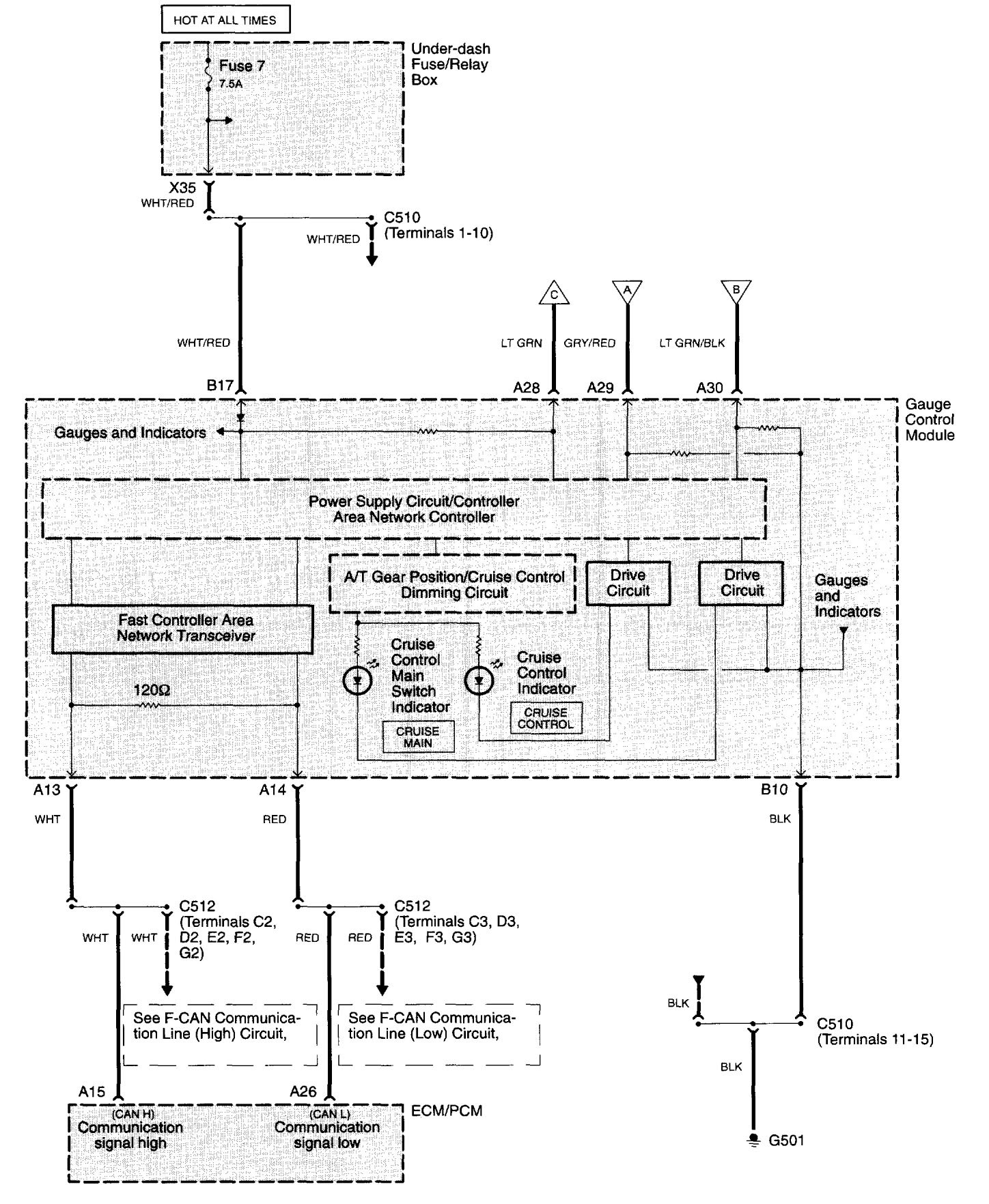
Speed control
Version 1




Version 2

WARNING: Terminal and harness assignments for individual connectors will vary depending on vehicle equipment level, model, and market.
Year of productions: 2006





WARNING: Terminal and harness assignments for individual connectors will vary depending on vehicle equipment level, model, and market.
Copyright © 2026 | MH Magazine WordPress Theme by MH Themes