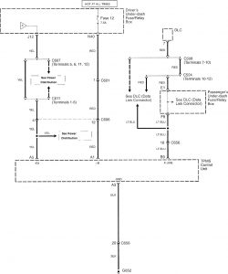
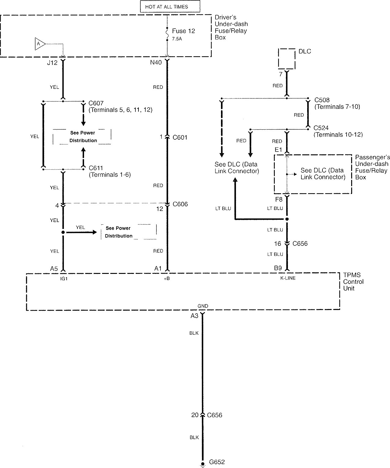
Acura RL (2007 – 2008) – wiring diagrams – tire pressure monitoring system
Year of productions: 2007, 2008
Tire pressure monitoring system



WARNING: Terminal and harness assignments for individual connectors will vary depending on vehicle equipment level, model, and market.
