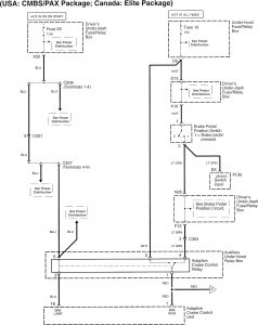
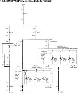
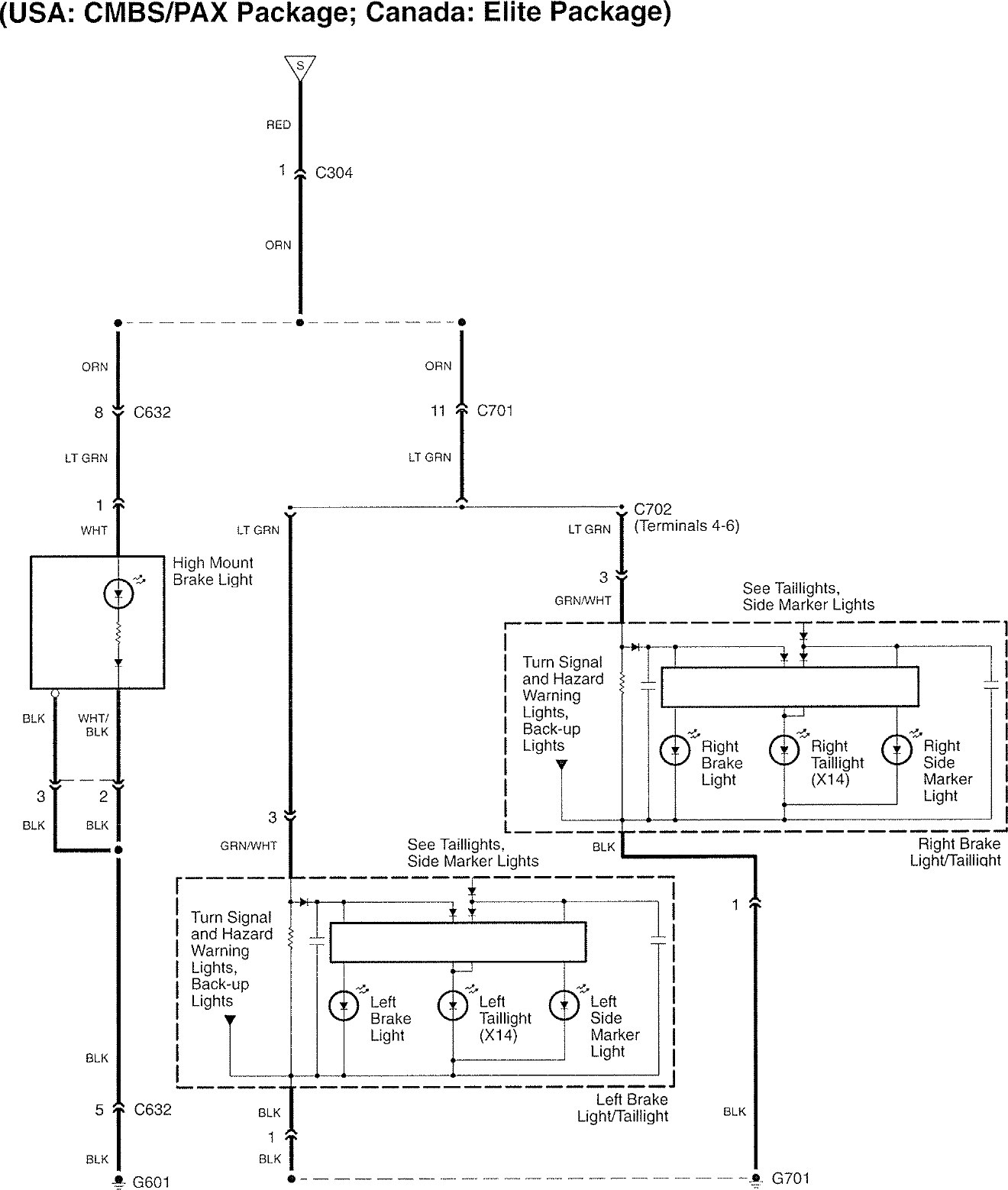
Acura RL (2007 – 2008) – wiring diagrams – stop lamp
Year of production: 2007, 2008
Stop lamp
Version 1

Version 2


WARNING: Terminal and harness assignments for individual connectors will vary depending on vehicle equipment level, model, and market.
Year of production: 2007, 2008



WARNING: Terminal and harness assignments for individual connectors will vary depending on vehicle equipment level, model, and market.
Copyright © 2026 | MH Magazine WordPress Theme by MH Themes