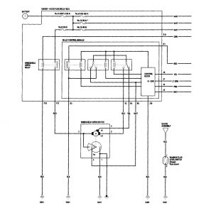
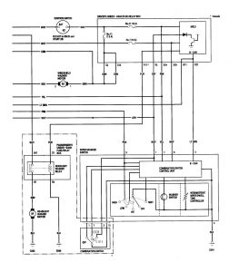
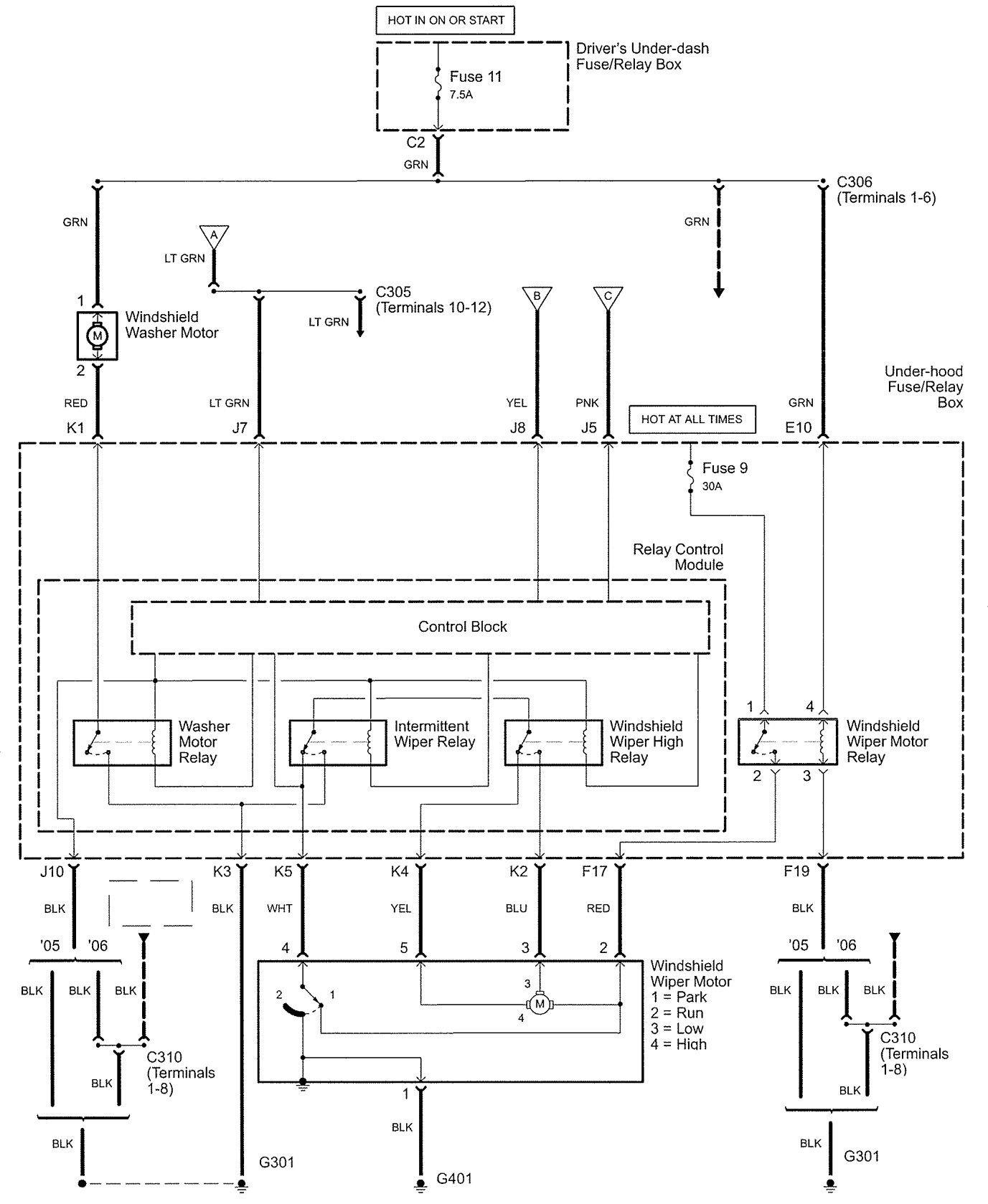
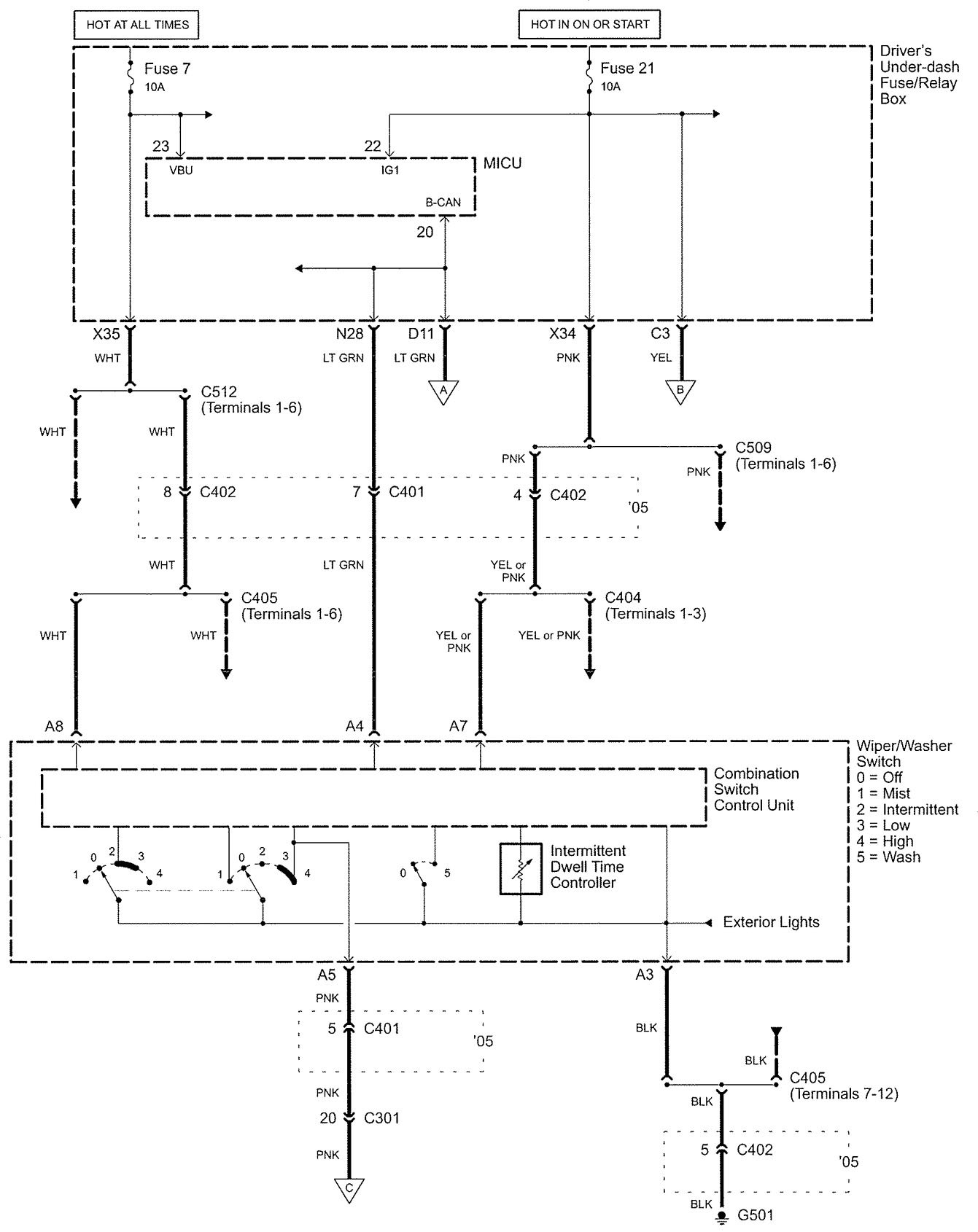
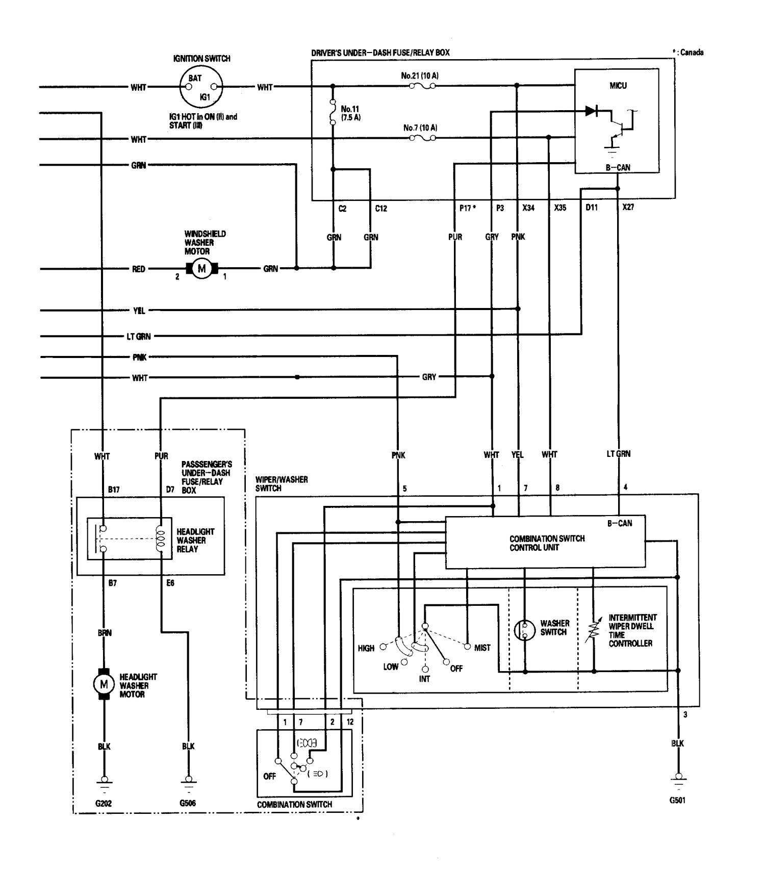
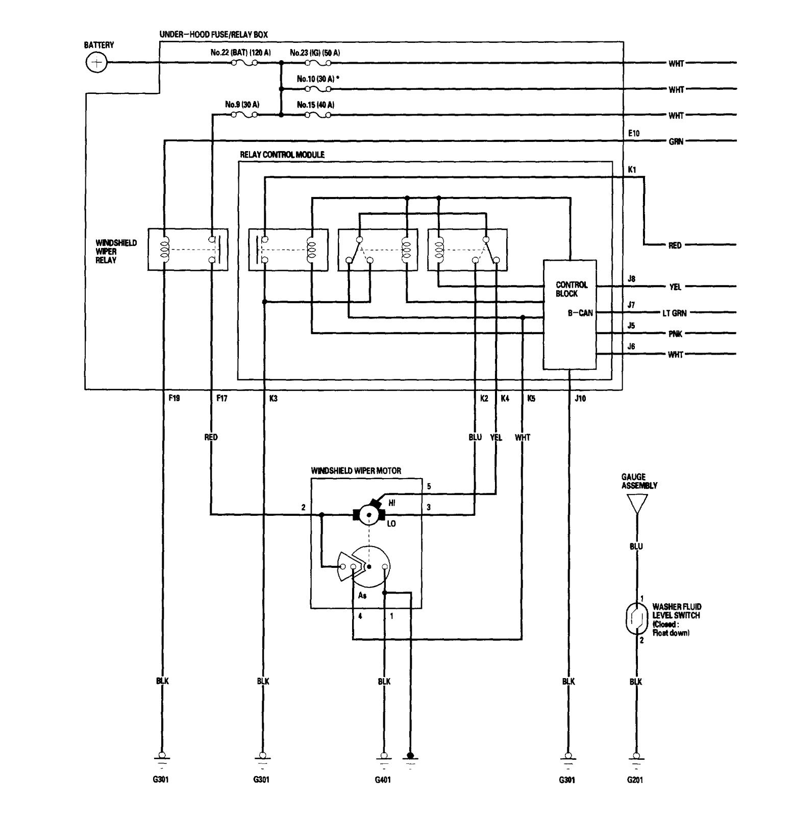
Acura RL (2006) – wiring diagrams – wiper/washer
Year of productions: 2006
Wiper/washer
Version 1


Version 2


WARNING: Terminal and harness assignments for individual connectors will vary depending on vehicle equipment level, model, and market.
Year of productions: 2006




WARNING: Terminal and harness assignments for individual connectors will vary depending on vehicle equipment level, model, and market.
Copyright © 2026 | MH Magazine WordPress Theme by MH Themes