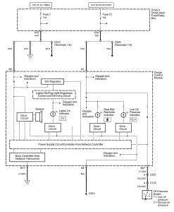
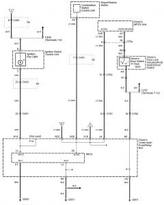
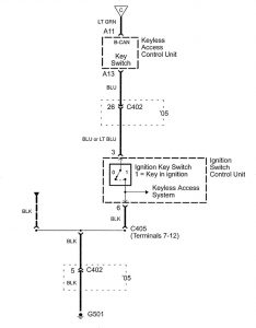
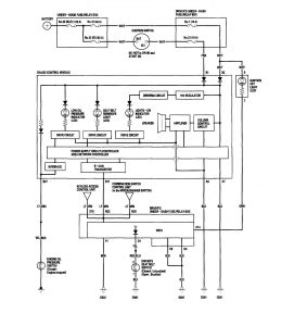
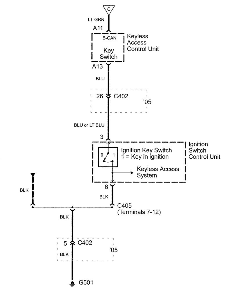
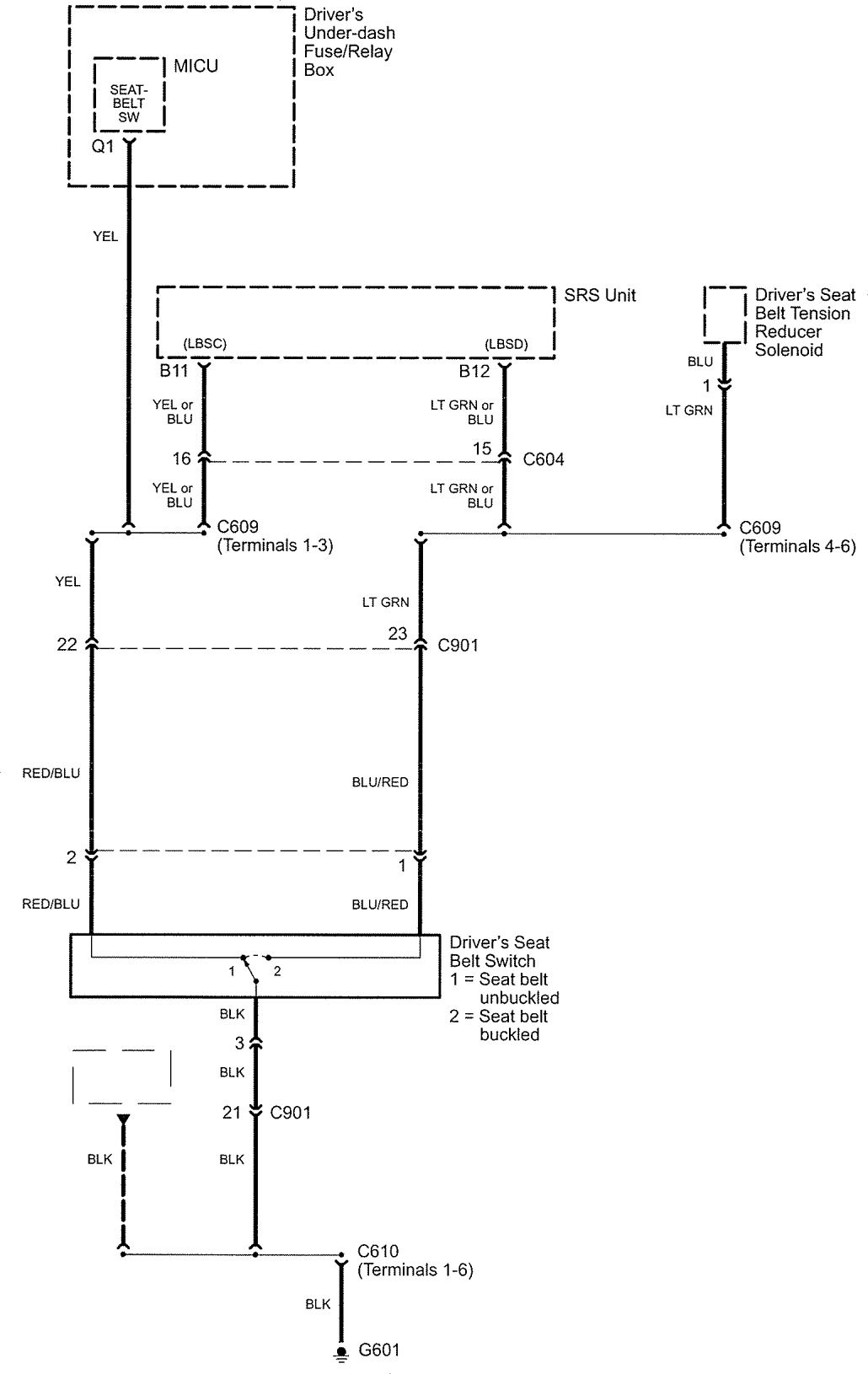
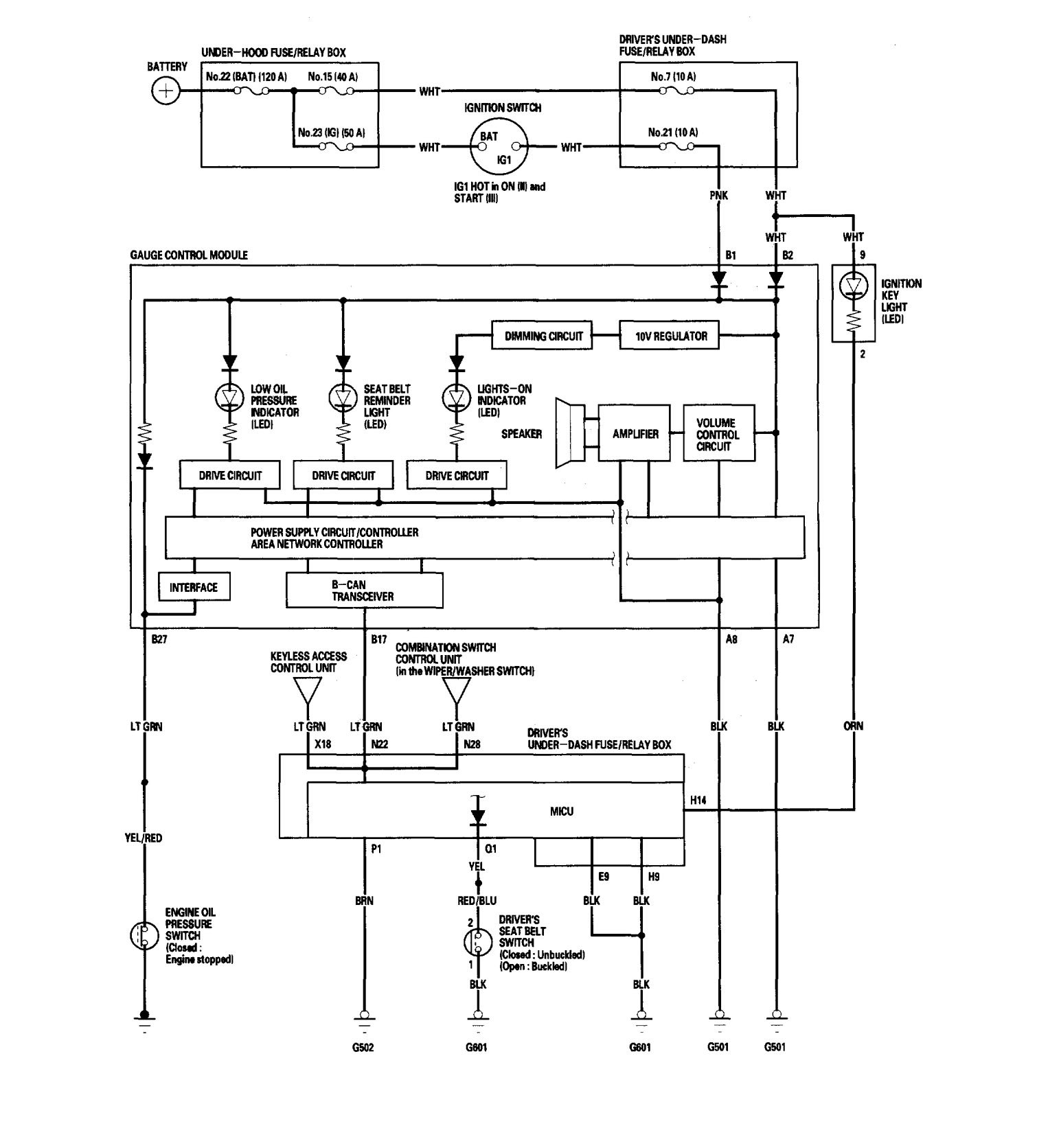
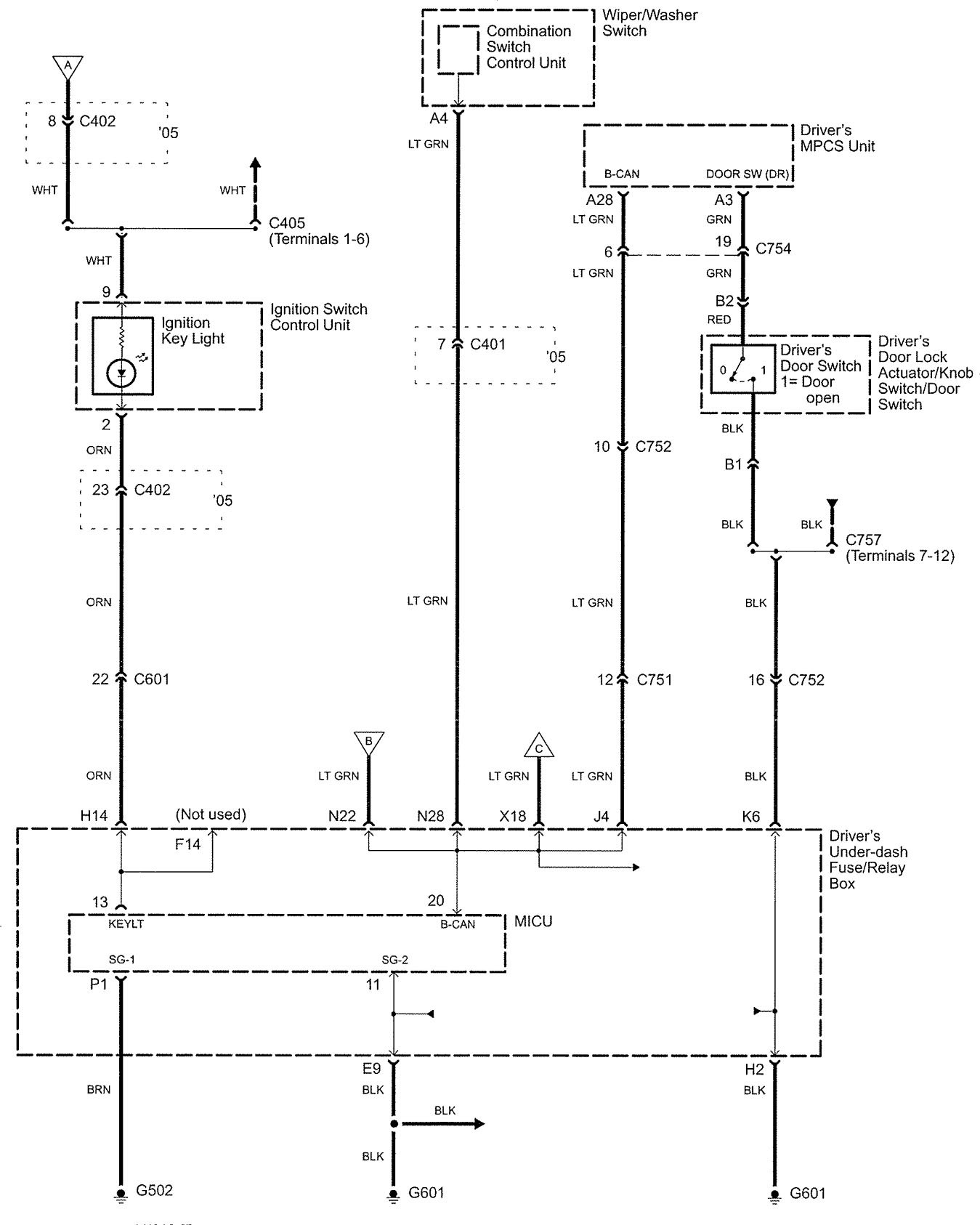
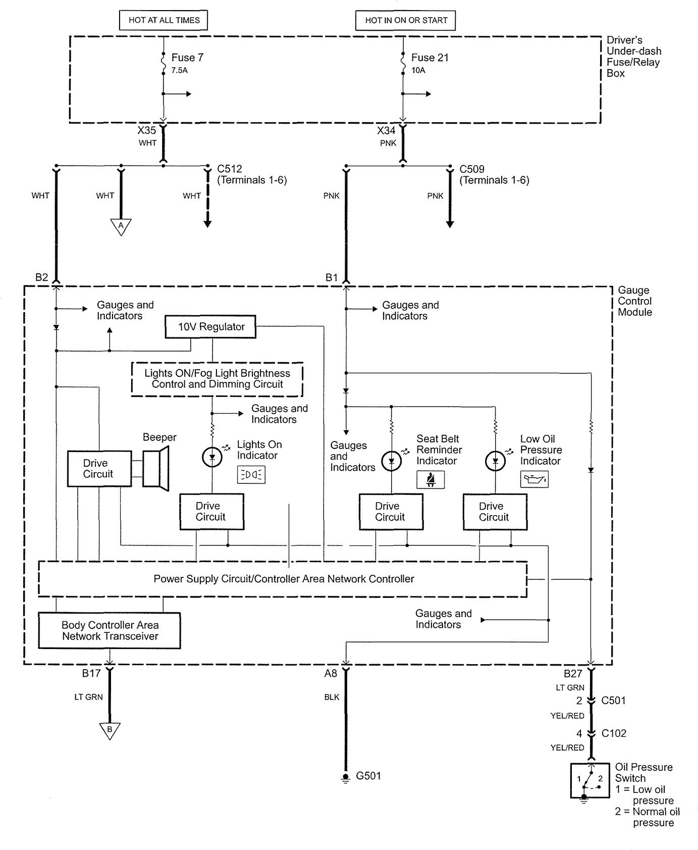
Acura RL (2006) – wiring diagrams – audible warning system
Year of productions: 2006
Audible warning system
Version 1




Version 2

WARNING: Terminal and harness assignments for individual connectors will vary depending on vehicle equipment level, model, and market.
