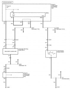
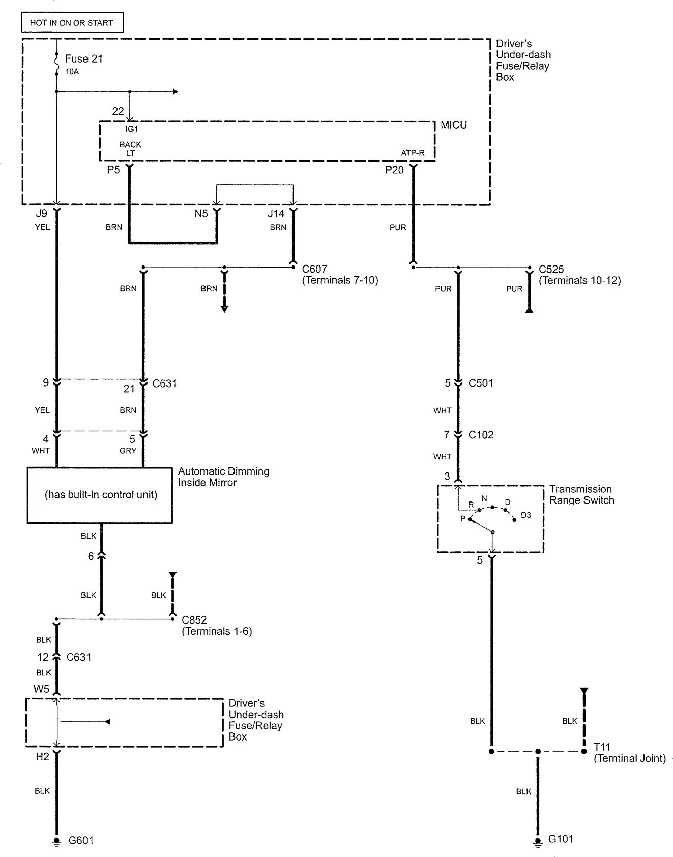
Acura RL (2005) – wiring diagrams – automatic dimming mirror
Year of productions: 2005
Automatic dimming mirror

WARNING: Terminal and harness assignments for individual connectors will vary depending on vehicle equipment level, model, and market.
Copyright © 2026 | MH Magazine WordPress Theme by MH Themes