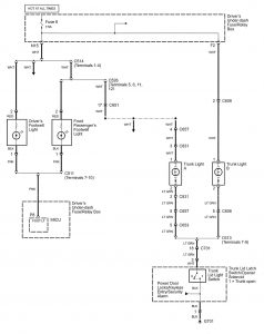
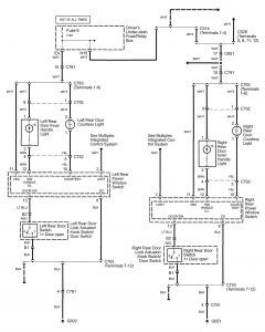
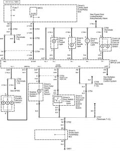
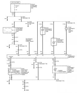
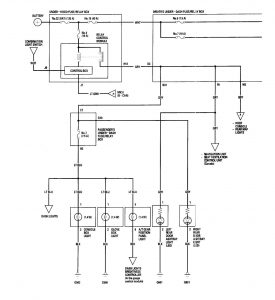
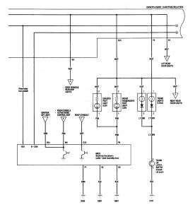
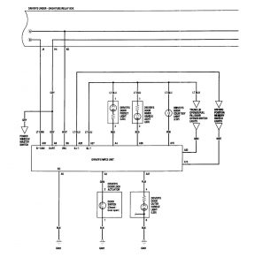
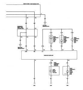
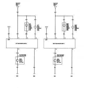
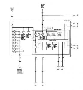
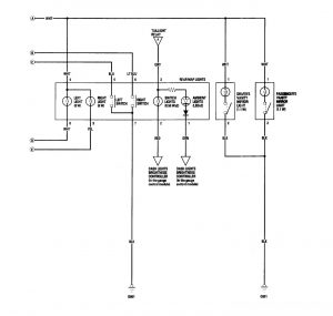
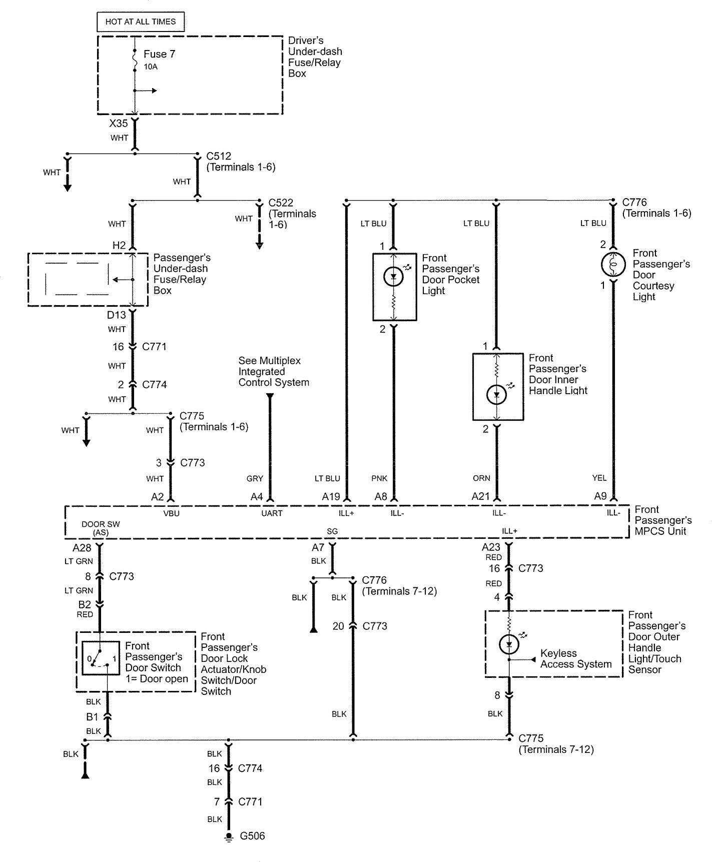
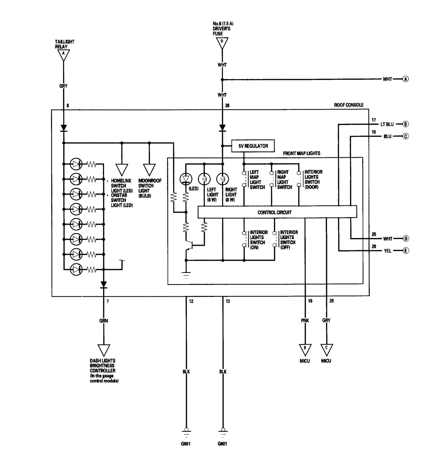
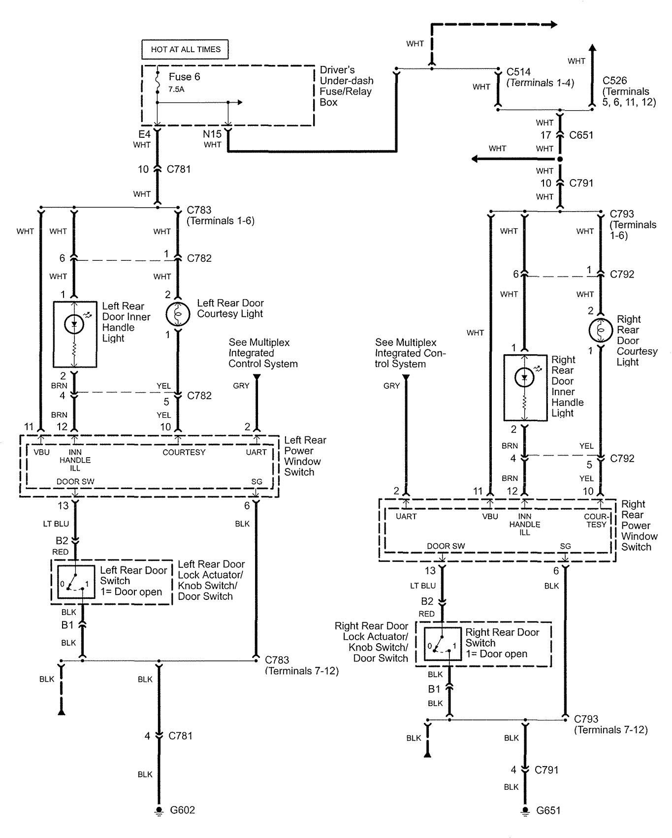
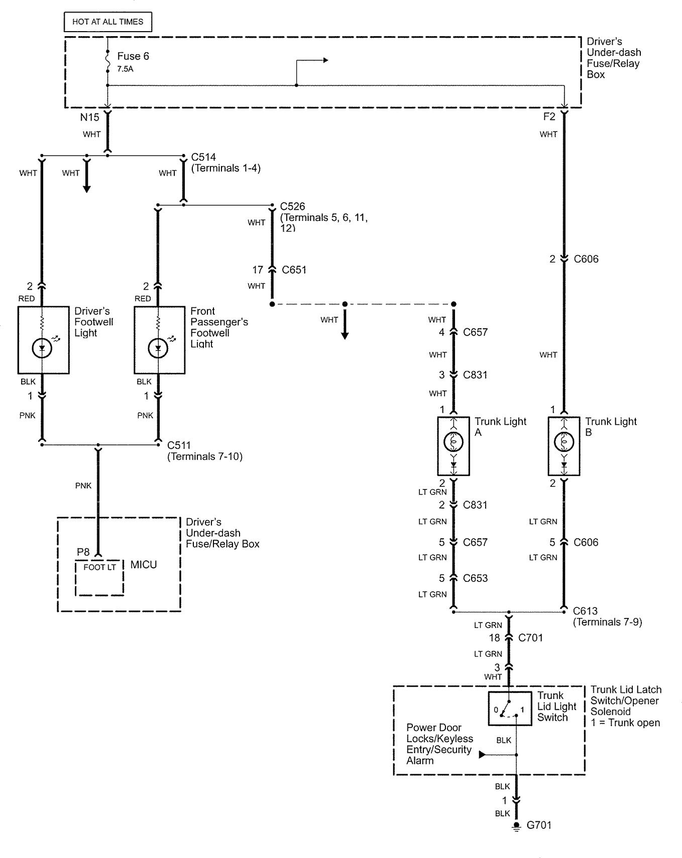
Acura RL (2005 – 2006) – wiring diagrams – interior lighting
Year of productions: 2005, 2006
Interior lighting
Version 1




Version 2







WARNING: Terminal and harness assignments for individual connectors will vary depending on vehicle equipment level, model, and market.
