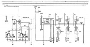
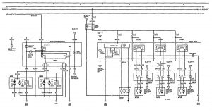
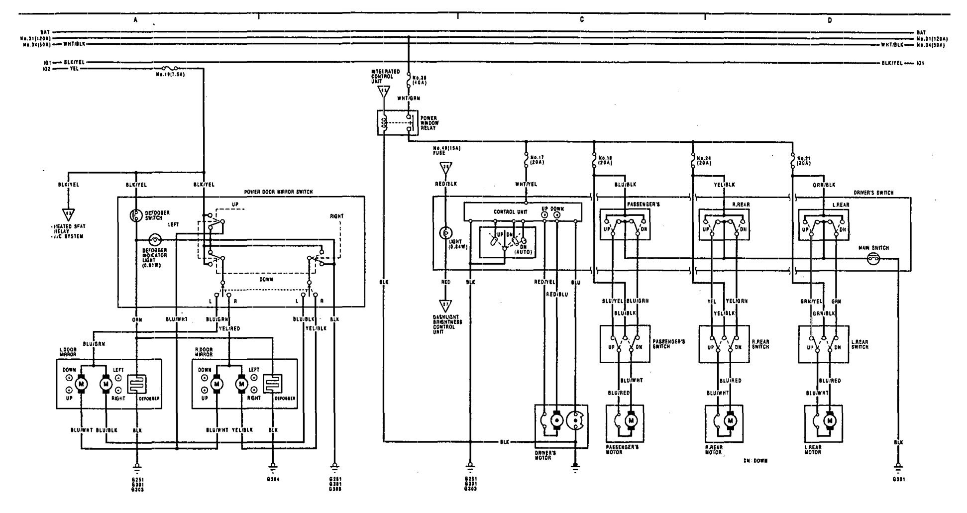
Acura Legend (1991 – 1991) – wiring system – power windows
Year of productions: 1991, 1992
Power windows
Version 1

Version 2

WARNING: Terminal and harness assignments for individual connectors will vary depending on vehicle equipment level, model, and market.
