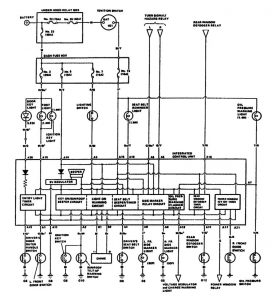
Acura Legend (1987) – computer data lines
Year of productions: 1987
Computer data lines

WARNING: Terminal and harness assignments for individual connectors will vary depending on vehicle equipment level, model, and market.
Copyright © 2026 | MH Magazine WordPress Theme by MH Themes
Leave a Reply