Volvo S70 (1999 – 2000) – wiring diagrams – air bags
Year of productions: 1999, 2000
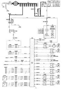
Air bags





WARNING: Terminal and harness assignments for individual connectors will vary depending on vehicle equipment level, model, and market.
Year of productions: 1999, 2000





WARNING: Terminal and harness assignments for individual connectors will vary depending on vehicle equipment level, model, and market.
Copyright © 2026 | MH Magazine WordPress Theme by MH Themes