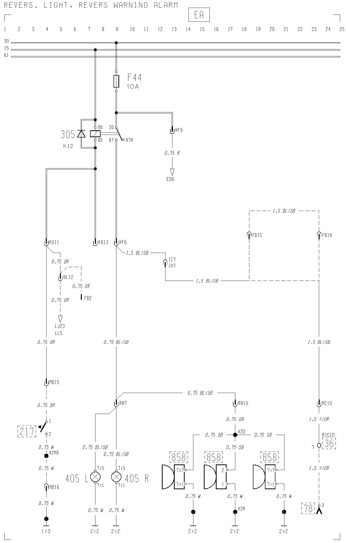
Volvo F12, F16 – wiring diagram – revers light, revers warning alarm
Year of production:

WARNING: Terminal and harness assignments for individual connectors will vary depending on vehicle equipment level, model, and market.
Copyright © 2026 | MH Magazine WordPress Theme by MH Themes
Leave a Reply