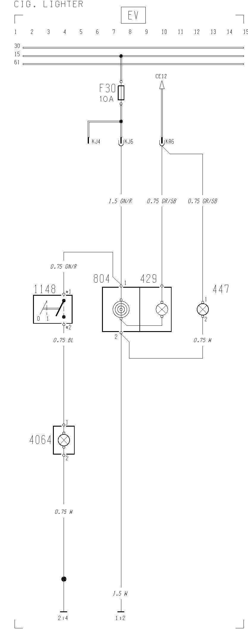
Volvo F12, F16 – wiring diagram – cigar lighter 27 April 2017 admin FH12, FH16, Volvo 0 Volvo F12, F16 – wiring diagram – cigar lighter Year of production: Volvo F12, F16 – wiring diagram – cigar lighter WARNING: Terminal and harness assignments for individual connectors will vary depending on vehicle equipment level, model, and market. Wiring diagrams
Acura Acura SLX (1998 – 1999) – wiring diagrams – heated mirror 2 January 2018 admin 0 Acura SLX (1998 – 1999) – wiring diagrams – heated mirror Year of productions: 1998, 1999 Heated mirror WARNING: Terminal and harness assignments for individual connectors will vary depending on vehicle equipment level, model, and […]
Acura Acura RL (1996 – 1999) – wiring diagrams – cooling fans 8 September 2017 admin 0 Acura RL (1996 – 1999) – wiring diagrams – cooling fans Year of productions: 1996, 1997, 1998, 1999 Cooling fans WARNING: Terminal and harness assignments for individual connectors will vary depending on vehicle equipment level, […]
Acura Acura TL (1997) – wiring diagrams – power windows 23 May 2017 admin 0 Acura TL (1997) – wiring diagrams – power windows Year of productions: 1997 Power windows WARNING: Terminal and harness assignments for individual connectors will vary depending on vehicle equipment level, model, and market.
Leave a Reply