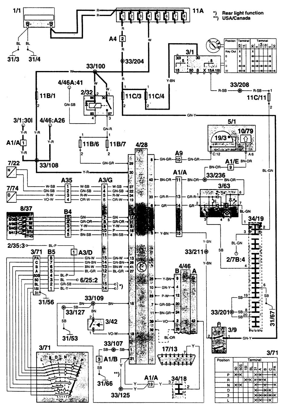
Volvo 960 (1996) – wiring diagrams – transmission controls

Volvo 960 (1996) – wiring diagrams – transmission controls

Year of productions:  1996

Transmission controls

Volvo 960 - wiring diagram - transmission controls (part 1)
Volvo 960 – wiring diagram – transmission controls (part 1)
Volvo 960 - wiring diagram - transmission controls (part 2)
Volvo 960 – wiring diagram – transmission controls (part 2)
Volvo 960 - wiring diagram - transmission controls (part 3)
Volvo 960 – wiring diagram – transmission controls (part 3)
Volvo 960 - wiring diagram - transmission controls (part 4)
Volvo 960 – wiring diagram – transmission controls (part 4)

WARNING: Terminal and harness assignments for individual connectors will vary depending on vehicle equipment level, model, and market.