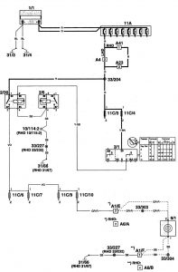
Volvo 960 (1996 – 1997) – wiring diagrams – cigar lighter
Year of productions: 1996, 1997
Cigar lighter



WARNING: Terminal and harness assignments for individual connectors will vary depending on vehicle equipment level, model, and market.
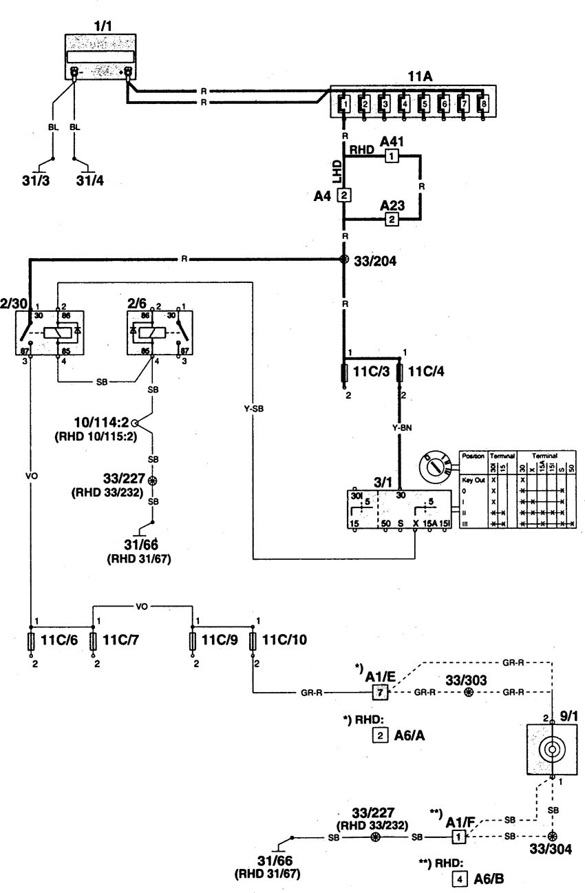
Year of productions: 1996, 1997



WARNING: Terminal and harness assignments for individual connectors will vary depending on vehicle equipment level, model, and market.
Copyright © 2026 | MH Magazine WordPress Theme by MH Themes