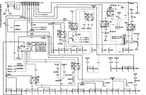
Volvo 960 (1995) – wiring diagrams – retained accessory power
Year of productions: 1995
Retained accessory power

diagram – retained accessory power (part 1)

diagram – retained accessory power (part 2)

diagram – retained accessory power (part 3)

diagram – retained accessory power (part 4)
WARNING: Terminal and harness assignments for individual connectors will vary depending on vehicle equipment level, model, and market.
