Volvo 960 (1995 – 1997) – wiring diagrams – keyless entry
Year of productions: 1995, 1996, 1997
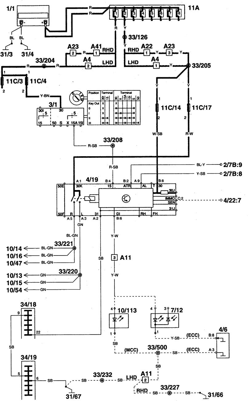
Keyless entry





WARNING: Terminal and harness assignments for individual connectors will vary depending on vehicle equipment level, model, and market.
Year of productions: 1995, 1996, 1997





WARNING: Terminal and harness assignments for individual connectors will vary depending on vehicle equipment level, model, and market.
Copyright © 2026 | MH Magazine WordPress Theme by MH Themes