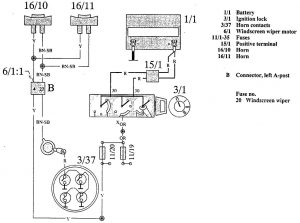
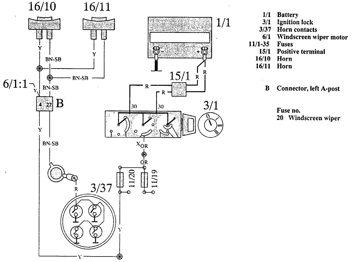
Volvo 960 (1992 – 1994) – wiring diagrams – horn
Year of productions: 1992, 1993, 1994
Horn

WARNING: Terminal and harness assignments for individual connectors will vary depending on vehicle equipment level, model, and market.
Copyright © 2026 | MH Magazine WordPress Theme by MH Themes