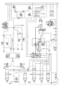
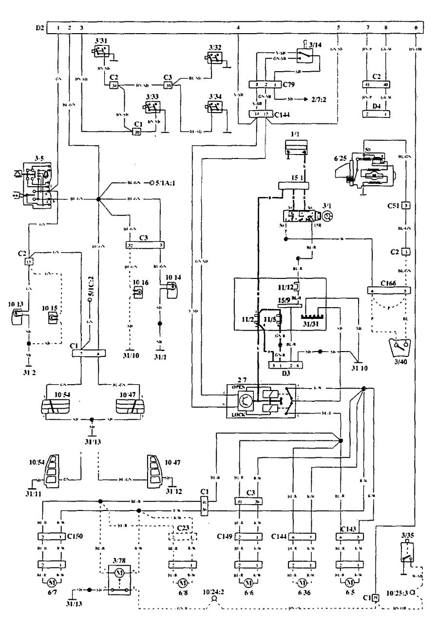
Volvo 940 (1994 – 1995) – wiring diagrams – security/anti-theft
Year of productions: 1994, 1995
Security/Anti-theft




WARNING: Terminal and harness assignments for individual connectors will vary depending on vehicle equipment level, model, and market.
