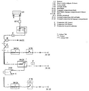
Volvo 940 (1992) – wiring diagrams – luggage compartment lamps
Year of productions: 1992
Luggage compartment lamps

luggage compartment lamp
WARNING: Terminal and harness assignments for individual connectors will vary depending on vehicle equipment level, model, and market.
