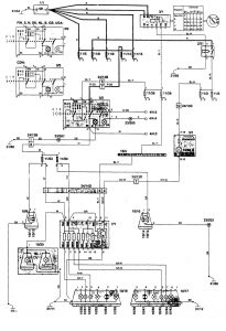
Volvo 850 (1996) – wiring diagrams – tail lamp
Year of productions: 1996
Tail lamp





WARNING: Terminal and harness assignments for individual connectors will vary depending on vehicle equipment level, model, and market.
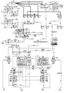
Year of productions: 1996





WARNING: Terminal and harness assignments for individual connectors will vary depending on vehicle equipment level, model, and market.
Copyright © 2026 | MH Magazine WordPress Theme by MH Themes