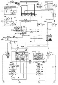
Volvo 850 (1996 – 1997) – wiring diagrams – parking lamp
Year of productions: 1996, 1997
Parking lamp





WARNING: Terminal and harness assignments for individual connectors will vary depending on vehicle equipment level, model, and market.
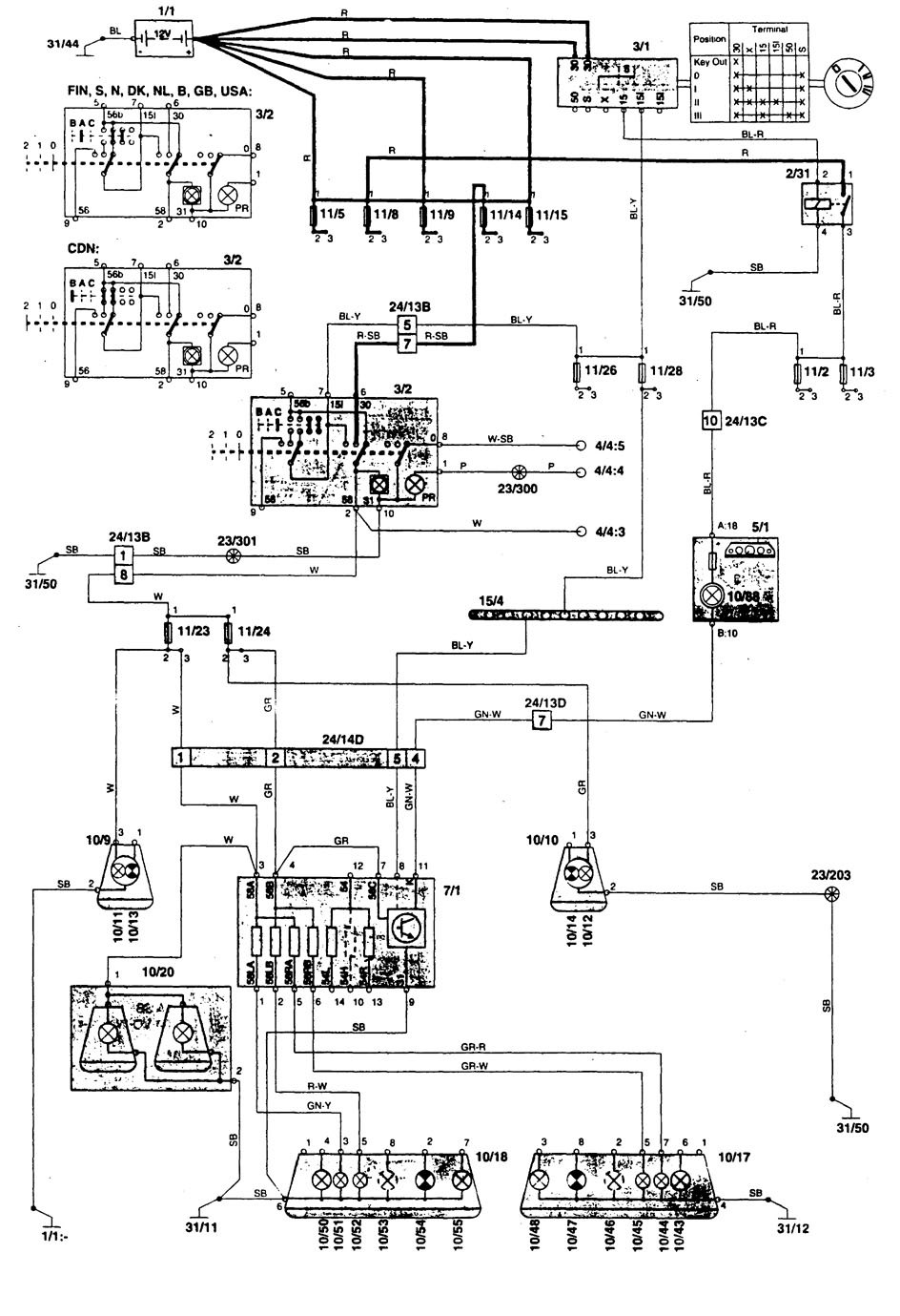
Year of productions: 1996, 1997





WARNING: Terminal and harness assignments for individual connectors will vary depending on vehicle equipment level, model, and market.
Copyright © 2025 | MH Magazine WordPress Theme by MH Themes