Volvo 850 (1993) – wiring diagrams – instrumentation

Volvo 850 (1993) – wiring diagrams – instrumentation

Year of productions:  1993

Instrumentation

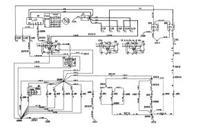
Volvo 850 - wiring diagram - instrumentation (part 1)
Volvo 850 – wiring diagram – instrumentation (part 1)
Volvo 850 - wiring diagram - instrumentation (part 2)
Volvo 850 – wiring diagram – instrumentation (part 2)
Volvo 850 - wiring diagram - instrumentation (part 3)
Volvo 850 – wiring diagram – instrumentation (part 3)
Volvo 850 - wiring diagram - instrumentation (part 4)
Volvo 850 – wiring diagram – instrumentation (part 4)
Volvo 850 - wiring diagram - instrumentation (part 5)
Volvo 850 – wiring diagram – instrumentation (part 5)

WARNING: Terminal and harness assignments for individual connectors will vary depending on vehicle equipment level, model, and market.