Acura TL (2013 – 2014) – wiring diagrams – garage door opener Year of productions: 2013, 2014 Garage door opener WARNING: Terminal and harness assignments for individual connectors will vary depending on vehicle equipment level, […]
Acura Legend (1990) – wiring diagram – brake warning system Year of productions: 1990 Brake warning system Version 1 Version 2 WARNING: Terminal and harness assignments for individual connectors will vary depending on vehicle equipment […]
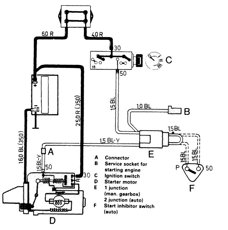
Acura RL (2003 – 2004) – wiring diagrams – ignition Year of productions: 2003, 2004 Ignition WARNING: Terminal and harness assignments for individual connectors will vary depending on vehicle equipment level, model, and market.